logo elektroda
logo elektroda
X
logo elektroda
REKLAMA
REKLAMA
Adblock/uBlockOrigin/AdGuard mogą powodować znikanie niektórych postów z powodu nowej reguły.

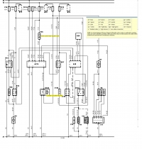
Schemat elektryczny panelu sterowania nawiewem Fiesta Mk4

Rogal18 08 Wrz 2017 21:46 3630 1
REKLAMA
  • #1 16689071
    Rogal18
    Poziom 6  
    Witam poszukuje schematu kostki 12 pinów która do chodzi do panelu sterowania nawiewem w Fiescie Mk4 98 r. 1.25 16v. Trend
  • REKLAMA
  • #2 16689997
    g107r
    Poziom 41  
    12pin ale 9 przewodów ?
    Schemat elektryczny panelu sterowania nawiewem Fiesta Mk4
    Te zakratkowane to sprężarka klimy, bo tylko z klimą mam.
REKLAMA