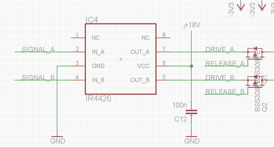
Mam układ który wykorzystuje przetworniki ultradźwiękowe 40kHz. Te przetworniki sterowane są napięciem 18V, za pomocą IR4426. Logika sterująca działa na 3v3. Problem polega na tym, że sygnał z przetwornika trzeba poza nadaniem także odebrać, a tego typu sterowniki bramek nie ma wyjść trój stanowych, dlatego na wyjściach umieszczone są mosfety, które odcinają przetwornik od sterownika po nadaniu sygnału. To rozwiązanie działa, ale chciałbym się tych mosfetów pozbyć o ile to wykonalne.
Dlatego pytanie, istnieje jakiś podwójny układ tego typu (w SO8 albo czymś podobnym), który pozwala na przełączenie wyjść w tri-state/uwolnienie ich?
Dlatego pytanie, istnieje jakiś podwójny układ tego typu (w SO8 albo czymś podobnym), który pozwala na przełączenie wyjść w tri-state/uwolnienie ich?
