Witam
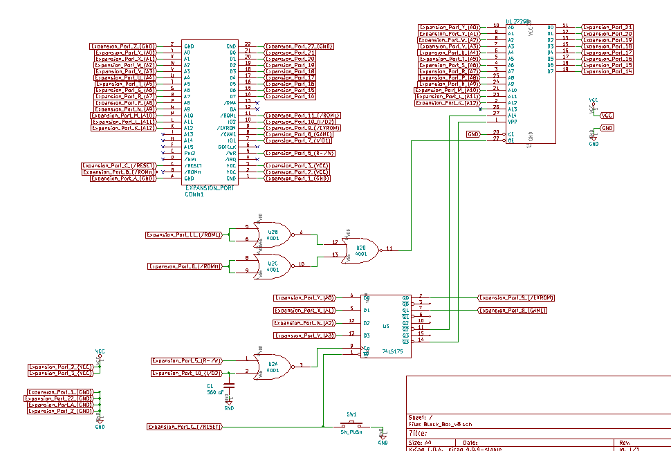
Mam pewien (zapewne banalny) problem z podłączaniem ukrytych pinów zasilających do VCC i GND. Mianowicie - ukryte piny są zdefiniowane gdzieś w bibliotekach komponentów. Nijak nie widzę ich we właściwościach komponentów, przez co nie mogę podłączyć ich do obowiązującego na schemacie zasilania VCC i GND.
Dlatego też strefy (zwane zazwyczaj polygons) nie chcą mi się podczepić / wypełnić masą:
W liście sygnałów (właściwości strefy) na liście wyboru sygnału nie mogę też znaleźć ani VCC, ani GND. Widzę natomiast VDD i VSS (na których mi nie zależy):
Ktoś podpowie jak to się robi w KiCadzie? Jak podłącza się ukryte zasilania, do obowiązującej na schemacie nomenklatury sygnałów?
Mam pewien (zapewne banalny) problem z podłączaniem ukrytych pinów zasilających do VCC i GND. Mianowicie - ukryte piny są zdefiniowane gdzieś w bibliotekach komponentów. Nijak nie widzę ich we właściwościach komponentów, przez co nie mogę podłączyć ich do obowiązującego na schemacie zasilania VCC i GND.
Dlatego też strefy (zwane zazwyczaj polygons) nie chcą mi się podczepić / wypełnić masą:
W liście sygnałów (właściwości strefy) na liście wyboru sygnału nie mogę też znaleźć ani VCC, ani GND. Widzę natomiast VDD i VSS (na których mi nie zależy):
Ktoś podpowie jak to się robi w KiCadzie? Jak podłącza się ukryte zasilania, do obowiązującej na schemacie nomenklatury sygnałów?
