logo elektroda
logo elektroda
X
logo elektroda
REKLAMA
REKLAMA
Adblock/uBlockOrigin/AdGuard mogą powodować znikanie niektórych postów z powodu nowej reguły.

[E46 320D Touring] - Jak podłączyć LEDy podświetlenia nóg do świateł pozycyjnych?

cspek5 14 Wrz 2017 22:28 2289 8
REKLAMA
  • #1 16699967
    cspek5
    Poziom 9  
    Mam pytanie odnośnie podświetlenie nóg, kierowcy i pasażera. Mam zamiar kupić, taśmę led pomarańcz, przekażnik zwierno rozwierny(o ile będzie potrzebny). Chce aby po otworzeniu drzwi lub otwarciu po prostu samochodu(wtedy lampka podsufitką się włącza) ledy się zapaliły i świeciły mimo wyłączenia się lampki, aż do momentu włączeniu świateł pozycyjnych czy mijania. Jak to podłączyć? Wiem, że łatwiej bym miał gdyby ledy zapalały się wraz z lampka podsufitki(umiem to podłączyć) ale nie wiem dokladnie jak wygląda podłączenie.
  • REKLAMA
  • #2 16700201
    DriverMSG
    Admin grupy komputery
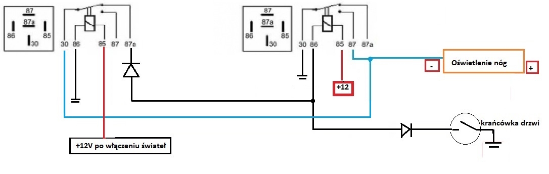
    Nie wiem jak masz w tym aucie zrobione sterowanie światłem kabinowym. Jeśli jak w większości aut minusem, to wystarczy tak podłączyć:

    [E46 320D Touring] - Jak podłączyć LEDy podświetlenia nóg do świateł pozycyjnych?


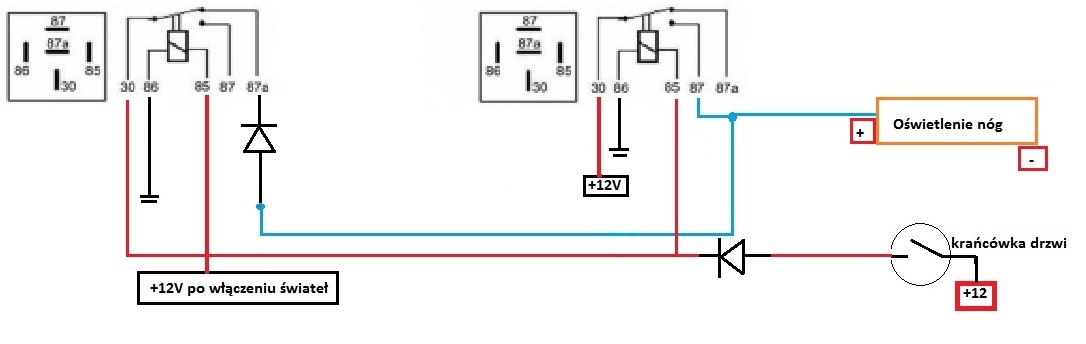
    Przy sterowaniu plusem:

    [E46 320D Touring] - Jak podłączyć LEDy podświetlenia nóg do świateł pozycyjnych?

    Myślę, że tak powinno działać poprawnie.
    Potrzebne są 2 przekaźniki zwierno rozwierne i dwie diody prostownicze.

    Przekaźnik (po prawej stronie) załącza oświetlenie nóg po otwarciu drzwi i poprzez diodę i (lewy) przekaźnik, podtrzymuje włączone oświetlenie nóg po zamknięciu drzwi.
    Lewy przekaźnik ma za zadanie rozłączyć oświetlenie po włączeniu świateł.
    Dioda między przekaźnikami a włącznikiem drzwiowym zabezpiecza układ przed zapętleniem się obwodu. Bez niej nie zgaśnie światło kabionowe po zamknięciu drzwi.

    Jeśli coś poknociłem, proszę mnie poprawić :)
  • #3 16700406
    cspek5
    Poziom 9  
    Dzięki ! Spróbuje to podłączyć i zobaczymy, co z tego wyjdzie.


    DriverMSG napisał:
    Nie wiem jak masz w tym aucie zrobione sterowanie światłem kabinowym. Jeśli jak w większości aut minusem, to wystarczy tak podłączyć:

    [E46 320D Touring] - Jak podłączyć LEDy podświetlenia nóg do świateł pozycyjnych?


    Przy sterowaniu plusem:

    [E46 320D Touring] - Jak podłączyć LEDy podświetlenia nóg do świateł pozycyjnych?

    Myślę, że tak powinno działać poprawnie.
    Potrzebne są 2 przekaźniki zwierno rozwierne i dwie diody prostownicze.

    Przekaźnik (po prawej stronie) załącza oświetlenie nóg po otwarciu drzwi i poprzez diodę i (lewy) przekaźnik, podtrzymuje włączone oświetlenie nóg po zamknięciu drzwi.
    Lewy przekaźnik ma za zadanie rozłączyć oświetlenie po włączeniu świateł.
    Dioda między przekaźnikami a włącznikiem drzwiowym zabezpiecza układ przed zapętleniem się obwodu. Bez niej nie zgaśnie światło kabionowe po zamknięciu drzwi.

    Jeśli coś poknociłem, proszę mnie poprawić :)
  • REKLAMA
  • #5 16700418
    cspek5
    Poziom 9  
    Popraw mnie jeśli źle coś zrozumiałem :D Do lewego przekażnika na +12V podłączam + z oświetlenia świateł, do prawego + 12 podłączam + z oświetlenia kabinowego, a + z oświetlenia nóg izoluje taśma?
  • REKLAMA
  • #7 16700424
    cspek5
    Poziom 9  
    A reszta jest dobrze, tak jak napisałem?
  • REKLAMA
  • #8 16700429
    DriverMSG
    Admin grupy komputery
    W przypadku pierwszego schematu, Oświetlenie na nogi i zasilanie prawego przekaźnika 85 bierzesz z B+.
    W przypadku drugiego schematu zasilanie prawego przekaźnika 30 z B+, a oświetlenie minus do masy pojazdu.

    Wersje poprawione:
    [E46 320D Touring] - Jak podłączyć LEDy podświetlenia nóg do świateł pozycyjnych?

    [E46 320D Touring] - Jak podłączyć LEDy podświetlenia nóg do świateł pozycyjnych?
  • #9 16700616
    cspek5
    Poziom 9  
    Dzięki! wstawie zdj jak to zrobie
REKLAMA