Witam!
Od paru dni borykam się z problemem podtrzymania zasilania przez MCU. Generalnie chcę osiągnąć taki scenariusz:
1) Na początku układ nie działa
2) Po wciśnięciu switch-a lub zadziałaniu zestyku kontaktronowego, układ wraz ze stabilizatorem napięcia powinien dostać zasilanie i tym samym powinno zostać zasilone MCU
3) Gdy MCU zostanie zasilone, to na określonym pinie powinien ustawić się odpowiedni stan logiczny
4) Ustawiony przez MCU stan logiczny powinien wymuszać podtrzymanie zasilania bez względu już na to, czy switch lub kontaktron jest zwarty czy nie.
5) Gdy MCU skończy swoją robotę, to na określonym wcześniej pinie powinien ustawić odpowiedni stan logiczny (przeciwny od poprzedniego) i tym samym odciąć sobie sam zasilanie.
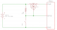
Szukałem w Internecie kilka rozwiązań, lecz żadnego nie udało mi się pomyślnie zrealizować.
Korzystałem z takich układów:

Niestety, żaden nie chciał prawidłowo działać.
Czy ma ktoś może jakąś swoją wizję na rozwiązanie tego problemu?
Dziękuję i pozdrawiam,
Marcin Drobiec.
Od paru dni borykam się z problemem podtrzymania zasilania przez MCU. Generalnie chcę osiągnąć taki scenariusz:
1) Na początku układ nie działa
2) Po wciśnięciu switch-a lub zadziałaniu zestyku kontaktronowego, układ wraz ze stabilizatorem napięcia powinien dostać zasilanie i tym samym powinno zostać zasilone MCU
3) Gdy MCU zostanie zasilone, to na określonym pinie powinien ustawić się odpowiedni stan logiczny
4) Ustawiony przez MCU stan logiczny powinien wymuszać podtrzymanie zasilania bez względu już na to, czy switch lub kontaktron jest zwarty czy nie.
5) Gdy MCU skończy swoją robotę, to na określonym wcześniej pinie powinien ustawić odpowiedni stan logiczny (przeciwny od poprzedniego) i tym samym odciąć sobie sam zasilanie.
Szukałem w Internecie kilka rozwiązań, lecz żadnego nie udało mi się pomyślnie zrealizować.
Korzystałem z takich układów:
Niestety, żaden nie chciał prawidłowo działać.
Czy ma ktoś może jakąś swoją wizję na rozwiązanie tego problemu?
Dziękuję i pozdrawiam,
Marcin Drobiec.