logo elektroda
logo elektroda
X
logo elektroda
REKLAMA
REKLAMA
Adblock/uBlockOrigin/AdGuard mogą powodować znikanie niektórych postów z powodu nowej reguły.

Audi A6 3.0TDI 2004 ASB - Schemat wtyczek 4-pinowych V157 i V275

inhoss 18 Wrz 2017 23:57 2529 8
REKLAMA
  • #1 16707190
    inhoss
    Poziom 10  
    Witam. Potrzebuje schemat 4 pinowych wtyczek do silników (sterowników) kolektora sącego klap w 3.0TDI w audi a6 2004r silnik ASB. Są to silniki klap o oznaczeniu: lewy v157 i prawy v275. VIN auta: WAUZZZ4F25N007555.
  • REKLAMA
  • Pomocny post
    #2 16707376
    spinacz
    Poziom 42  
    Prawy lewy nie jestem w stanie ci powiedzieć ale:

    pin1 - brązowy
    pin2 - czerwono biały
    pin3 - czarno czerwony
    pin4 - czerwono niebieski

    pin1 - brązowy
    pin2 - czerwono biały
    pin3 - biało czerwony
    pin4 - żółty

    Sprawdź czy pasują Ci kolory.
  • REKLAMA
  • #3 16707524
    inhoss
    Poziom 10  
    Dzięki, kolory mam ok. W prawym kolektorze jeden pin mam gdzieś przerwany w wiązce. Chce wszystkie 8 kabli sprawdzić dla pewności ale nie wiem gdzie te piny idą. Wiem że jest masa plus i dwa sygnałowe w każdej wtyczce. Pewnie idą do ecu silnika ale do jakich pinów ..... nie wiem :( tak bym sobie miernikiem wszystko posprawdzał przejścia. Moja elsa niestety nie ma schematów c157 i v275 od 3.0tdi.
  • REKLAMA
  • Pomocny post
    #4 16707570
    lukash3
    Poziom 16  
    Hej,

    Z pierwszego do ECU - b19, a31

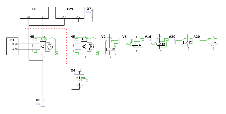
    Z drugiego do ECU - b36 a88

    1 pin to masa, 2 pin zasilanie.
  • #5 16707614
    inhoss
    Poziom 10  
    Super :) Masz może foto schematu?
  • Pomocny post
    #6 16707624
    lukash3
    Poziom 16  
    Takie coś - to są elementy h5

    Audi A6 3.0TDI 2004 ASB - Schemat wtyczek 4-pinowych V157 i V275
  • #7 16707662
    inhoss
    Poziom 10  
    to pewnie będą wtyczki z ecu: t60b/ piny 19 i 36
    oraz t94a/ piny 31 i 88.
  • REKLAMA
  • Pomocny post
    #8 16707688
    spinacz
    Poziom 42  
    Potwierdzam piny 36,19 i 88,31.
  • #9 16708555
    inhoss
    Poziom 10  
    Znalazłem też w elsawin schemat. Wszystko się potwierdza. :)

    Audi A6 3.0TDI 2004 ASB - Schemat wtyczek 4-pinowych V157 i V275
REKLAMA