logo elektroda
logo elektroda
X
logo elektroda
REKLAMA
REKLAMA
Adblock/uBlockOrigin/AdGuard mogą powodować znikanie niektórych postów z powodu nowej reguły.

Alfa Romeo 166 - Nie działa nadmuch na ICS napis OFF.

kubas10 29 Wrz 2017 15:55 2706 2
REKLAMA
  • #1 16728070
    kubas10
    Poziom 25  
    Witam kolegów po fachu, Alfa Romeo 166 2.0 TS 110kW 2002r. Wymieniłem nagrzewnice, uruchomiłem samochód i ustawiłem nadmuch na max. Wentylator nie ruszył ale gdy poruszałem kablami na podszybiu to wentylator ruszył a potem zdechł i na wyświetlaczu nie pokazuje temperatury zewnętrznej i jest cały czas OFF na ICS. Sprawdziłem wszystko 2 razy, bezpieczniki, przekaźniki, panel klimatronika używany, wtyczki pod kierownicą, wtyczki za ICS-em. Z klimą nie mogę się połączyć, w ICS-ie błąd "kontrola klimatyzatora - błąd aktualny". Wszystkie zasilania i masy.
  • REKLAMA
  • #2 16728142
    Chris von Luke
    Poziom 11  
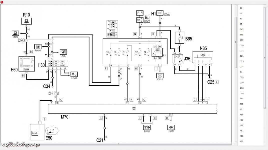
    Na podszybiu nie masz czasem czujnika temperatury? Weź tam zajrzyj i sprawdź czy wszystko ok. Poszukaj sobie resztę tego schematu: Alfa Romeo 166 - Nie działa nadmuch na ICS napis OFF.
  • #3 16728177
    kubas10
    Poziom 25  
    Czujnik jest w lewym lusterku, wykazuje ok 8k (mierzone tuż przy wtyczce klimatornika) i spada po podgrzaniu / rośnie po schłodzeniu. Czujnik i jego sygnał jest ok.

    Dodano po 18 [godziny] 18 [minuty]:

    Potrzebowałbym schemat 3 wtyczek od panelu climatronic. Czy odepnę panel czy nie zgłasza błąd "kontrola klimatyzatora", jak odepnę przyciski od sterowania nawiewami zgłasza błąd "sterowanie ICS - Climatronik", jak podepnę błąd kasuje. Założyłem drugi panel klimatronika i jest to samo, wniosek jest taki że problem mam w obwodzie klimatronika.
REKLAMA