logo elektroda
logo elektroda
X
logo elektroda
REKLAMA
REKLAMA
Adblock/uBlockOrigin/AdGuard mogą powodować znikanie niektórych postów z powodu nowej reguły.

Ograniczenie prądu ładowania dodatkowego akumulatora

Brayan10 05 Paź 2017 13:24 3552 15
REKLAMA
  • #1 16739353
    Brayan10
    Poziom 10  
    Witam,

    chciałem zapytać w jaki sposób mogę najłatwiej ograniczyć prąd ładowania dodatkowego akumulatora do wartości max.3,5A.

    Ten akumulator to mały żelowy aku 12V/12Ah który podczas swojej pracy będzie obciążony w dosyć mały stopniu, czyli około 800mA.

    Ograniczenie prądu ładowania dodatkowego akumulatora
  • REKLAMA
  • Pomocny post
    #2 16739395
    jarekgol
    Poziom 38  
    szeregowo żarówką
  • #3 16739398
    Brayan10
    Poziom 10  
    A coś więcej? W jaki sposób miało by to działać? Jak dobrać parametry aby maksymalny prąd wynosił akurat 3.5A?
  • REKLAMA
  • #4 16739406
    Jawi_P
    Poziom 35  
    Ale w pewnym momencie te akumulatory połączą się równolegle. Będą płynąć prądy wyrównawcze.
    Czyli jeden z nich będzie ładował ten o niższym napięciu.
    A choćby żarówka szeregowo zastąpi rezystor, przy czym nie będziesz wiedział czy to jest 3,5A.
    Jeśli koniecznie ma być 3,5A to elektronicznie można to zrobić, pytanie tylko po co?
    Jeżeli już koniecznie musiałyby zostać dwa akumulatory, to może "odseparować" je diodą Schotky? Czyli w zaznaczonym miejscu w kierunku przewodzenia wstawić odpowiednią diodę?
  • #5 16739502
    jarekgol
    Poziom 38  
    chciałeś prosto oraz ograniczyć, a nie stabilizować. A dalej to już zależy od przyjętych założeń.
    W przybliżeniu musisz przyjąć jakieś maksymalne napięcie różnicowe między rozładowanym aku dodatkowym, a alternatorem powiedzmy Ur (na przykład 14V - 10,75V = 3,25V, powiedzmy 3,5V
    R = U/I -> 3,5V / 3,5A = 1ohm :) daj taki opornik dużej mocy (12W) i będzie fajnie.
    Oczywiście musisz sobie ogarnąć żeby dodatkowy aku ci się nie rozładował zbyt głęboko, oraz rozłączać te przekaźniki gdy alternator stoi.

    W praktyce polecam żarówkę 12V 50-60W z przednich świateł, przy 12V płynie przez taką ok.5A więc na moje oko będzie dobrze.
    ps. jakie parametry ma dodatkowy akumulator i skąd te 3,5A ? i czy zależy Ci na szybkim ładowaniu?
    dobra już widzę 12Ah, to jeszcze pytanie jak chcesz mieć stabilne napięcie i w ogóle jakie na wyjściu z tego dodatkowego aku?
  • REKLAMA
  • #6 16739506
    Brayan10
    Poziom 10  
    Akumulatory będą połączone równolegle tylko i wyłącznie w przypadku gdy alternator będzie już normalnie pracował czyli ładował akumulatory. Czy w tedy też akumulatory będą się wzajemnie ładowały? Właśnie po to są te przekaźniki żeby je odseparować.

    Jawi_P napisał:
    Jeśli koniecznie ma być 3,5A to elektronicznie można to zrobić, pytanie tylko po co?


    I właśnie o to mi chodzi.... Jak to zrobić? jak zrobić ograniczenie prądowe na 3.5A.

    Dodano po 2 [minuty]:

    jarekgol napisał:

    ps. jakie parametry ma dodatkowy akumulator i skąd te 3,5A ? i czy zależy Ci na szybkim ładowaniu?


    Tak jak pisałem na początku aku ma parametry 12V 12Ah. Z tego wynika że maksymalny prąd ładowania to 0,3C -> 3.6A.
  • #7 16739516
    jarekgol
    Poziom 38  
    Ograniczenie to nie to samo co źródło stałoprądowe. Musisz wiedzieć co potrzebujesz.

    Jak chcesz ambitnie to wypada mierzyć prąd na oporniku szeregowo wpiętym między akumulatory, puścić to na wzmacniacz operacyjny i odsterować wzmocnionym sygnałem tranzystor stojący też szeregowo z dodatkowym akumulatorem (tak w skrócie).
  • #8 16739526
    Brayan10
    Poziom 10  
    jarekgol napisał:
    to jeszcze pytanie jak chcesz mieć stabilne napięcie i w ogóle jakie na wyjściu z tego dodatkowego aku?


    To co jest za dodatkowym aku nie ma już żadnego znaczenia. Tam jest mały odbiornik który ma w sobie odpowiedni stabilizator. Chodzi mi tylko o to jak ograniczyć prąd w przypadku gdyby ten dodatkowy aku rozładował się w jakimś większym stopni. Po prostu nie chcę aby dodatkowy aku ładował się większym prądem niż 3.5A bo taki maksymalny prąd ładowania dopuszcza producent aku.

    Dodano po 2 [minuty]:

    jarekgol napisał:
    Ograniczenie to nie to samo co źródło stałoprądowe. Musisz wiedzieć co potrzebujesz.


    Czy ja gdziekolwiek wspomniałem że chcę zrobić źródło prądowe? Mi chodzi tylko o górne ograniczenie, nic więcej.
  • REKLAMA
  • #9 16739546
    jarekgol
    Poziom 38  
    Ograniczenie prądu ładowania dodatkowego akumulatoraNo to jak wsadzisz tam 2 żarówki 21W równolegle, gdzie przez każdą przy 12V płynie jakieś 1,5A (mierzyłem wczoraj) to nawet jak podłączysz pusty aku (0V) to nie pobierze więcej niż 3A. Żarówki zaświecą pełnym światłem i prąd będzie ~3A. Potem w miarę podnoszenia się napięcia na aku, prąd będzie spadał i żarówki przygasną, aż do pełnego naładowania.
    Wada, że przy obciążeniu 0,8A tam się nie pojawi pełne napięcie alternatora.

    Możesz zrobić proste źródło stąd http://www.koloroweru.pl/strony/welektronika.html (sam dół strony) takie źródła zakładają spadek ~0,6V na oporniku pomiarowym. Są mało stabilne cieplnie, ale do ładownia aku się nadają.

    Przepraszam za niedostarczenie gotowca, ale jeśli chcesz mieć to prosto, to potrzebne są pewne kompromisy.
    Jeśli chcesz mieć pełne napięcie alternatora na dodatkowym aku, to pojawiają się problemy że na każdym elemencie pomiarowym jak i tranzystorze będziesz miał spadki. Pomiar prądu na oporniku w okolicach zasilania trudno się wkłada na wzmacniacz operacyjny pracujący z tego samego zasilania (są niby rail to rail) ale tak czy inaczej robi się z tego konstrukcja.
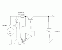
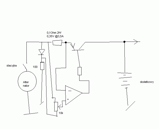
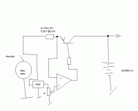
    Spróbuję narysować schemat, ale dobrać dokładnie elementy i przyjąć jakieś założenia musisz sam.

    Ograniczenie prądu ładowania dodatkowego akumulatora
  • #10 16739596
    Brayan10
    Poziom 10  
    Nie oczekuję jakiegoś w pełni gotowego rozwiązania. Jakiś poglądowy schemat był by na prawdę bardzo pomocny. Nie jest dla mnie problemem stworzenie jakiejś konstrukcji elektronicznej więc mogę pozwolić sobie na coś bardziej ambitnego niż żarówki, o ile będzie to dobrze działało.

    Jeśli chodzi o jakieś założenia to mogę przyjąć że aku nie będzie rozładowany poniżej 10V bo odbiornik posiada zabezpieczenie przed nadmiernym rozładowaniem.
  • #11 16739607
    Megawe
    Poziom 34  
    Można sprawdzić jaki prąd będzie przepuszczał elektroniczny regulator napięcia z duzego fiata stosowany do alternatora 6 diodowego. Regulator taki dostawał prąd po stacyjce i przepuszczał na wirnik prąd w granicach 3 amper. Regulator taki ograniczał prąd ładowania regulując natężenie prądu wzbudzania.
  • #12 16739622
    jarekgol
    Poziom 38  
    Zrobiłem poprawkę, bo tamten nie miał prawa działać. Dioda robi za stabilizator, bo napięcia które chcesz porównywać Ograniczenie prądu ładowania dodatkowego akumulatorasą na poziomie -0,35V względem plusa zasilania, na diodzie będzie 0,6-0,7 resztę potencjometrem ustawisz.

    Uważaj na:
    moc która może wydzielić się na tranzystorze (14V-10V)*3,5A = 14W
    prąd potrzebny do wysterowania bazy, wzmacniacz musi dawać radę, no i każdy tranzystor ma inne wzmocnienie.
    Ograniczenie prądu ładowania dodatkowego akumulatora
  • #13 19747152
    Ricorro
    Poziom 17  
    Zanim zaczniecie pisac doktorat z tego to pomyślcie jaki prąd ładowania daje alternator po uruchomieniu silnika na np mrozie po kilku dniach stania albo po dłuższym słuchaniu radia itp itp czy aby to nie jest kilka lub kilkadziesiąt A - mierzył ktoś? ..... i co i nic!
    Nie znaczy to że to zdrowe dla aku ale a zresztą szkoda czasu rozwijać temat pisałem juz na ten temat "doktorat".

    Dodano po 3 [minuty]:

    Drogi Brayan-e10 i dla wielu potomnych to bez znaczenia wewnętrzna rezystancja po paru chwilach ograniczy prąd i nawet jeśłi mniej pożyje to i tak ty dłużej skrócisz sobie życie dywagacjami nad tym.
    Pomimo że kotlet z pół wieka chwała tym bohaterom że temat nie zamknięty i można coś jeszcze dodać!
  • #14 19747166
    vorlog
    Poziom 40  
    Żeby pogodzić dyskutantów, a może dolać oliwy do ognia- jak jest rozwiązane ładowanie dodatkowego, małego akumulatora podtrzymania systemów bezpieczeństwa w takim Mercedesie W211 przedliftowym, z pompą hamulcową SBC? :D
    W załaczniku schemat z legendą, po naszemu, bawcie się dobrze :P
    Dla uproszczenia- G1= akumulator główny/rozruchowy, G1/7= akumulator pomocniczy
    A! Przy okazji- ten pomocniczy wymieniłem na początku roku, no wysiadł, bubel jeden, a wygląda na fabryczny, auto z 2006 roku...
    V.
  • #15 19808545
    Ricorro
    Poziom 17  
    A jeszcze dodam że podczas ładowania aku lubi impulsy prądowe a dając w szereg żarówkę bardzo ogranicza się pulsacje . Pisze po obserwacji na oscyloskopie i widocznym spadku prądu w piku na jednopołówkowym gdy jest żarówka w szeregu oczywiście prąd spada tak jak Panowie piszecie i ograniczenie działa .
REKLAMA