logo elektroda
logo elektroda
X
logo elektroda
REKLAMA
REKLAMA
Adblock/uBlockOrigin/AdGuard mogą powodować znikanie niektórych postów z powodu nowej reguły.

Opel Astra G - Konwersja sygnału obrotów silnika V6 na obrotomierz R4

elmer2 17 Paź 2017 13:23 1719 4
REKLAMA
  • #1 16762396
    elmer2
    Poziom 28  
    Witam

    Dokonałem własnymi siłami SWAP silnika z Vectry B 2.5 V6 (kod silnika X25XE sterownik Motronic M 2.8) do Opla Astry G.
    Wszystko ładnie i pięknie, ale odczyt obrotów w Astrze G jest zawyżony w stosunku 3/2, np. wskazanie obrotomierza to 3000 [obr/min] podczas, gdy w rzeczywistości jest 2000 [obr/min]. Sprawdziłem to programem do LPG.

    Chcąc zostawić seryjny obrotomierz (cyferblat) z Astry G potrzebuję jakiś ukłąd konwertera obrotów.

    Zrobiłem układ jak w załączniku oparty na trzech diodach i rezystorze.
    Niby działa, ale wskazówka obrotomierza nie przemieszcza się płynnie tylko jakby tak podrygiwała. Oprócz tego jest nagły przeskok wskazania z ok. 3000 na 4000 [obr/min]

    Czy ktoś z Was ma i zechcę się podzielić rozwiązaniem tego problemu ?

    Pozdrawiam
  • REKLAMA
  • #2 16762417
    andrzej20001
    Poziom 43  
    Cos na ukł. 555 zmotaj.
  • REKLAMA
  • #3 16762442
    elmer2
    Poziom 28  
    Mógłbyś mi przybliżyć ?
    Dawno już nie siedzę w elektronice i sporo zapomniałem :( .
  • REKLAMA
  • #5 16763618
    elmer2
    Poziom 28  
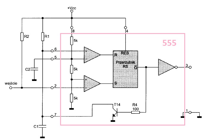
    Wymyśliłem sobie, że potrzebuję układ dzielnika częstotliwości.

    Schemat pochodzi z książki "Timer 555 w przykładach" strony 33 i 34 autor Krzysztof Górski.

    Czy o coś takiego chodzi ?
    Mam miernik UNIT UT107, którym mogę zmierzyć częstotliwość sygnału obrotomierza ze sterownika silnika V6.

    Wzór:

    1,1 x R1 x C1 = (n-0,5) / fwe

    gdzie:
    n - stopień podziału
    fwe - częstotliwość wejściowa, którą zmierzę

    Nie znam częstotliwości wejściowej obrotomierza silnika R4, dlatego trudno mi będzie dobrać rezystor i kondensator.

    Zastanawiam się czy przy zmianach częstotliwości wejściowej wartość rezystora i kondensatora pozostaje stała, bo ze wzoru wynika inaczej.

    Na przykład:
    dla fwe=300 [Hz] R1=1 [kOhm] wartość C1 wyniesie 3 [uF]
    dla fwe=200 [Hz] R1=1 [kOhm] wartość C1 wyniesie 4,5 [uF]

    Czy układ 555 sprawdzi się tylko dla stałej fwe ?
    W przypadku zmiany fwe układ ten nie spełni swojej funkcji ?

    Wartość n określam organoleptycznie, bo program LPG pokazuję mi realną wartość obrotów silnika 2000 [obr/min] podczas gdy obrotomierz wskazuję 3000 [obr/min]
    Wnioskuję:

    300/200 = 1,5

    Tyle powinna wynosić wartość n=1,5 i to jest wartość stała niezależnie od aktualnych obrotów.
REKLAMA