logo elektroda
logo elektroda
X
logo elektroda
REKLAMA
REKLAMA
Adblock/uBlockOrigin/AdGuard mogą powodować znikanie niektórych postów z powodu nowej reguły.

Zasilacz szeregowy z tranzystorem bipolarnym 18V 2A

zielu_mar 22 Paź 2017 13:50 1344 3
REKLAMA
  • #1 16771714
    zielu_mar
    Poziom 7  
    Witam!

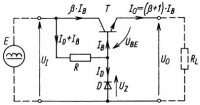
    Chciałbym wykonać jako prace do szkoły na ocenę zasilacz szeregowy z tranzystorem bipolarnym i diodą zenera na 18V 2-3A
    Posiadam:
    -trafo 20V 60VA
    -Tranzystory bd 135 i 140 oraz bd244c

    Znalazłem taki układ żeby nie było że nie szukałem:
    Zasilacz szeregowy z tranzystorem bipolarnym 18V 2A9181896900...486258.jpg Download (12.35 kB)

    Chciałbym jednak regulować w tym układzie napięcie i nie wiem jak przerobić ten układ

    Proszę także o podanie jakiego rezystora użyć i jakiej diody zenera oraz jaki tranzystor się nada.

    Byłbym wdzięczny za wzór płytki w jakimś programie.

    Jeśli to złe forum to proszę o przeniesienie.
  • REKLAMA
  • REKLAMA
  • #3 16771885
    zielu_mar
    Poziom 7  
    Reszta elementów oprócz tej diody Zenera i tranzystorów bez zmian?
    Użyję także scalonego mostka prostowniczego i zrobię sygnalizację działania LED.

    Pytanie jeszcze jak podłączyć ten potencjometr? Bo zawsze mam z tym problem.
  • #4 16771914
    gumisie
    Poziom 43  
    zielu_mar napisał:
    Pytanie jeszcze jak podłączyć ten potencjometr? Bo zawsze mam z tym problem.
    Potencjometr o charakterystyce liniowej (A), ślizgacz (środkowy odczep) do B T1 a te dwa skrajne jak na schemacie (obrót ośką potencjometru zgodnie z ruchem wskazówek zegara powinien powodować wzrost napięcia na wyjściu zasilacza). Pojemność C3 im większa tym lepsza, pamiętaj o napięciu "przebicia" kondensatora ( w przypadku twojego transformatora to min. 35V). W szereg z rezystorem R3 (dobrać wartość) wstawiasz LED który masz zamiar użyć.
REKLAMA