logo elektroda
logo elektroda
X
logo elektroda
REKLAMA
REKLAMA
Adblock/uBlockOrigin/AdGuard mogą powodować znikanie niektórych postów z powodu nowej reguły.

Jak zaprojektować układ 9-krokowy w Fluidsim bez użycia czasówek?

.Anonimowy. 25 Paź 2017 20:34 525 0
REKLAMA
  • #1 16779320
    .Anonimowy.
    Poziom 7  
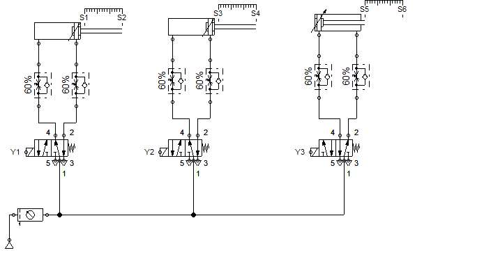
    Witam, czy jest ktoś w stanie pomóc mi w zaprojektowaniu układu na podstawie cyklogramy załączonego poniżej? Cały sęk w tym, że układ nie może być zaprojektowany na czasówkach. Zawory A,B i C muszą być monostabilne. Próbowałem zbudować schemat, lecz na innych czujnikach niż czasówki nie umiem i nie mam pomysłu. Z góry dzięki za pomoc!
  • REKLAMA
REKLAMA