Czy wolisz polską wersję strony elektroda?
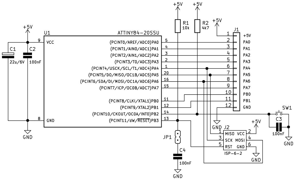
Nie, dziękuję Przekieruj mnie tamtomneg napisał:...tylko pamiętaj o podciąganiu pinu PB2 do VCC...
tmf napisał:domyślnie MCU używa wewnętrznego generatora RC
yogi009 napisał:
Prawdopodobnie tak ustawiają fabrycznie wszystkie Attiny
yogi009 napisał:Według opisów znalezionych w sieci i dotyczących minimalnych wymogów podłączenia mikrokontrolera AVR pin "Reset" powinien być podciągnięty do plusa zasilania przez rezystor 10k i do masy przez kondensator 100nF (o ile dobrze pamiętam, chodzi o dobrą pracę w warunkach zakłóceń). Zdarza się jednak, że ten kondensator uniemożliwia zaprogramowanie mikrokontrolera w układzie (In System Programming - ISP), wtedy rozłączamy zworkę na czas programowania.