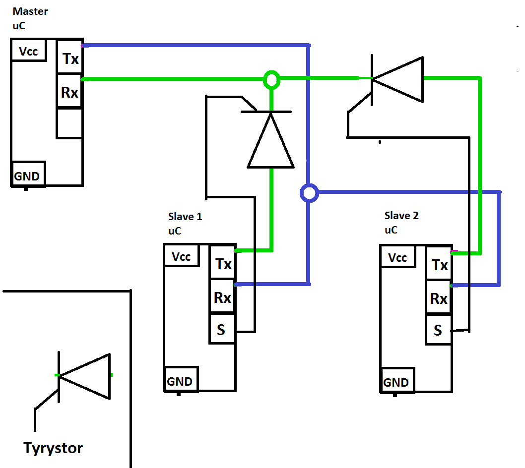
Witam, mam bardzo delikatny temat. Do postu dołączam dwa schematy. Na pierwszym ujrzycie połączenie dwóch uC działających jako "Slave" i jednego jako "Master". Na drugim zobaczycie już schemat zastępczy, z rozrysowanym problemem. (Pierwszy rysunek jest po to aby ogarnąć dlaczego drugi ma połączone wyjścia Tx).
Tych pinów nie wolno łączyć ponieważ jest niewielka szansa że jeden akurat zacznie nadawać, tym samym obniżając napięcie do "bitu startu". A to z koleji doprowadzi do zwarcia. Następstwem tego może być spalony uC.
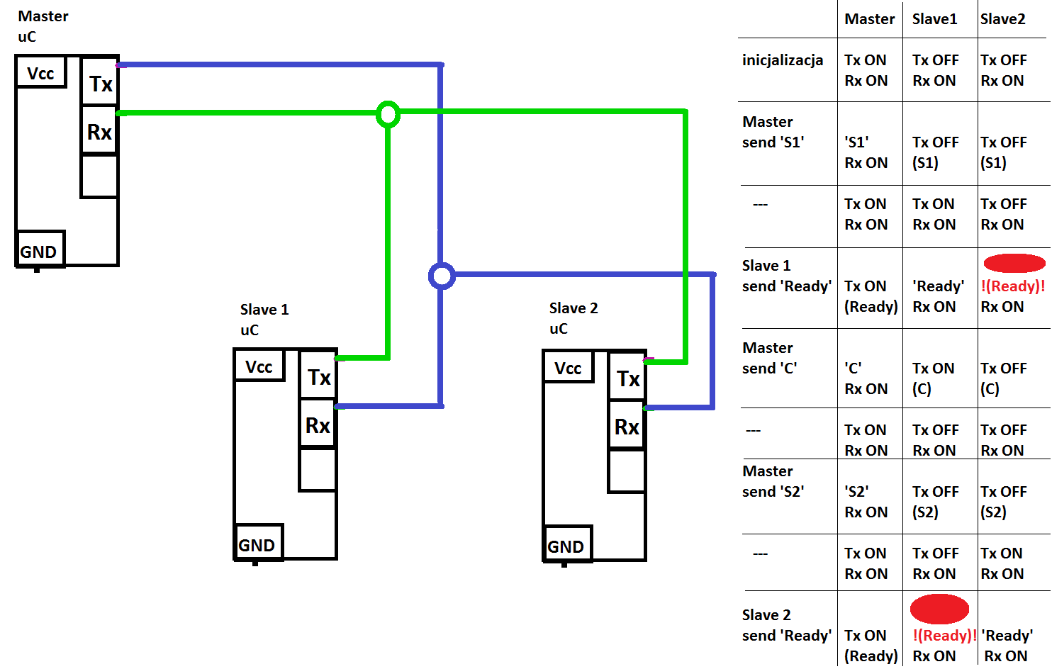
Wymyśliłem takie rozwiązanie problemu:
Na początku piny Tx Slave'ów są wyłączone ( UCSRB |= (0<<TXEN) | (1<< RXEN) ). Obsługują natomiast odbiór, i jezeli odczytaja wiadomość od Mastera to odpowiedni if(), spowoduje włączenie pinu Tx JEDNEGO Slave'a. To, według mojego planu ma pozwolić na komunikację Slave -> Master bez uszkadzania ORAZ wpływu innego Slave'a.
W razie pytań co do schematów piszcie. Dajcie znać czy to może się udać. Nie chce ryzykować spalenia dopóki ktoś mi nie powie że to może działać, albo nie zaproponuje ciekawszego rozwiązania.

Na drugim obrazku jest zamieszczona tabela przykładowej pracy układu. Moment w którym spodziewam się problemu jest wyróżniony czerwoną elipsą. est to moment, gdy na innym pinie Tx pojawia się wiadomość, która ma być dostarczona do Mastera.
P.S. Myślałem też o dodatni dodatkowego pinu sygnałowego na bazę tranzystora i komunikację przez tranzystory. Ale im mniej elementów tym lepiej.
Tych pinów nie wolno łączyć ponieważ jest niewielka szansa że jeden akurat zacznie nadawać, tym samym obniżając napięcie do "bitu startu". A to z koleji doprowadzi do zwarcia. Następstwem tego może być spalony uC.
Wymyśliłem takie rozwiązanie problemu:
Na początku piny Tx Slave'ów są wyłączone ( UCSRB |= (0<<TXEN) | (1<< RXEN) ). Obsługują natomiast odbiór, i jezeli odczytaja wiadomość od Mastera to odpowiedni if(), spowoduje włączenie pinu Tx JEDNEGO Slave'a. To, według mojego planu ma pozwolić na komunikację Slave -> Master bez uszkadzania ORAZ wpływu innego Slave'a.
W razie pytań co do schematów piszcie. Dajcie znać czy to może się udać. Nie chce ryzykować spalenia dopóki ktoś mi nie powie że to może działać, albo nie zaproponuje ciekawszego rozwiązania.
Na drugim obrazku jest zamieszczona tabela przykładowej pracy układu. Moment w którym spodziewam się problemu jest wyróżniony czerwoną elipsą. est to moment, gdy na innym pinie Tx pojawia się wiadomość, która ma być dostarczona do Mastera.
P.S. Myślałem też o dodatni dodatkowego pinu sygnałowego na bazę tranzystora i komunikację przez tranzystory. Ale im mniej elementów tym lepiej.