Witam,
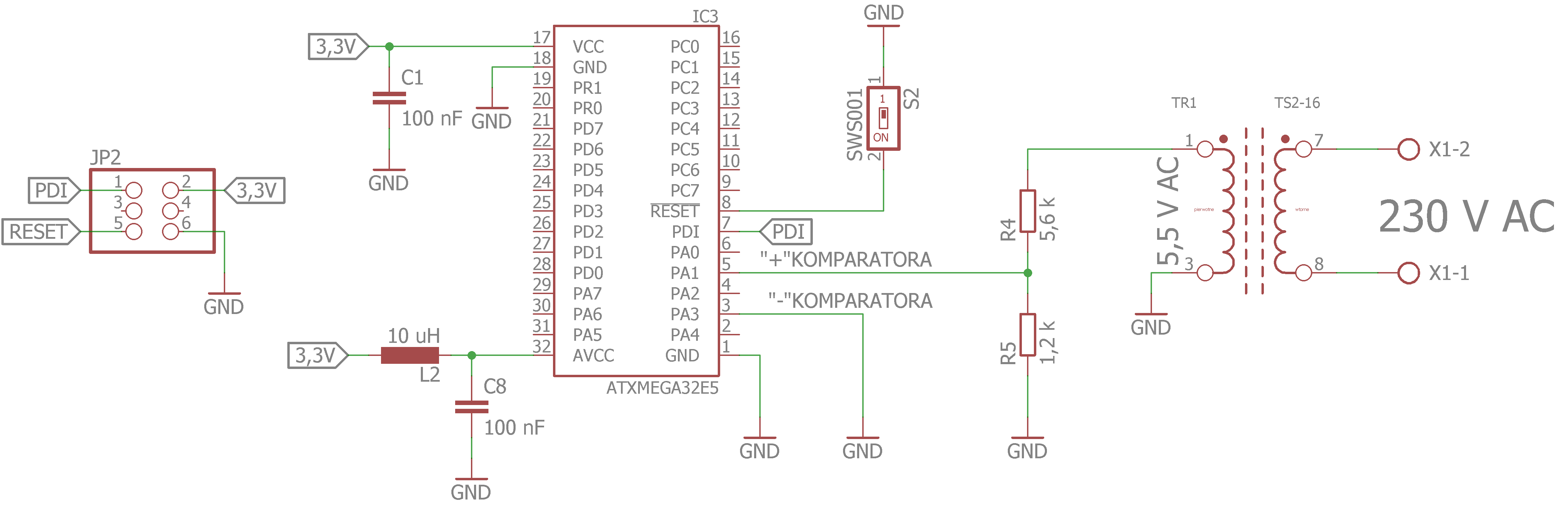
Mam pytanie o układ detekcji przejścia przez zero napięcia sieciowego, z separacją galwaniczną, za pomocą małego transformatora sieciowego 230V/5,5V, przedstawiony poniżej.
Wejście "+" komparatora jest wyprowadzone na pin PA1 i podłączone do dzielnika napięcia, a wejście "-" komparatora jest wyprowadzone na PA3 i podłączone do masy. Czyli przejście przez zero, będzie wywoływało zmianę stanu logicznego na wyjściu komparatora i programowo można by ustawić, przerwania na zbocze opadające i narastające. Czy taki układ z wewnętrznym komparatorem będzie działał poprawnie?

Mam pytanie o układ detekcji przejścia przez zero napięcia sieciowego, z separacją galwaniczną, za pomocą małego transformatora sieciowego 230V/5,5V, przedstawiony poniżej.
Wejście "+" komparatora jest wyprowadzone na pin PA1 i podłączone do dzielnika napięcia, a wejście "-" komparatora jest wyprowadzone na PA3 i podłączone do masy. Czyli przejście przez zero, będzie wywoływało zmianę stanu logicznego na wyjściu komparatora i programowo można by ustawić, przerwania na zbocze opadające i narastające. Czy taki układ z wewnętrznym komparatorem będzie działał poprawnie?
