Witam,
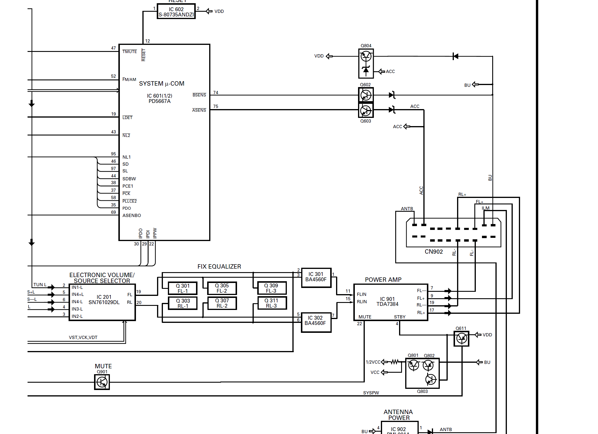
Posiadam radio PIONEER DEH-M6017ZH w Hondzie CRV II z 2005 r. Chciałbym mieć możliwość podłączenia telefonu/mp3 przez złącze aux. W instrukcji serwisowej znalazłem opis pinów:
Gniazdo po prawej jak się domyślam służy do podłączenia zmieniarki cd, które chciałbym wykorzystać do podłączenia jacka aux.
I zbliżenie na gniazdo po prawej:
Nigdzie nie znalazłem gotowych produktów,lub nie umiem znaleźć, dlatego proszę o pomoc w wykonaniu takiego kabelka.
Z góry dziękuję
Posiadam radio PIONEER DEH-M6017ZH w Hondzie CRV II z 2005 r. Chciałbym mieć możliwość podłączenia telefonu/mp3 przez złącze aux. W instrukcji serwisowej znalazłem opis pinów:
Gniazdo po prawej jak się domyślam służy do podłączenia zmieniarki cd, które chciałbym wykorzystać do podłączenia jacka aux.
I zbliżenie na gniazdo po prawej:
Nigdzie nie znalazłem gotowych produktów,lub nie umiem znaleźć, dlatego proszę o pomoc w wykonaniu takiego kabelka.
Z góry dziękuję
