logo elektroda
logo elektroda
X
logo elektroda
REKLAMA
REKLAMA
Adblock/uBlockOrigin/AdGuard mogą powodować znikanie niektórych postów z powodu nowej reguły.

Reno Laguna ph1 1.8 8v - Brak sterowania przekaznika pompy paliwa

adamekamator 09 Gru 2017 11:17 2784 12
REKLAMA
  • #1 16878313
    adamekamator
    Poziom 17  
    Witam kolegów znów mam problem z mim autkiem ty razem padło na sterowanie silnikiem a mianowicie brak sterowania przekaźnika pompy paliwa . Auto zgaszone normalnie nic nie grzebane po dosłownie 2 godzinach brak możliwości uruchomienia. Po kilku próbach uruchomienia zwróciłem że nie słychać pompy paliwa , więc maska we górę i sprawdziłem przekaźnik pompy okazał się uszkodzony ma zwarcie na cewce włożyłem inny i brak jego reakcji wiec zwarłem na krótko pompa ruszyła ale auto i tak nie odpaliło . Wyłącznik bezwładnościowy sprawny wbity zasilanie na cewkach zapłonowych jest . Brakuje masy sterującej przekaźnik wtryski i cewki zapłonowe . Koledzy potrzebuje opis wyjść komputera by przedzwonić kable czy są w porządku .Komputer to SIEMENS S113717108 D oby to nie był on padnięty .
  • REKLAMA
  • #2 16878429
    jacolino75
    Poziom 19  
    Sprawdź masy sterownika- pin 2,3 oraz zasilanie +30 pin 32.pozdr.
  • REKLAMA
  • #3 16878476
    adamekamator
    Poziom 17  
    Dzięki kolego za odpowiedz ale jak liczyć te piny są dwa rzędy patrząc od lewej są po 4 piny grube na górnym i dolnym rzędzie
  • Pomocny post
    #4 16878493
    jacolino75
    Poziom 19  
    Kurcze,nie mam rysunku złącza ale przyświeć sobie w złącze sterownika to powinny byś oznaczenia pinów lub na wtyczce.pozdr.
  • #5 16878574
    adamekamator
    Poziom 17  
    Dobrze kolego coś pokombinuje liczyłem na opis pinów który od czego by można posprawdzać

    Dodano po 53 [minuty]:

    Piny zaczynają się od lewej do prawej patrząc na złącze ECU pin1 na górnym rzędzie które to stały plus a które to po stacyjce i które sa od cewek wtrysków i przekaźnika pompy paliwa??

    Dodano po 25 [minuty]:

    Kolego masy na pinie 2i 3 są prawidłowe ale pin 30 i 32 cisza po załączeniu zapłonu pin 28 i 29 pojawia się plus , na pinie 31 pojawia się około 1V bezpieczniki wszystkie sprawdzanie miernikiem są w porządku .

    Dodano po 18 [godziny] 11 [minuty]:

    Dziękuje kolego za pomoc usterka usunięta , choć nadal jestem z góry wdzięczny jeśli ktoś podeśle mi opis tej wtyczki komputera .
  • #6 16880396
    MACIEK_M
    Poziom 29  
    Cytat:
    Dziękuje kolego za pomoc usterka usunięta


    Co było przyczyną usterki?
  • REKLAMA
  • #7 16881520
    adamekamator
    Poziom 17  
    Kolego Maciku jaki jet powód twego pytania? Jak mniemam ciekawość bo widzę ze podobny do mnie z zainteresowani . Nie uzyskując odpowiedzi na zadane pytanie a auto było potrzebne . Więc za czołem śledzić gdzie idą przewody i znalazłem białe złącze za akumulatorem . Po sprawdzeniu okazało się brak przejścia do pewności podłączyłem akumulator i pojawiło się napięcie na pinie przychodzącym z bezpieczników z auta . Wyjęcie bezpiecznika układy wtryskowego spowodowało zanik napięcia czyli to ten kabelek . Więc za czołem pruć wiązkę od ECU i znalazłem na tym kabelku przetarcie więc zdjąłem izolacje okazało się że przegnił . po zlutowaniu i założeniu termokurczu samochód odpalił na dotyk. Miejsce przetarcia to uchwyt wiązki przy pompie wspomagania narażony na dość duże drgania . Opisałem to dla zainteresowanych laików bo tobie kolego Maciek wystarczyło by zapewne ze przetart kabelek pinu 32 złącza ECU w wiązce.

    Dodano po 24 [minuty]:

    ps. Nadal licze na opis złącza ECU lub choć link do strony z tym opisem bo wujek google mnie nie chce dokształcić
  • REKLAMA
  • #8 16882181
    MACIEK_M
    Poziom 29  
    Cytat:
    Kolego Maćku, jaki jet powód twego pytania?


    Dla potomności.

    Inni, którzy będą mieli podobną usterkę, będą wiedzieli gdzie zacząć szukać.

    Wielu tutaj najpierw prosi o rady, a póżniej nie opisuje rozwiązania problemu.

    Dzięki forum uczymy się wszyscy.
  • #9 16882291
    adamekamator
    Poziom 17  
    Rozumiem myślę że dość obszernie odpowiedziałem no tą myśl Maciku popieram bo sam czytając posty innych usuwałem usterki bez zaśmiecania forum nowymi tematami.
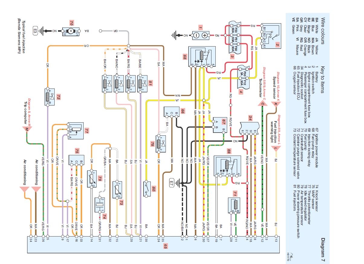
  • #11 16892188
    adamekamator
    Poziom 17  
    Kolego rozumiem że to jest opis mojego modelu ECU ? Czyli mogę zamknąć temat?
  • #12 16892361
    Wawrzyniec
    Poziom 38  
    To ten ECU. Trochę dziwnie rozrysowane, ale może w czymś pomoże.
  • #13 16894039
    adamekamator
    Poziom 17  
    Bardzo pomocny!! Wielkie dzięki wszystkim co pomogli oraz zdrowych wesołych nadchodzących świąt Bożego Narodzenia
REKLAMA