logo elektroda
logo elektroda
X
logo elektroda
REKLAMA
REKLAMA
Adblock/uBlockOrigin/AdGuard mogą powodować znikanie niektórych postów z powodu nowej reguły.

Jeep Grand Cherokee WJ - Wadliwa instalacja dodatkowego oświetlenia

WWLpiotrek 27 Gru 2017 17:37 1698 4
REKLAMA
  • #1 16916939
    WWLpiotrek
    Poziom 1  
    Witam.
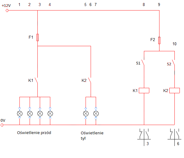
    Zrobiłem sobie w samochodzie dodatkowe oświetlenie na dachu do jazdy w terenie. Wszystko na nowych przewodach. Ostatnio pojawił się problem mianowicie po ponad roku używania tej instalacji zapaliła mi się żywym ogniem. W porę to zauważyłem i na szczęście nic się nie stało.
    W załączeniu wrzucam zdjęcie tej instalacji. Kolorem czerwonym zaznaczone są przewody 2,5mm2 a niebieskim 0,75mm2 (fabrycznie wypuszczone z lamp). Instalacja zaczęła się palić przy bezpieczniku F1 i cały się stopił. F1=15A (rurkowy). Lampy mają po 27W każda. Napięcie akumulatora 12V. Proszę o opinie co może być błędnie zrobione bo ja już nie mam pomysłu.

    @Edit: Dodane
  • REKLAMA
  • #2 16917021
    headshot
    Poziom 20  
    WWLpiotrek napisał:
    Witam.
    Zrobiłem sobie w samochodzie dodatkowe oświetlenie na dachu do jazdy w terenie. Wszystko na nowych przewodach. Ostatnio pojawił się problem mianowicie po ponad roku używania tej instalacji zapaliła mi się żywym ogniem. W porę to zauważyłem i na szczęście nic się nie stało.
    W załączeniu wrzucam zdjęcie tej instalacji. Kolorem czerwonym zaznaczone są przewody 2,5mm2 a niebieskim 0,75mm2 (fabrycznie wypuszczone z lamp). Instalacja zaczęła się palić przy bezpieczniku F1 i cały się stopił. F1=15A (rurkowy). Lampy mają po 27W każda. Napięcie akumulatora 12V. Proszę o opinie co może być błędnie zrobione bo ja już nie mam pomysłu.
    Nie ma zdjęcia

    Dodano po 23 [minuty]:

    Moim zdaniem za cienki przewód do bezpiecznika, lub gdzieś zwarcie do masy po kontakcie z wodą i błotem.
  • REKLAMA
  • #3 16917480
    milejow
    Poziom 43  
    Lipne połączenie oprawki/kabli z bezpiecznikiem, zwiększający się opór spowodował wydzielanie się ciepła na bezpieczniku i jego gnieździe, efekt to pożar instalacji.
    Rozdziel zasilanie przedniego i tylnego zestawu lamp, przedni zestaw zabezpiecz bezpiecznikiem 20A a tylny 10A. Konektory polutuj z przewodami, stosuj dobre gniazda bezpieczników i unikaj wszelkiej maści gównianych szybkozłączek do łączenia kabli.
  • REKLAMA
  • #4 16917511
    WWLpiotrek
    Poziom 1  
    Link
    Czy taka oprawka bezpiecznika będzie dobra?
REKLAMA