logo elektroda
logo elektroda
X
logo elektroda
REKLAMA
REKLAMA
Adblock/uBlockOrigin/AdGuard mogą powodować znikanie niektórych postów z powodu nowej reguły.

Nexia - Cykanie w aparacie zapłonowym, falujące obroty i problemy z akumulatorem

autominus 28 Gru 2017 08:03 684 6
REKLAMA
  • #1 16918220
    autominus
    Poziom 3  
    Witam,
    Od jakiegoś czasu mam dziwny problem z zasilaniem. W aparacie zapłonowym po odpaleniu słychać głośne cykanie i na cewce halla stopieniu ulega klej. Wymieniłem cewkę na nową i nic to nie pomogło - w nowej też stopił się klej. Dodatkowo występują falujące obroty między 750, a 1000 po rozgrzaniu silnika. Moduł zapłonowy nie posiada na obudowie oznak uszkodzeń.
    Nexia - Cykanie w aparacie zapłonowym, falujące obroty i problemy z akumulatorem

    Ale, zauważyłem pewien dziwny problem z akumulatorem. Gdy jest rozładowany ok. 12.3V, to miernikiem (multimeter) mogę zmierzyć jego napięcie. Natomiast po ładowaniu nie ma możliwość zmierzenia napięcia, gdy próbuję przyłożyć końcówki miernika to strzela i uszkodzeniu ulegają końcówki pomiarowe, jak i jeden miernik uległ uszkodzeniu.

    Czyżby ten objaw wskazywał na uszkodzenie akumulatora?
  • REKLAMA
  • #2 16918236
    keseszel
    Poziom 26  
    Nie podałeś typu miernika, jakim mierzysz napięcie. Masz miernik uszkodzony bądź na złym zakresie. "po ładowaniu" - rozumiem, że po naładowaniu prostownikiem akumulatora niszczy Ci miernik? Nie ma opcji by aku naładowało się nie wiadomo do jakiego napięcia.
    Cewka halla stopiona?
    - kiepski klej
    -zwarcie w obwodzie cewki, prąd idzie "galanty" ma prawo się stopić
    - grzeje się od czegoś w pobliżu
  • REKLAMA
  • #3 16918286
    autominus
    Poziom 3  
    Zwykły miernik - jeden został uszkodzony, to kupiłem drugi.
    Nexia - Cykanie w aparacie zapłonowym, falujące obroty i problemy z akumulatorem

    Dziwne, ale rozładowany mogę zmierzyć miernikiem, natomiast jak naładuję prostownikiem, to nie - cały czas strzela do końcówek miernika. Miernik jest na poprawnym zakresie, tym bardziej że rozładowany akumulator można zmierzyć. Mam jeszcze jeden lepszy miernik, ale szkoda żeby się uszkodził.

    Cewkę halla wymieniłem, a to samo dzieje się z nową - topi się klej. W wcześniej był problem z odpaleniem, wymieniłem cewkę również nie odpalił. W końcu rozładował się akumulator od kręcenia rozrusznikiem, zmieżyłem go ma 12.3V. Naładowałem i nie da się go zmierzyć. Udało się odpalić samochód, ale słychać głośne cykanie w obrębie aparatu, którego wcześniej nie było. Dźwięk przypomina jak by następowało spięcie/przeskok iskry.
    Poniżej cewki znajduje się moduł zapłonowy, ale podmieniłem go na nowy i nadal występuje dźwięk cykania i również jest problem z odpaleniem - raz odpala, a raz nie.
    Nexia - Cykanie w aparacie zapłonowym, falujące obroty i problemy z akumulatorem
  • REKLAMA
  • #4 16918296
    Doktorr
    Poziom 35  
    Uszkodzony moduł , zrobił się z niego generator impulsu i strzela iskra w kopułce.
    Wyciąg kabel WN z kopułki ten co idzie od cewki , zapnij w to miejsce świecę zapłonową i ja zmasuj.
    Przekręć kluczyk na zapłon jak będzie przeskakiwać iska na świecy bez kręcenia rozrusznikiem to masz potwierdzenie mojej diagnozy.
  • REKLAMA
  • #5 16918367
    autominus
    Poziom 3  
    Doktorr napisał:
    Uszkodzony moduł , zrobił się z niego generator impulsu i strzela iskra w kopułce.
    Wyciąg kabel WN z kopułki ten co idzie od cewki , zapnij w to miejsce świecę zapłonową i ja zmasuj.
    Przekręć kluczyk na zapłon jak będzie przeskakiwać iska na świecy bez kręcenia rozrusznikiem to masz potwierdzenie mojej diagnozy.

    Sprawdzałem już to, iskra przeskakuje tylko jak kręcę rozrusznikiem.

    Mój akumulator ma 4 lata i jest to BOSCH S5 52Ah 520A. Akumulator na bokach obudowy dostał wyraźne wybałuszenie.
    Podmieniłem nawet komputer i nadal są problemy z odpaleniem, a jak odpali to tak jak pisałem słychać głośne cykanie.
  • #6 16918432
    keseszel
    Poziom 26  
    -wybrzuszenie akumulatora - faktycznie dziwna sprawa. Zwarcie - temperatura, tak bym obstawiał. Bez powodu by się nie wybrzuszył.
    -uszkodzony miernik- może i faktycznie zrobił się generator WN, ale to już strzelam.
    Jeśli obawiasz się o miernik to "zmierz napięcie" naładowanego aku żarówką.
    Powinna silnie rozbłysnąć i się przepalić. Bądź tylko błysnąć. Oszczędzisz miernik.

    W tym kierunku ja bym szukał i tak próbował.
  • #7 16918626
    autominus
    Poziom 3  
    keseszel napisał:
    -wybrzuszenie akumulatora - faktycznie dziwna sprawa. Zwarcie - temperatura, tak bym obstawiał. Bez powodu by się nie wybrzuszył.
    -uszkodzony miernik- może i faktycznie zrobił się generator WN, ale to już strzelam.
    Jeśli obawiasz się o miernik to "zmierz napięcie" naładowanego aku żarówką.
    Powinna silnie rozbłysnąć i się przepalić. Bądź tylko błysnąć. Oszczędzisz miernik.

    W tym kierunku ja bym szukał i tak próbował.


    Żarówka na akumulatorze świeci, może rzeczywiście jest coś z miernikiem, ale nie zmienia to sytuacji bo w aparacie zapłonowym jest dźwięk iskrzenia/przeskoku iskry i to głośny. Musi powstawać temperatura, że klej z cewki halla się topi.

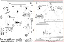
    Zamieszczam schemat elektryczny (w ramce na czerwono odpowiadający mojemu pojazdowi):
    Nexia - Cykanie w aparacie zapłonowym, falujące obroty i problemy z akumulatorem

    Jakieś sugestie gdzie może występować zwarcie/problem?

    P.S.
    Również cewka zapłonowa została wymieniona na nową oryginalną i przewody zapłonowe, świece są nowe.

    Dodano po 7 [godziny] 10 [minuty]:

    Zaraz pod "koszykiem" z cewką halla znajduje się moduł zapłonowy. Przypuszczam, że moduł mocno się nagrzewa i otaczająca go temperatura rozgrzewa klej, który topi się na cewce halla.
    Wymontowałem dzisiaj moduł zapłonowy i na jego odwrocie wokół blachy pełniącej rolę radiatora widać czarną/szarą pastę lub silikon. Wydaje się, że to wypłynęło spod tej blachy, ale na jego obudowie nie widać żadnych innych uszkodzeń.
    Nexia - Cykanie w aparacie zapłonowym, falujące obroty i problemy z akumulatorem

    Dziwne wydaje się, to że podmiana modułu na drugi nic nie daje.

    Co mogłoby być przyczyną grzania się modułu zapłonowego?
REKLAMA