#1 16947601 09 Sty 2018 12:54 prezes605529300 prezes605529300 Poziom 11 #1 16947601 09 Sty 2018 12:54 Tak jak w temacie lub jeśli ktoś pamięta/wie za co są odpowiedzialne poszczególne piny we wtycze: Nie mam auta pod ręką niestety. Potrzebuje wiedzieć gdzie masa, +12V po włączeniu mijania i na którym pinie zmienia się V podczas kręcenia pokrętłem.
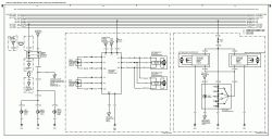
Pomocny post #2 16947617 09 Sty 2018 13:07 DriverMSG DriverMSG Admin grupy komputery Pomocny post? (+2) Pomocny post #2 16947617 09 Sty 2018 13:07 Tu z innej wersji: Promuję tematy: 19.10.2020 Honda K20A4 - Autogas Italia PowerJet+ - utrata mocy i check engine 03.01.2020 Tuleje Poliuretanowe - Jak eksploatować, jak serwisować, czym smarować
#3 16947648 09 Sty 2018 13:25 prezes605529300 prezes605529300 Poziom 11 Autor tematu Pomocny post? (0) #3 16947648 09 Sty 2018 13:25 Dzięki serdeczne.