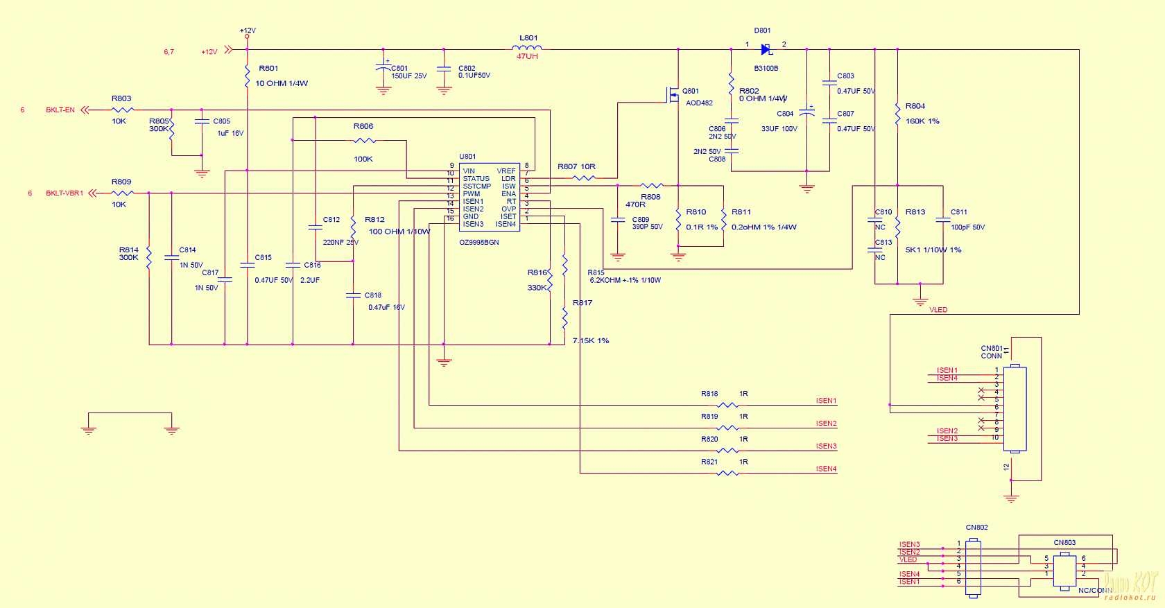
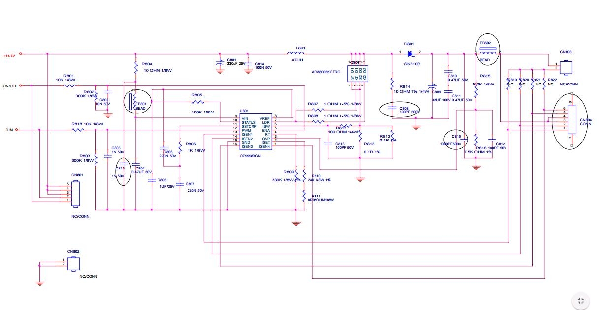
Czasami po włączeniu monitor nie startuje. Widać tylko mrugnięcie podświetlenia i ekran czarny. Na ekranie po podświetleniu można dostrzec że treść jest wyświetlana poprawnie. Mam problem z umiejscowieniem usterki, sterownik podświetlenia to OZ9998BGN w obudowie SO16 a listwa rozbita jest na 4 kanały.
Zasadniczym problemem jest nieregularność występowania usterki, raz włączy się wszystko normalnie za pierwszym razem innym razem bez podświetlenia i trzeba kilka razy włączyć i wyłączyć monitor aby zaskoczył.
Gdzie szukać usterki ?
Zasadniczym problemem jest nieregularność występowania usterki, raz włączy się wszystko normalnie za pierwszym razem innym razem bez podświetlenia i trzeba kilka razy włączyć i wyłączyć monitor aby zaskoczył.
Gdzie szukać usterki ?
