Witam wszystkich.
Szukałem ostatnio zdalnego sterowania kilkoma funkcjami przedwzmacniacza.
Z uwagi na prostotę układu, skorzystałem z projektu zamieszcznego na stronie https://ssl.diyaudio.pl/showthread.php/13688-driver-sterownik-wzmacniacza-DIY .
Układ działa ,nie obyło się bez małej korekty w sofcie, o czym poinformowałem autora, ale mój problem tkwi w czymś innym.
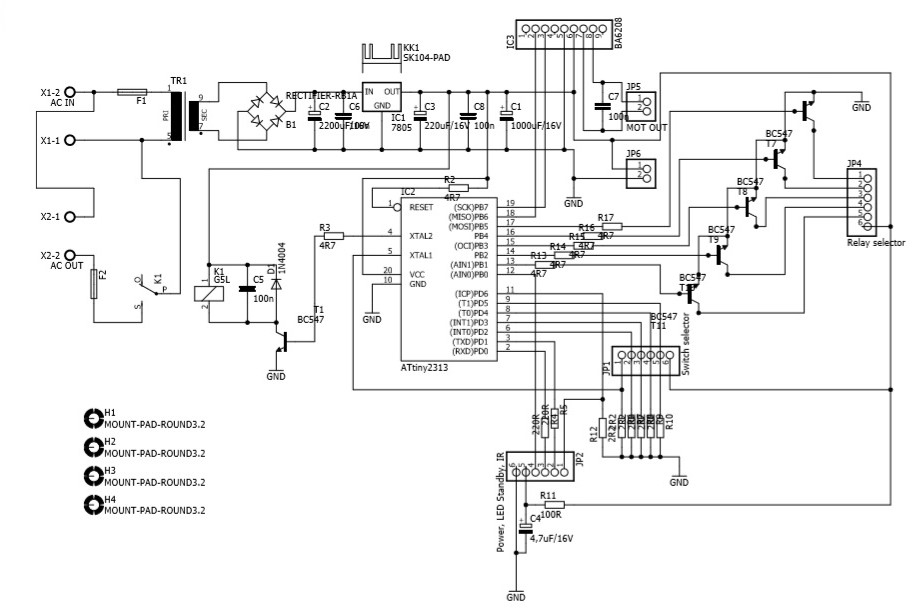
Opisany projekt steruję tzw "plusem" , do osobnego mojego projektu potrzebuję sterowanie "masą", i tu zaczynają się schody.
Zrobiłem płytkę wg schematu, ale utknołem na modyfikacji softu w taki sposób, aby sterowanie odbywało się "masą".
Soft do wersji sterowanej "plusem"
Mam prośbę, od czego mam zacząć modyfikacje , tak żeby móc wysterować przez NPN-y przekaźniki ?
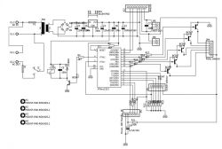
Czy ten schemat poprawnie przerobiłem ?
Proszę o pomoc w w/w projekcie.
Szukałem ostatnio zdalnego sterowania kilkoma funkcjami przedwzmacniacza.
Z uwagi na prostotę układu, skorzystałem z projektu zamieszcznego na stronie https://ssl.diyaudio.pl/showthread.php/13688-driver-sterownik-wzmacniacza-DIY .
Układ działa ,nie obyło się bez małej korekty w sofcie, o czym poinformowałem autora, ale mój problem tkwi w czymś innym.
Opisany projekt steruję tzw "plusem" , do osobnego mojego projektu potrzebuję sterowanie "masą", i tu zaczynają się schody.
Zrobiłem płytkę wg schematu, ale utknołem na modyfikacji softu w taki sposób, aby sterowanie odbywało się "masą".
Soft do wersji sterowanej "plusem"
Kod: VB.net
Mam prośbę, od czego mam zacząć modyfikacje , tak żeby móc wysterować przez NPN-y przekaźniki ?
Czy ten schemat poprawnie przerobiłem ?
Proszę o pomoc w w/w projekcie.