logo elektroda
logo elektroda
X
logo elektroda
REKLAMA
REKLAMA
Adblock/uBlockOrigin/AdGuard mogą powodować znikanie niektórych postów z powodu nowej reguły.

Jak sterować położeniem elementów fotela z Mercedesa S500?

RafGreen 14 Lut 2018 16:13 471 1
REKLAMA
  • #1 17037176
    RafGreen
    Poziom 14  
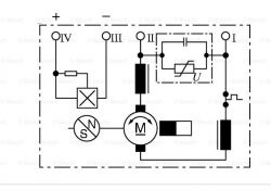
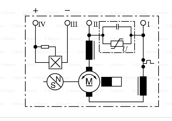
    Witam. Posiadam fotel od S500 i chciałbym go zasilić aby można było sterować położeniem elementów fotela.
    Są w nim trzy silniki Bosch API 12V 0130002568.
    Jak sterować położeniem elementów fotela z Mercedesa S500?
    Podając 12V na pin 1 i 2 mogę nim przesuwać tył o przód zmieniając polaryzację. Jak użyć pinów 3 i 4 do pomiaru położenia fotela?
  • REKLAMA
REKLAMA