Witam
Mam problem z którym nie mogę sobie poradzić
Mianowicie to nic skomplikowanego ale już rozkładam ręce
Napisałem pewien wsad na atmege32 i okazało się że na portach PC2, PC3, PC4 i PC5 brak sygnału
Reszta portów działa prawidłowo
Próbowałem nawet już na innych nowych atmegach32 i jest to samo
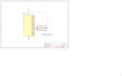
Myślałem ze na płytce pcb jest jakiś problem więc zmontowałem prosty układ na stykówce w celu weryfikacji błędu
Napisałem prosty wsad aby sprawdzić porty C
No i problem ten sam

Edytuj
i oto prosty wsad do sprawdzenia:
$regfile = "m32def.dat"
$crystal = 1000000
Config Pinc.0 = Output
Config Pinc.1 = Output
Config Pinc.2 = Output
Config Pinc.3 = Output
Config Pinc.4 = Output
Config Pinc.5 = Output
Config Pinc.6 = Output
Config Pinc.7 = Output
Reset Portc.0
Reset Portc.1
Reset Portc.2
Reset Portc.3
Reset Portc.4
Reset Portc.5
Reset Portc.6
Reset Portc.7
End
Mam problem z którym nie mogę sobie poradzić
Mianowicie to nic skomplikowanego ale już rozkładam ręce
Napisałem pewien wsad na atmege32 i okazało się że na portach PC2, PC3, PC4 i PC5 brak sygnału
Reszta portów działa prawidłowo
Próbowałem nawet już na innych nowych atmegach32 i jest to samo
Myślałem ze na płytce pcb jest jakiś problem więc zmontowałem prosty układ na stykówce w celu weryfikacji błędu
Napisałem prosty wsad aby sprawdzić porty C
No i problem ten sam
Edytuj
i oto prosty wsad do sprawdzenia:
$regfile = "m32def.dat"
$crystal = 1000000
Config Pinc.0 = Output
Config Pinc.1 = Output
Config Pinc.2 = Output
Config Pinc.3 = Output
Config Pinc.4 = Output
Config Pinc.5 = Output
Config Pinc.6 = Output
Config Pinc.7 = Output
Reset Portc.0
Reset Portc.1
Reset Portc.2
Reset Portc.3
Reset Portc.4
Reset Portc.5
Reset Portc.6
Reset Portc.7
End
