Witam kolegów.
Yosan CB-50 nie przełącza na TX i na wyświetlaczu również nie zapala się "TX"
Mikrofon 100% ok, sprawdzany bo mamy w pracy bliźniaczy model więc jest ok
Gniazdo mikrofonu, ścieżki, przelotki do których miałem dostęp sprawdzone i jest ok.
Może niepotrzebnie ale podmieniłem końcówkę mocy i sterujący i bez zmian
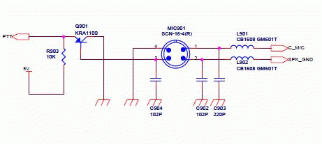
Schemat leży na elektrodzie w tym wątku:
https://www.elektroda.pl/rtvforum/topic3370359.html
Nakierujcie mnie na co jeszcze zwrócić uwagę.
Yosan CB-50 nie przełącza na TX i na wyświetlaczu również nie zapala się "TX"
Mikrofon 100% ok, sprawdzany bo mamy w pracy bliźniaczy model więc jest ok
Gniazdo mikrofonu, ścieżki, przelotki do których miałem dostęp sprawdzone i jest ok.
Może niepotrzebnie ale podmieniłem końcówkę mocy i sterujący i bez zmian
Schemat leży na elektrodzie w tym wątku:
https://www.elektroda.pl/rtvforum/topic3370359.html
Nakierujcie mnie na co jeszcze zwrócić uwagę.
