Radio CB Areo bardzo podobne lub takie samo radio jak Lafayette ares.
Niestety schematu brak, dlatego posiłkuje się schematem od ares-a.
Nie mam w tym radiu nadawania, odbioru, oraz liter na wyświetlaczu, podświetlenie jest.
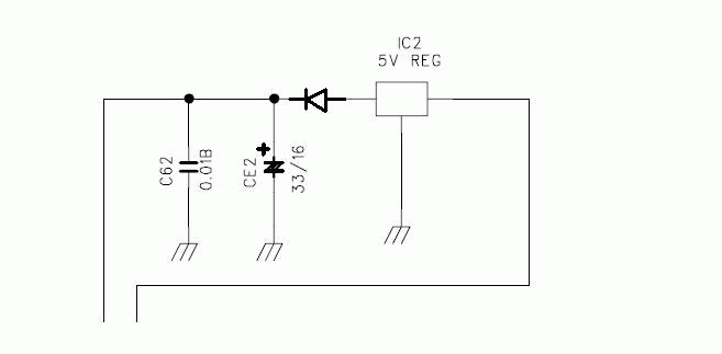
Nie wiem gdzie w tym radiu jest regulator 9V na schemacie ares-a jest to Q23 ale znowu radio nie ma żadnych oznaczeń, nie wiem również gdzie jest regulator 5V oznaczony na schemacie jako IC2.
Do procesora dochodzi napięcie 4.4V.
Nie mam pomysłu na to radio. Jakieś sugestie?
Załączam schemat i zdjęcia.





Niestety schematu brak, dlatego posiłkuje się schematem od ares-a.
Nie mam w tym radiu nadawania, odbioru, oraz liter na wyświetlaczu, podświetlenie jest.
Nie wiem gdzie w tym radiu jest regulator 9V na schemacie ares-a jest to Q23 ale znowu radio nie ma żadnych oznaczeń, nie wiem również gdzie jest regulator 5V oznaczony na schemacie jako IC2.
Do procesora dochodzi napięcie 4.4V.
Nie mam pomysłu na to radio. Jakieś sugestie?
Załączam schemat i zdjęcia.
