logo elektroda
logo elektroda
X
logo elektroda
REKLAMA
REKLAMA
Adblock/uBlockOrigin/AdGuard mogą powodować znikanie niektórych postów z powodu nowej reguły.

Bee*r Rev limiter - Szukanie sygnału rpm silnika 1.8t

dominozx 12 Mar 2018 18:52 5889 8
REKLAMA
  • #1 17098542
    dominozx
    Poziom 9  
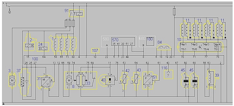
    Witam, chce założyć Rev limiter ( odcina iskrę przy danych obrotach) do mojego samochodu (nie wnikajmy już jak działa to na silnik i turbinę) ale jest problem. O ile zapłon łatwo zlokalizować i podłączyć 4 świece pod ten przewód to sygnał rpm gorzej. Próbowałem podłączyć się do środkowego PINu czujnika położenia walka ale nic z tego, podpięcie pod cewkę również nie skutkuje. Urządzenie bee r Rev limiter dedykowane do japoncow mazdy, nissanow, mitsubishi, toyoty, może tam jakoś inaczej to działa. Ktoś pomoże gdzie znaleźć ten nieszczęsny sygnał? Może ecu i wyjście do obrotomierza? W załączniku instrukcja i jakiś schemat do mojego ecu.
  • REKLAMA
  • REKLAMA
  • #3 17099127
    milejow
    Poziom 43  
    dominozx napisał:
    do mojego samochodu

    Trzeba iść do jasnowidza czy sam nam powiesz co to za auto?
    dominozx napisał:
    1.8t

    Zgaduję-coś z VW?
  • REKLAMA
  • REKLAMA
  • #5 17111732
    dominozx
    Poziom 9  
    A4 b5 97r. W tygodniu podepnę się pod ten wałek. Dzięki za radę
  • #6 17136701
    dominozx
    Poziom 9  
    Podpięcie pod czarny skutkowało ze dioda na Rev limiterze czasem błysnęła. Natomiast po podłączeniu pod każdy z pozostałych skutkowało natychmiastowym unieruchomienie silnika. Możliwe ze nie da rady w żaden sposób tego podłączyć?
  • #7 18610902
    kamil_rtc
    Poziom 2  
    Siema kolego. Rozwiązałeś problem rev limitera w 1.8T?
  • #8 18612348
    damdam

    Poziom 34  
    milion razy łatwiej w tym M3.8.2 zrobić jakiś hardcut w programie niż dokładać takie cuda.
  • #9 20124225
    zethere21
    Poziom 3  
    @dominozx witam kolego sory za odgrzebanego kotleta, poradziles sobie z tym tematem? i jaki masz sterownik u siebie.
    podal bys jakies szczególy podlaczenia poszególnych przewodów
REKLAMA