logo elektroda
logo elektroda
X
logo elektroda
REKLAMA
REKLAMA
Adblock/uBlockOrigin/AdGuard mogą powodować znikanie niektórych postów z powodu nowej reguły.

Audi A4B5 1.9 tdi afn 1996r - Lusterka się nie składają. Przekaźnik 361

mkcitro 13 Mar 2018 18:04 2364 8
REKLAMA
  • #1 17100632
    mkcitro
    Poziom 10  
    Sprawa dotyczy składania lusterek a mianowicie jeżeli podłącze lusterko poza autem sam silniczek to lusterko działa a po podpieciu pod kostkę drzwi już nie. Podgrzewanie działa elektryczna regulacja też a niechcą się składać po przekreceniu do pozycji skladania ale gdy podam masę na przekaźnik 361 na styk SE to reagują. Czy oznacza to uszkodzony przelacznik składania czy coś innego ?
  • REKLAMA
  • #2 17102957
    piotrekwoj1
    Poziom 42  
    To teraz musisz znaleść schemat i sprawdzić jak jest sterowany ten przekaźnik.
  • REKLAMA
  • #4 17103421
    mkcitro
    Poziom 10  
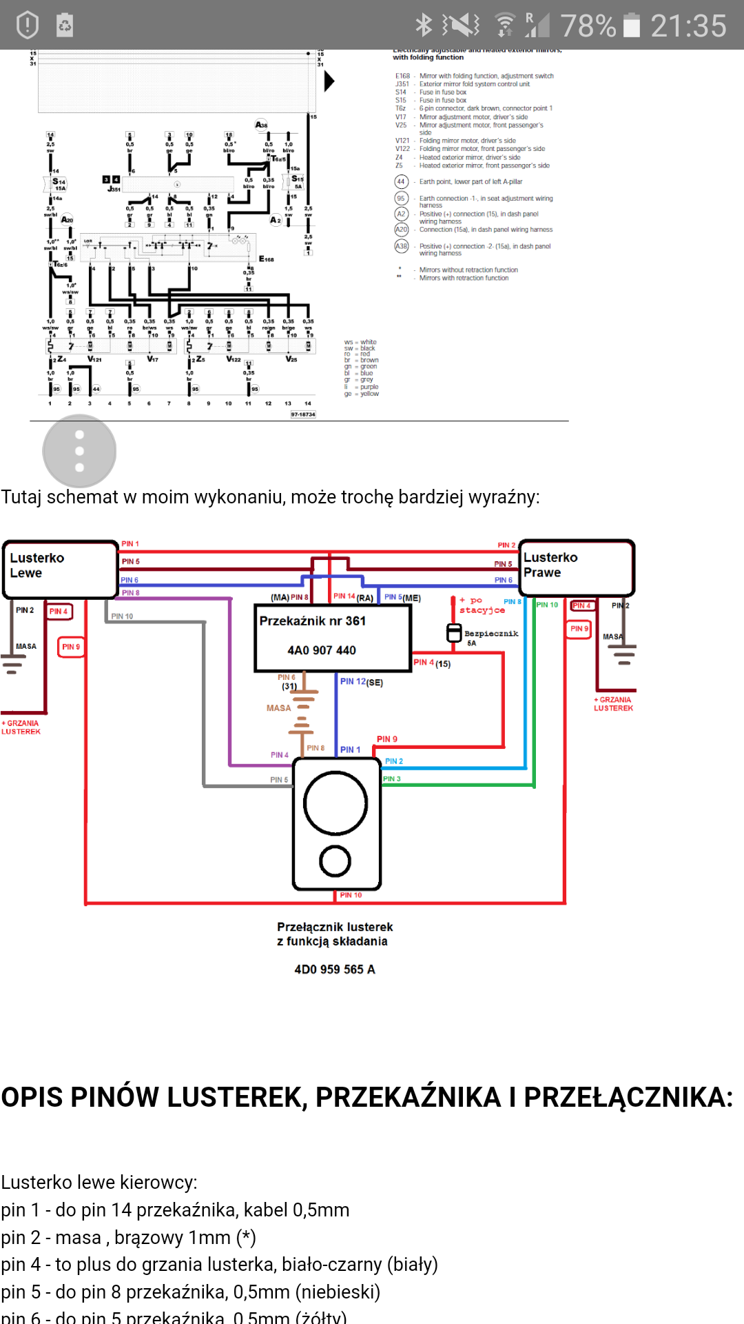
    Sprawa rozwiązana kabelki polutowane poza kostką i lusterka smigają.Schemat nie mój to screen z audi-c4.pl.
  • #5 19471448
    Krzysiekerf
    Poziom 2  
    Ten schemat rozpiska pinów pod schematem jest obcięta , mozna schemat i rozpiskę poprosić w całości
  • REKLAMA
  • #6 19477600
    Krzysiekerf
    Poziom 2  
    Hej . Podłaczyłem i świetnie działają na tym schemacie chyba jest błąd , lusterko lewe pin 2 z pinu 1 lusterka lewego i w tym samym lusterku prawym jest takze pin 2 oznaczony masa ??? ale mam problem gdy ustawię regulacje lewego lusterka ustawia sie prawe zeby ustawic lewe musze wlączyć przełacznikiem prawe???? czy gdy podłączę wyjście komfort z centrali zamków i wysteruję masą pin SE przekaźnika , lusterka sie złożą gdy zamkne auto pilotem ?
  • #7 19483341
    piotrekwoj1
    Poziom 42  
    Ten schemat jest źle przerysowany.
  • REKLAMA
  • #8 19487710
    Krzysiekerf
    Poziom 2  
    Witam . Podłączyłem lusterka składane wszystko śmiga super , założyłem sterowanie zamkiem centralnym i podłączyłem szyby i tylną klapę z pilota wszystko pięknie działa . Moje pytanie czy ktoś podłączał lusterka pod sterowanie szyb z modułu komfortu zeby lustra składały sie automatycznie razem z szybami po zamknięciu drzwi z pilota ? i oczywiście rozkładały sie po otwarciu auta z pilota lub przekręceniu stacyjki . Podłączyłem lusterka według tego schematu lusterko lewe ustawić moge gdy przełącznik mam ustawiony na lusterko prawe gdzieś jest błąd w schemacie ? Napewno błąd jest - pin 1 lusterko lewe do pin 2 lusterka prawego i w prawym lusterku pin 2 na masę ????
  • #9 19487714
    Krzysiekerf
    Poziom 2  
    piotrekwoj1 napisał:
    Ten schemat jest źle przerysowany.


    też tak myślę
REKLAMA