logo elektroda
logo elektroda
X
logo elektroda
REKLAMA
REKLAMA
Adblock/uBlockOrigin/AdGuard mogą powodować znikanie niektórych postów z powodu nowej reguły.

[Rozwiązano] subaru wrx 2003r - dołożenie immo do auta bez immo.

szymitsu21 27 Mar 2018 19:13 1626 8
REKLAMA
  • #1 17131806
    szymitsu21
    VIP Zasłużony dla elektroda
    Panowie.
    Mam wrx z USA bez immo fabrycznie.

    Dwa ECU jedno seria jedno z prodriva.
    (chce ecu z immo dołożyć do auta bez immo)
    Do obu mam kpl pętla kluczyk.

    Udało mi się podłączyć pętlę etc do ecu i po podaniu zasilań kontrolka immo gaśnie (w przypadku braku klucza lub transpondera świeci więc chyba działa, tak samo po podpięciu innego ECU)

    Ale mimo wszystko ECU nie steruje przekaźnikiem zasilania/pompą paliwa etc.
    I nie odpala nawet po podaniu zasilań
    Od razu po próbie rozruchu tracę komunikację z ECU i nie widzę czy widzi obroty (zasilanie w tym czasie nie znika)
    Ktoś coś działał?
  • REKLAMA
  • Pomocny post
    #2 17132545
    gabik001
    Poziom 37  
    Mało tego że masz dwa różne ECU to jeszcze dochodzi sprawa czy to auto nie jest z Kaliforni przypadkiem. Jeżeli tak to jest spory problem. Tam samochody mają całkiem inną wiązkę kabli (związaną z emisją która w Kaliforni jest bardzo rygorystyczna). Przekładaliśmy z bratem silnik do auta z tego stanu i trzeba było dużo zachodu żeby odpalił. Całkiem inna instalacja. Dowiedz się po VIN czy to nie było na CA produkowane. Nie wiem jak wyglądają te subarynki europejskie w porównaniu z US (z wyłączeniem CA) pod kątem emisji.
    ECU do samochodów produkowanych na Kalifornie nie będą współpracować z samochodami spoza tego stanu i odwrotnie.
    Pozdrawiam
  • REKLAMA
  • Pomocny post
    #4 17134910
    gabik001
    Poziom 37  
    Zdaje się że ma się wszystko zgadzać a nie tylko większość.
    Kurcze nie mam dostępu do schematów aktualnie (na Mitchelu), jak będę w sobotę w bibliotece to z ciekawości strzelę okiem na OnDemand5 zobaczyć różnice miedzy CA a resztą.
    Spróbuje wysłać pinouty ECU na swojego mejla.
  • REKLAMA
  • Pomocny post
    #6 17141616
    gabik001
    Poziom 37  
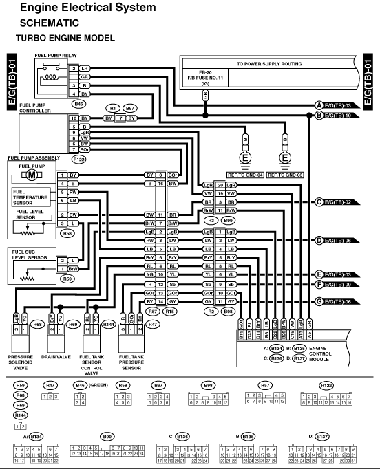
    Jeżeli chodzi o ECU to w AllData (bibliotega nie ma dostepu do OnDemand5 aktualnie tylko do AllData) jest tylko jeden schemat do 2.0 na turbinie. Żadnych odmian nie ma.
    Ale pytałem brata jak jest różnica miedzy subarynkami z emisją federal a CA i powiedział że jest kilka rzeczy w kalifornijskim - np. czujnik ciśnienia oparów przy pompie paliwa czy jakiś dodatkowy sensor przy ewaporatorze i że bez tego podłączonego auto nie odpali. Powiedział że generalnie pinout w komputerach podobny, że wersja federalna jest praktycznie taka sama jak EU.
    No to teraz już sam nie wiem... Pod maską powinna być nalepka stwierdzająca z jaką emisją to auto jeździ (generalnie to: 48 states- wersja federalna, 50 states- kalifornijska). Zgodnie z tym co napisałeś w poście #1 o tym że nie steruje pompą paliwa i z tym co mi brat powiedział o tym czujniku w pompie odnoszę wrażenie że to jednak auto z CA.
  • REKLAMA
  • Pomocny post
    #8 17149862
    gabik001
    Poziom 37  
    Witam,
    Próbowałem znaleźć ten schemat w wersji na kalifornie ale bez rezultatu. To co jest w All Data jest dostępne w sieci bez problemu i podejrzewam że też masz to samo. Stawiam że zasób All Data jest w jakiś sposób regionalizowany i z miejsca z którego korzystam dostęp mam tylko do wersji federalnej. Na schemacie jest sterownik pompy paliwa i być może tylko on jest inny w zależności od wersji.
    subaru wrx 2003r - dołożenie immo do auta bez immo.
REKLAMA