#1 17155269 08 Kwi 2018 01:40 chomonciorski chomonciorski Poziom 12 #1 17155269 08 Kwi 2018 01:40 Podczas demontażu rozsypał się wtyk wchodzący do hydrostatu (3 przewody czarne). Poszukuję więc schematu albo jakiegoś opisu na który styk i skąd przychodzi przewód. Promuję tematy: 12.03.2019 Jaką temperaturę ustawić w buforze 1500l dla efektywności ogrzewania?
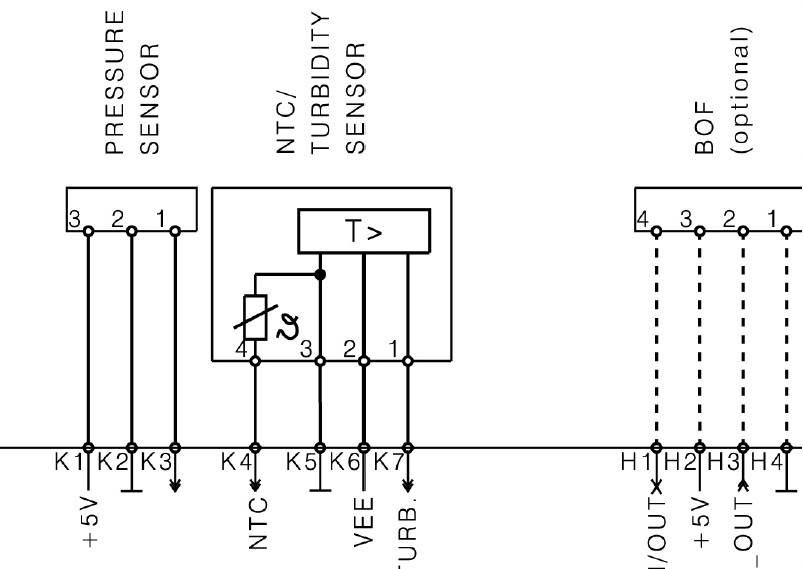
Pomocny post #2 17155502 08 Kwi 2018 10:16 Piotr2608 Piotr2608 Konto firmowe Poziom 41 Pomocny post? (+2) Pomocny post #2 17155502 08 Kwi 2018 10:16 Proszę.
#3 17184857 23 Kwi 2018 23:06 chomonciorski chomonciorski Poziom 12 Autor tematu Pomocny post? (0) #3 17184857 23 Kwi 2018 23:06 Dziękuję ślicznie. Zamówiłem nowy hydrostat, wtyk złożyłem zgodnie z schematem podanym przez kolegę i zmywarka śmiga aż miło. Temat zamykam Promuję tematy: 12.03.2019 Jaką temperaturę ustawić w buforze 1500l dla efektywności ogrzewania?