Gotowanie, na początku - gdy zaczniemy się nim zajmować - wydawać się może najprostsze w pojedynkę. Obecność innych osób w kuchni może rozpraszać, jednak wraz z poziomem skomplikowania przepisów, jakie gotujemy, tym bardziej druga para rąk jest nieoceniona, aby gotowanie nadal pozostało przyjemnością. Tak samo jest z aktywnymi gasikami w przetwornicach typu flyback.
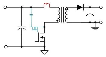
Każdy chce, by projektowane przez niego przetwornice AC/DC były mniejsze, zwłaszcza jeśli zintegrować je trzeba w urządzeniu przenośnym, takim jak smartfon czy tablet. Z uwagi na swoją prostotę w tego rodzaju aplikacjach często wybiera się układy typu flyback, jako że są one w stanie w bardzo wydajny sposób przetwarzać napięcie AC na wyjście DC, przy minimalnej liczbie elementów. Niestety przetwornice typu flyback mają swoje ograniczenia, jeśli chodzi o wielkość, do jakiej zredukować można układ, jako że straty na pasożytniczej indukcyjności transformatora ograniczają jego rozmiar. Dotychczasowo wszyscy projektanci walczyli z tym, próbując zminimalizować indukcyjność w systemie, ale teraz pojawiło się nowe rozwiązanie - aktywny układ gasika. Schemat ideowy takiego obwodu pokazano na rysunku 1.
Rys.1. Przetwornica flyback, z zaznaczoną indukcyjnością pasożytniczą (na czerwono) i aktywnym gasikiem (na niebiesko).
Zamiast walczyć z pasożytniczą indukcyjnością poprzez rozpraszanie jej nadmiarowej energii na układzie złożonym z opornika, kondensatora i diody lub gasiku na diodzie Zenera, zastosować można aktywny gasik, który przejmuje energię i dostarcza ją do wyjścia przetwornicy w kontrolowany sposób. Dzięki inteligentnej kontroli gasika zapewnione jest także jego przełączanie w zerze napięcia. Takie działanie eliminuje dwa główne źródła strat energii w systemie, co pozwala na istotną redukcję wielkości przetwornicy. Dodatkowo, jeżeli zastosujemy tranzystory polowe (FET) oparte na azotku galu (GaN), to - dzięki ich niższej rezystancji w stanie włączenia - cała wielkość zasilacza może zmniejszyć się o połowę, dla tej samej mocy elektrycznej.
Niestety diabeł, jak zwykle, tkwi w szczegółach. Konieczna jest bardzo precyzyjna kontrola działania układu gasika, jako że jeżeli nie będzie on w odpowiedni sposób kontrolowany, to może on istotnie pogorszyć wydajność systemu.
Do niedawna aktywny gasik w układach typu flyback był jedynie marzeniem, jako że na rynku nie było dostatecznie inteligentnych kontrolerów, by można było w ten sposób sterować działaniem przetwornicy. Zmieniło się to w momencie wprowadzenia przez Texas Instruments na rynek układu UCC28780. Ten nowoczesny kontroler pozwala na pracę z krzemowymi lub GaN-owymi MOSFETami w systemach z aktywnym gasikiem. Wykorzystanie takiej topologii pozwala na osiągnięcie wysokiej wydajności energetycznej projektowanej przetwornicy, co pozwala na spełnienie wymaganych norm oszczędności energetycznej, takich jak Level VI amerykańskiego Departamentu Energii.
Źródło: https://e2e.ti.com/blogs_/b/powerhouse/archive/2018/03/01/intelligently-control-an-active-clamp-flyback
Każdy chce, by projektowane przez niego przetwornice AC/DC były mniejsze, zwłaszcza jeśli zintegrować je trzeba w urządzeniu przenośnym, takim jak smartfon czy tablet. Z uwagi na swoją prostotę w tego rodzaju aplikacjach często wybiera się układy typu flyback, jako że są one w stanie w bardzo wydajny sposób przetwarzać napięcie AC na wyjście DC, przy minimalnej liczbie elementów. Niestety przetwornice typu flyback mają swoje ograniczenia, jeśli chodzi o wielkość, do jakiej zredukować można układ, jako że straty na pasożytniczej indukcyjności transformatora ograniczają jego rozmiar. Dotychczasowo wszyscy projektanci walczyli z tym, próbując zminimalizować indukcyjność w systemie, ale teraz pojawiło się nowe rozwiązanie - aktywny układ gasika. Schemat ideowy takiego obwodu pokazano na rysunku 1.
Rys.1. Przetwornica flyback, z zaznaczoną indukcyjnością pasożytniczą (na czerwono) i aktywnym gasikiem (na niebiesko).
Zamiast walczyć z pasożytniczą indukcyjnością poprzez rozpraszanie jej nadmiarowej energii na układzie złożonym z opornika, kondensatora i diody lub gasiku na diodzie Zenera, zastosować można aktywny gasik, który przejmuje energię i dostarcza ją do wyjścia przetwornicy w kontrolowany sposób. Dzięki inteligentnej kontroli gasika zapewnione jest także jego przełączanie w zerze napięcia. Takie działanie eliminuje dwa główne źródła strat energii w systemie, co pozwala na istotną redukcję wielkości przetwornicy. Dodatkowo, jeżeli zastosujemy tranzystory polowe (FET) oparte na azotku galu (GaN), to - dzięki ich niższej rezystancji w stanie włączenia - cała wielkość zasilacza może zmniejszyć się o połowę, dla tej samej mocy elektrycznej.
Niestety diabeł, jak zwykle, tkwi w szczegółach. Konieczna jest bardzo precyzyjna kontrola działania układu gasika, jako że jeżeli nie będzie on w odpowiedni sposób kontrolowany, to może on istotnie pogorszyć wydajność systemu.
Do niedawna aktywny gasik w układach typu flyback był jedynie marzeniem, jako że na rynku nie było dostatecznie inteligentnych kontrolerów, by można było w ten sposób sterować działaniem przetwornicy. Zmieniło się to w momencie wprowadzenia przez Texas Instruments na rynek układu UCC28780. Ten nowoczesny kontroler pozwala na pracę z krzemowymi lub GaN-owymi MOSFETami w systemach z aktywnym gasikiem. Wykorzystanie takiej topologii pozwala na osiągnięcie wysokiej wydajności energetycznej projektowanej przetwornicy, co pozwala na spełnienie wymaganych norm oszczędności energetycznej, takich jak Level VI amerykańskiego Departamentu Energii.
Źródło: https://e2e.ti.com/blogs_/b/powerhouse/archive/2018/03/01/intelligently-control-an-active-clamp-flyback
Fajne? Ranking DIY
