logo elektroda
logo elektroda
X
logo elektroda
REKLAMA
REKLAMA
Adblock/uBlockOrigin/AdGuard mogą powodować znikanie niektórych postów z powodu nowej reguły.

Nissan primera p12 - Klimatyzacja nie działa po nabiciu

Darek199518 28 Kwi 2018 21:00 5562 11
REKLAMA
  • #1 17193388
    Darek199518
    Poziom 9  
    Witam. Potrzebuje pomocy w znalezieniu przyczyny niedziałania klimatyzacji , która została nabita uszczelniona i w ogóle. Przekaźnik od sprężarki załącza się ale nie załącza się sprzegiełko. Co może być tego przyczyną sprawdzamy wiązki ale bez schematu instalacji jest cieżko jeśli moglibyście podesłać schemat instalacji do klimatyzacji byłbym wdzięczny :) Za wszelką pomoc z góry dziękuje
  • REKLAMA
  • #2 17193590
    falkowski79
    Poziom 11  
    napisz coś wiecej na temat auta
    1 jaki śilnik
    2 klimatronik czy manual
    3 rok produkcji
    4 navi czy bez navi
  • REKLAMA
  • #3 17193720
    123nowy
    Poziom 21  
    zobacz kontrolka czy na cewkę sprężarki dochodzi prąd
  • REKLAMA
  • #5 17193862
    Adan199518
    Poziom 14  
    Do sprzężarki nie dochodzi prąd ale na krótko sprzegiełko działa.
    Silnik 1.9 dci 120km
    Klimatronik bez navi
  • #7 17193887
    Darek199518
    Poziom 9  
    Na styk przekaźnika jest podawane napięcie ale na kostce elektromagnesu nie ma napięcia jak podłączę na krótko od styku przekaźnika do elektromagnesu sprzegięłko zadziała ale przez kostkę. I jest ten problem,że od tej kostki idą wiązką na silnik i dochodzi do kolejnej kostki, która jest przymocowana za akumlatorem a potem biegnie wiązka do środka bo w ogóle od styku przekaźnika biegną inne kable niż są na kostce elektromagnesu. Na styku przekaźnika jest kabel o grubym przekroju a na kostce elektromagnesu cienki.
    Rok produkcji pojazdu jest 2006

    Dodano po 41 [minuty]:

    Dlatego też potrzebuje schematu żeby wiedzieć jak idzie wiązka.
  • #8 17194260
    falkowski79
    Poziom 11  
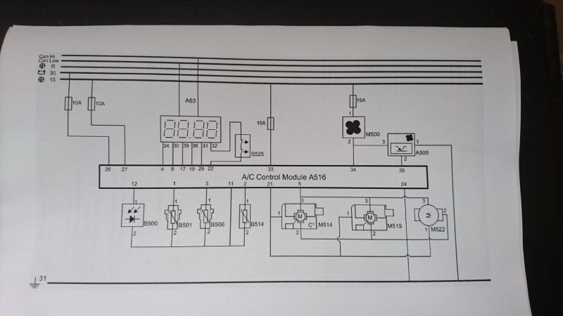
    [img-0][img-1]Nissan primera p12 - Klimatyzacja nie działa po nabiciuNissan primera p12 - Klimatyzacja nie działa po nabiciuNissan primera p12 - Klimatyzacja nie działa po nabiciu
  • #9 17194757
    Darek199518
    Poziom 9  
    Od sprzężarki idzie niebieski kabel , który łączy się z kostką za akumulatorem a potem wychodzi niebiesko-czerwonym kablem i według schematu powinien iść do przekaźnika pod kierownicą ale we wiązce, która jest schowana nad nadkolem nie ma kabla o takim kolorze :/ a jak sprawdzam przejście od tej kostki do przekaźnika to nie ma przejścia

    Dodano po 2 [godziny] 44 [minuty]:Nissan primera p12 - Klimatyzacja nie działa po nabiciu

    We wskazanych miejscach nie mam napięcia 12 V tylko 9 V a powinno być 12 V żeby załączyć przekaźnik gdzie mogło zginąć to napięcie ?
    Nissan primera p12 - Klimatyzacja nie działa po nabiciu
  • #10 17195182
    falkowski79
    Poziom 11  
    W tym miejscu powinno być 12v po włączonej stacyjce . napęcie w tym miejscu trzeba badać kontrolką która ma żarówkę nie żadne ledy ,moim zdaniem trzeba sprawdzić czujniki ciśnienia bo głównie one odpowiadają za załączenie spręzarki .
  • #11 17195517
    Darek199518
    Poziom 9  
    Ale czemu tak nie ma 12V skoro powinno być prosto ze stacyjki przez bezpiecznik do tego przekaźnika. Jakie ciśnienie powinien mieć czynnik chłodniczy w układzie klimatyzacji bo chce sprawdzić czujnik ciśnienia klimatyzacji na pinie od sygnału sterującego pokazało się napięcie 0,782 V.

    Dodano po 2 [godziny] 34 [minuty]:

    Na pinie 41 smart entrace control unit nie ma masy czym może to być spowodowane wiązka nie jest uszkodzona bo pomiędzy pinem 41 a stykiem przekaźnika 2 jest przejście. Czujnik ciśnienia został sprawdzony i wygląda na to,że jest dobry.

    Dodano po 2 [godziny] 36 [minuty]:

    wygląda na to,że jest uszkodzony moduł komfortu na 41 pinie jest przekaźnik klimatyzacji a niestety jeszcze wcześniej przestało działać radio a odpowiednie piny w module komfortu odpowiadają za wzmacniacz antenowy, który najprawdopodobniej uległ uszkodzone. Chciałbym się zapytać gdzie mógłbym dostać taki moduł w wojewódctwie mazowieckim albo kujawsko-pomorskim.
  • REKLAMA
  • #12 17196736
    gabik001
    Poziom 37  
    Być może masz za duże cinienie w układzie. Przy za wysokim ciśnieniu sprzęgło na krótko będzie się załączało.
REKLAMA