Tym razem chciałem wam zaprezentować układ, który może być naprawdę przydatnym gadżetem. To malutkie urządzenie ma za zadanie informować użytkownika o dzwoniącym telefonie. Teoretycznie powinno to działać w promieniu jednego metra. Ile jest sytuacji, w których takie urządzenie nie tylko może być przydatne, ale nawet uratować życie, nie będę wypisywał, bo nie o tym ten temat.
Gadżet kosztuje niecałe cztery polskie złote, co podnosi jego wartość w moich oczach.
Co dostajemy w paczce:
Co wnikliwsi z Was, zauważyli pewnie, że jakoś dużo tych elementów, jak na taką mała płyteczkę. Małą, bo ma wymiary 29mm x 22mm.
Oczywiście macie rację, chińczykowi wszystko się pomyliło. Po zmontowaniu okazało się, że mam spory nadmiar elementów, ale są też braki.
Jak widać wzbogaciłem się o kilka elementów, ale musiałem oddać dwa rezystory 1MOhm "na wymianę".
Udało mi się tez nawinąć cztery zwoje cewki, z tego go kawałka emaliowanej linki. W opisie aukcji sprzedawca mówi o pięciu do dziesięciu zwojach, więc po chwili nawinąłem nowa cewkę (nie uwieczniłem tego faktu na zdjęciach, musicie mi wierzyć na słowo
).
Niestety układ nie działa poprawnie. Dioda mignie przy podłączeniu zasilania (które mieści się w przedziale od 3VDC do 12VDC). Mignie także przy odłączaniu zasilania. Poza tym miga/świeci przy dotykaniu niemal każdego elementu na PCB, ścieżek, padów, a nawet minimalnie się świeci przy "macaniu" antenki. W żaden jednak sposób nie udało mi się tego draństwa zmusić do świecenia w trakcie nadchodzącego połączenia, w trakcie wychodzącego połączenia, ani podczas rozmowy.
Zastanawia mnie zapis u majfrenda, informujący że działa tylko w paśmie GSM.
"zakres: sygnału GSM telefon komórkowy, nie są dostępne dla CDMA telefon"
Telefony na których przeprowadzałem test, wyświetlały ikonkę "H", może to kwestia innego pasma? Nie wiem nie znam się na telefonii. Miałem zmontować i używać, a tu kicha.
Tym razem (chwilowo) obejdzie się bez podsumowania. Układ uważam za bardzo użyteczny, w przeciwieństwie do prezentowanych wcześniej klepsydr. stroboskopów, czy innych bezużytecznych zabawek. Niestety nie wiem, czy gdzieś jest błąd (wszystkie element sprawdziłem przed montażem), czy może jest to kwestia częstotliwości.
Jeśli ktoś inny zakupi ten moduł lub ktoś z Was dopatrzy się błędu (recenzuję, piszę i testuję, już dziewiątą godzinę i naprawdę zaczynam odczuwać zmęczenie, ale to jest jak z dobrym serialem, znacie syndrom, "jeszcze jednego odcinka") i zobaczę, jak ten układ działa, to uzupełnię artykuł o stosowne informacje.
To chyba pierwsza moja recenzja, bez recenzji.
Mimo wszystko liczę na wasze komentarze, a może nawet ktoś kliknie "fajne".
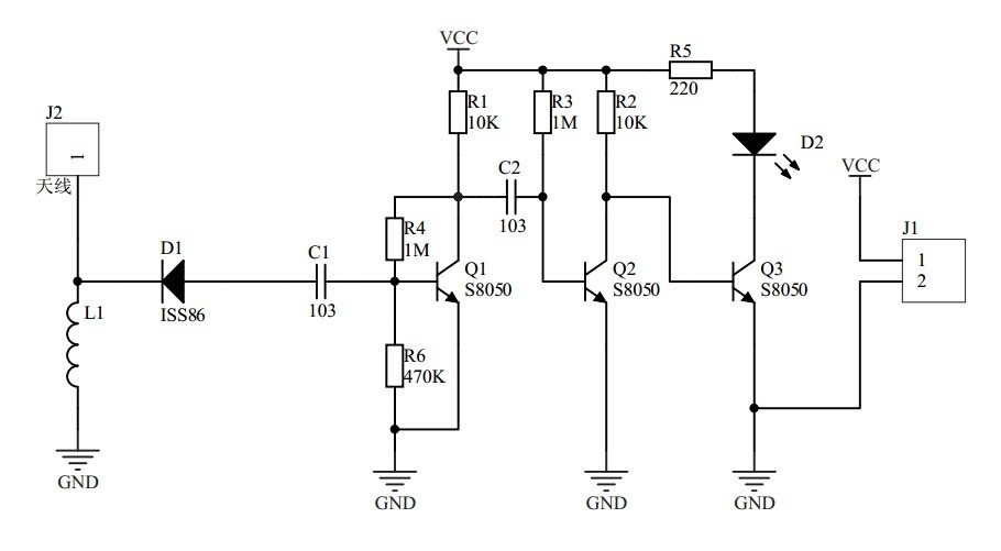
Widzę, że dyskusja się rozwija, dorzucam zatem schemat urządzenia.
EDIT 08.05.2018 17:45
Zrobiłem próbę przy włączonym trybie "Tylko 2G", tak jak sugerował jeden z kolegów poniżej.. telefon 15cm od układu. Gdy do mnie dzwonią, a układ ma dobry humor, to dioda zapali się na 2-3 sekundy, zaraz przed tym jak telefon zacznie rzeczywiście dzwonić. Gdy dzwonię ja, diodka minimalnie "mryga", ale jest to bardzo słabo widoczne. Co ciekawe, układ lepiej działa przy napięciu 4,5V niż przy 10V. Nie robiłem prób przy innych napięciach zasilania, bo urządzenie i tak jest bezużyteczne. A szkoda, bo mogłoby być naprawdę przydatne.
Pozdrawiam.
CMS
Gadżet kosztuje niecałe cztery polskie złote, co podnosi jego wartość w moich oczach.
Co dostajemy w paczce:
Co wnikliwsi z Was, zauważyli pewnie, że jakoś dużo tych elementów, jak na taką mała płyteczkę. Małą, bo ma wymiary 29mm x 22mm.
Oczywiście macie rację, chińczykowi wszystko się pomyliło. Po zmontowaniu okazało się, że mam spory nadmiar elementów, ale są też braki.
Jak widać wzbogaciłem się o kilka elementów, ale musiałem oddać dwa rezystory 1MOhm "na wymianę".
Udało mi się tez nawinąć cztery zwoje cewki, z tego go kawałka emaliowanej linki. W opisie aukcji sprzedawca mówi o pięciu do dziesięciu zwojach, więc po chwili nawinąłem nowa cewkę (nie uwieczniłem tego faktu na zdjęciach, musicie mi wierzyć na słowo
Niestety układ nie działa poprawnie. Dioda mignie przy podłączeniu zasilania (które mieści się w przedziale od 3VDC do 12VDC). Mignie także przy odłączaniu zasilania. Poza tym miga/świeci przy dotykaniu niemal każdego elementu na PCB, ścieżek, padów, a nawet minimalnie się świeci przy "macaniu" antenki. W żaden jednak sposób nie udało mi się tego draństwa zmusić do świecenia w trakcie nadchodzącego połączenia, w trakcie wychodzącego połączenia, ani podczas rozmowy.
Zastanawia mnie zapis u majfrenda, informujący że działa tylko w paśmie GSM.
"zakres: sygnału GSM telefon komórkowy, nie są dostępne dla CDMA telefon"
Telefony na których przeprowadzałem test, wyświetlały ikonkę "H", może to kwestia innego pasma? Nie wiem nie znam się na telefonii. Miałem zmontować i używać, a tu kicha.
Tym razem (chwilowo) obejdzie się bez podsumowania. Układ uważam za bardzo użyteczny, w przeciwieństwie do prezentowanych wcześniej klepsydr. stroboskopów, czy innych bezużytecznych zabawek. Niestety nie wiem, czy gdzieś jest błąd (wszystkie element sprawdziłem przed montażem), czy może jest to kwestia częstotliwości.
Jeśli ktoś inny zakupi ten moduł lub ktoś z Was dopatrzy się błędu (recenzuję, piszę i testuję, już dziewiątą godzinę i naprawdę zaczynam odczuwać zmęczenie, ale to jest jak z dobrym serialem, znacie syndrom, "jeszcze jednego odcinka") i zobaczę, jak ten układ działa, to uzupełnię artykuł o stosowne informacje.
To chyba pierwsza moja recenzja, bez recenzji.
Widzę, że dyskusja się rozwija, dorzucam zatem schemat urządzenia.
EDIT 08.05.2018 17:45
Zrobiłem próbę przy włączonym trybie "Tylko 2G", tak jak sugerował jeden z kolegów poniżej.. telefon 15cm od układu. Gdy do mnie dzwonią, a układ ma dobry humor, to dioda zapali się na 2-3 sekundy, zaraz przed tym jak telefon zacznie rzeczywiście dzwonić. Gdy dzwonię ja, diodka minimalnie "mryga", ale jest to bardzo słabo widoczne. Co ciekawe, układ lepiej działa przy napięciu 4,5V niż przy 10V. Nie robiłem prób przy innych napięciach zasilania, bo urządzenie i tak jest bezużyteczne. A szkoda, bo mogłoby być naprawdę przydatne.
Pozdrawiam.
CMS
Fajne? Ranking DIY
