logo elektroda
logo elektroda
X
logo elektroda
REKLAMA
REKLAMA
Adblock/uBlockOrigin/AdGuard mogą powodować znikanie niektórych postów z powodu nowej reguły.

seat cordoba 2002 - Brak mocy, wysokie napięcie przepustnicy

noidemm 09 Maj 2018 07:37 1185 18
REKLAMA
  • #1 17211177
    noidemm
    Poziom 22  
    Witam.
    Auto z dnia na dzień straciło moc i zaczęło nierówno chodzić. Sytuacja jest taka sama na PB i LPG. Przypuszczam, iż wina leży po stronie przepustnicy ponieważ na kanale 98 w vagu nie reaguje ona na pedał gazu. Poniżej zrzut z Vagcoma.
    seat cordoba 2002 - Brak mocy, wysokie napięcie przepustnicy
    Błędy jakie pokazuje komp wskazują na przepustnice. Wymieniałem ją już raz jakieś pare lat temu ale na używke.
    seat cordoba 2002 - Brak mocy, wysokie napięcie przepustnicy
    Dodam, że przy przekręceniu kluczyka na zapłon przepustnice słychać że się ustawia, więc całkiem nie zmarła.
    Czy winne może być okablowanie?? Od czego zacząć szukanie usterki??
    Z góry dziękuje za wszelką pomoc.
  • REKLAMA
  • #2 17211187
    spinacz
    Poziom 42  
    Jak napisałeś pierw do sprawdzenia złącze i przewody, potem omomierz i pomiary potencjometry przepustnicy.
    Po tych pomiarach będziesz wiedział co uszkodzone, możesz jeszcze sobie podłączyć jakiś zewnętrzny potencjometr i sprawdzić czy VAG widzi zmiany.
  • #3 17211196
    noidemm
    Poziom 22  
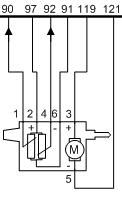
    Które piny są od potencjonometru ?? Dodam, że silnik 1.6 8v. 75 km. Na oko przewody całe.
  • Pomocny post
    #4 17211218
    spinacz
    Poziom 42  
    Tam są chyba dwa potencjometry jak się nie mylę chodzące przeciwnie do siebie, teraz nie ma mnie przed kompem ale jak będę wrzucę Ci rozpiskę chyba że ktoś wcześniej to zrobi.

    Dodano po 13 [godziny] 54 [minuty]:

    Są dwa rodzaje przepustnic, nie wiem którą masz, podaj kod silnika.seat cordoba 2002 - Brak mocy, wysokie napięcie przepustnicyseat cordoba 2002 - Brak mocy, wysokie napięcie przepustnicy
  • REKLAMA
  • #5 17214499
    noidemm
    Poziom 22  
    Silnik ALM 1.6 8V.
    Po wymianie przepustnicy (używana) problem dalej występuje. Błedy przepustnicy zginęły jednak na kanale 98 nie da się jej zaadoptować. Chyba, że jakiś inny kanał odpowiada w tym silniku za adaptację.
    Czy winna może być sonda Lambda?? Dodam, że jest uszkodzona, jednak od paru lat jeżdże na takiej i nie było żadnego problemu.
  • #6 17214529
    spinacz
    Poziom 42  
    Tak, jest możliwość że uszkodzona lambda nie pozwoli na adaptacje. Jednak utrata mocy nie bardzo mi pasuje do awarii lambdy i przepustnicy, auto powinno mieć moc.
  • #7 17214536
    noidemm
    Poziom 22  
    Jakie kanały jeszcze można sprawdzić odpowiedzialne za mieszankę?? Auto na zimnym jeszcze w miarę pracuje jak się nagrzeje wtedy zaczyna skakać jak kangur. Najgorsze jest gwałtowne przyśpieszanie. Powolne przyśpieszanie daje radę.
    Mimo wszystko jak wejdę w bloki pomiarowe na kanale 98 to przy wciskaniu pedału gazu (pedał na lince) wartości powinny się zmieniać, a ty stoją w miejscu.
  • #8 17214550
    spinacz
    Poziom 42  
    Skoro nie widać zmian w ECU to albo masz uszkodzoną wiazke między ECU a przepustnicą lub uszkodzony ECU.
  • #9 17214553
    noidemm
    Poziom 22  
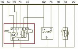
    Które piny odpowiadają za przesył położenia przepustnicy do ECU?? Wg. schematu to 1i2?? jaka wartość powinna być przy zamkniętej przepustnicy??
  • #10 17214565
    spinacz
    Poziom 42  
    Między 2-6 powinno być stałe 5V. I mierzysz jak na zwykłym potencjometrze, masz je tam dwa. Ale skoro nie widzisz zmian na ECU to sprawdź wiazke.
  • REKLAMA
  • #11 17214573
    noidemm
    Poziom 22  
    A czy te wartości na kanale 98 w oknie nr 1 i nr 2 czyli 128,0 oraz 121,0 nie są zdecydowanie za wysokie?? (pierwsze zdjęcie w temacie)?
  • #12 17214584
    spinacz
    Poziom 42  
    A zmieniają się jak odlaczysz przepustnicę?
  • #13 17214599
    noidemm
    Poziom 22  
    Będe popołudniu w domu to sprawdzę, ale mam wrażenie, że się nie zmieniają.

    Dodano po 9 [godziny] 43 [minuty]:

    Zauważyłem że wartości nie zmieniają się czy odlacze czy podłącze przepustnice, zero reakcji. Mało tego to jest jakoś błąd jak by sterownika nie czytał bo te wartości co na zdjęciu nr 1 mam na kanale od 07 do ponad 100. Czyli jak by wcale nie odczytywal kompa. Nie widzi też kanału 007 gdzie powinien być zapłon. Czy to możliwe żeby jakoś bezpiecznik wywaliło czy raczej komp się wysypał?
  • #14 17216260
    spinacz
    Poziom 42  
    Ja bym jeszcze zrobił diagnozę pełnym VCDS lub innym sprzętem bo może źle odczytywane są parametry w tym Lite.
    Ale jeśli faktycznie wiązka ok, zasilanie potencjometrów ok, przepustnica ok to zostaje tylko do wymiany ECU.
  • #15 17216266
    noidemm
    Poziom 22  
    Na pełnej wersji van com 4 to samo
  • #16 17216287
    spinacz
    Poziom 42  
    No to zostaje tylko ECU do wymiany.
  • REKLAMA
  • #17 17216312
    noidemm
    Poziom 22  
    Nr muszą być takie same czy czym się kierować przy zakupie ?
  • #18 17216319
    spinacz
    Poziom 42  
    Wrzuć foto etykiety z ECU to ci powiem.

    Dodano po 51 [minuty]:

    Według tego co odczytał vcds 6K0 906 030E.
  • #19 17252679
    noidemm
    Poziom 22  
    seat cordoba 2002 - Brak mocy, wysokie napięcie przepustnicy

    Dodano po 14 [godziny] 45 [minuty]:

    Czy imobilaiser zaprogramuje vag comem czy trzeba jakiś specjalne oprogramowanie.
REKLAMA