Dzisiaj postaram się przybliżyć Wam mostki H.
Mostek H jest układem elektrycznym umożliwiającym zmianę kierunku silnika prądu stałego poprzez odwracanie polaryzacji napięcia na jego wyjściu. Mostek taki można wykonać np. z przekaźników, tranzystorów lub można zastosować gotowy układ scalony.
Nazwa pochodzi od graficznego odwzorowania układu. Mostek taki zbudowany jest z 4 styków które załączane są parami.
Poniżej graficzne przedstawienie mostku H.
Styk S1 i S4 tworzą jedną parę, zaś styk S2 i S3 drugą parę. Załączenie jednej pary S1-S4 powoduje że na lewym biegunie silnika mamy potencjał dodatni zaś na prawym ujemny. Załączenie drugiej pary S2-S3 powoduję odwrócenie tej polaryzacji co zmienia kierunek przepływu prądu a w rezultacie kierunek obrotu silnika.
Zbudowanie mostka H na przekaźnikach jest dość proste i nie wymaga skomplikowanego sterowania. Jednak takie rozwiązanie ma pewne minusy – rezystancja styku, trwałość styku i jego liczba łączeń. Dokładając do tego układu tranzystor zyskujemy dodatkową funkcję dzięki której możemy regulować prędkość silnik zasilanego z takiego mostka.
Do budowy mostków można użyć też tranzystorów bipolarnych lub MOSfetów.
Przy wyżej wspomnianych mostkach należy zwrócić uwagę że podczas ich sterowania pojawia się pewien stan który to można powiedzieć że jest zabroniony, tzn. nie możemy wysterować jednocześnie wszystkich naszych styków, możemy sterować tylko parami S1-S4 lub S2-S3 w przeciwnym razie w układzie powstanie zwarcie.
Mostki H wykorzystywane są dość często np. przy budowie robotów sumo, micromouse czy linefolower , można je też spotkać w układach wspomagania kierowniczego w autach.
Trochę teorii za nami więc wiemy już co to i do czego służy. Teraz możemy zając się naszym układem z tematu. L298 to podwójny mostek H w obudowie Mulitwatt 15 . Wyraz „podwójny” oznacza tutaj że w jednej obudowie mamy dwa osobne mostki co pozwoli nam obsłużyć dwa silniki prądu stałego.
Omawiany tutaj moduł jest gotowym układem do użycia gdzie po podłączeniu zasilania oraz podłączeniu silnika możemy zacząć zabawę z silnikiem.
Poniżej zdjęcie i opis złącz i wyprowadzeń tego modułu.
Poniżej schemat modułu.
Jak widać z zdjęć i ze schematu mamy tutaj dwa zasilania – jedno do zasilania silnika, drugie do zasilania logiki mostka. Producent płytki podał że zasilanie logiki to 5VDC zaś silników to 12VDC. Zaglądając do dokumentacji możemy znaleźć że zasilanie logiki może być na poziomie 4,5-7VDC zaś zasilanie dla silników do 46VDC. Patrząc jednak na płytkę możemy zauważyć że zastosowane tutaj kondensatory są na napięcie do 35V więc nie powinniśmy przekraczać ich napięcia.
Na płytce znajdziemy też stabilizator 78M05 w obudowie TO-252 którego napięcie zasilania mieści się w przedziale 7-35V co oznaczało by że jeżeli chcemy zasilać silniki napięciem niższym niż 7V lub wyższym niż 35V (ale tutaj ograniczają nas kondensatory) to należało by do złącza ARK doprowadzić 5V i wyjąć zworkę zasilania która to podaje zasilanie ze stabilizatora na L298. Jeżeli będziemy używać zasilania silników w przedziale 7-35V to do złącza ARK możemy doprowadzić tylko zasilanie silników i zostawić zworę założoną. Ponadto na płytce znajdziemy diodę LED informującą o podaniu napięcia na logikę układu oraz diody zabezpieczające przed powstawaniem przepięć w momencie rozłączania uzwojenia silnika. Na PCB mamy do dyspozycji jeszcze dwa złącza ARK służące do podłączenia dwóch silników oraz listwę goldpin z opisami: ENA, IN1, IN2, IN3, IN4, ENB. Są to wejścia do sterowania naszym mostkiem. ENA odblokowuje działanie wyjścia OUT1, OUT2, zaś ENB odblokowuje wyjścia OUT3, OUT4. Wejścia EN możemy użyć na dwa sposoby – pierwsze to zostawienie zworek na swoich miejscach gdzie do sterowania wystarczy teraz podawać stany wysokie na wejścia IN lub zdjąć zworki i na dolny rząd goldpinów w miejsce EN podać sygnał PWM dzięki któremu będziemy mogli regulować prędkością silnika lub też uzyskać miękkim start i zatrzymanie silnika.
Wcześniej pisałem o sterowaniu parami styków. W układzie L298 nasze pary S1-S2 odpowiadają wejściu IN1, S3-S4 wejściu IN2 dla pierwszego mostka (wyjście OUT1, OUT2), wejście IN3 i IN4 to pary S1-S2 i S3-S4 drugiego mostka(wyjście OUT3, OUT4).Jak zapamiętaliście z tego co napisałem wcześniej przy wysterowaniu dwóch par jednocześnie pojawia się stan zabroniony – tutaj, w układzie L298 taki stan nie wystąpi co widać na poniższym schemacie blokowym tego mostka.
W przypadku pojawienia się identycznych stanów logicznych na IN1-IN2 lub IN3-IN4 nie dojdzie do zwarcia. Przy pojawieniu się stanu niskiego na obu wejściach jednocześnie na wyjściach będziemy mieli minusy zaś przy stanach wysokich na wejściach na wyjściach będą plusy więc zwarcia nie będzie ani też nasz silnik nie ruszy. Chcąc wysterować nasz silnik w prawo podajemy „1” na IN1 lub IN3 lub gdy chcemy wysterować go w lewo to podajemy „1” na IN2 lub IN4.
Nasz mostek pozwala nam na zasilanie silnika pobierającego prąd 2A, mostek jest w stanie dać nam w „szczycie” 3A.
Układ L298 posiada dwa wejścia których to producent płytki PCB nie wykorzystał. Mowa tutaj o nóżkach 1 i 15 zwanych „Current sensing A” i „Current sensing B”, które to po podłączeniu w szeregu z odpowiednio dobranymi rezystorami do masy służą do kontrolowania prądu obciążenia.
Poniżej krótki program napisany w BASCOM gdzie za pomocą czterech przycisków możemy regulować prędkość oraz kierunek wirowania silnika. Regulacja prędkości działa tylko na postoju silnika. Program startuje z wypełnieniem PWM ok. 49%. Pamiętajcie że przy zbyt dużej częstotliwości PWM silnik straci na mocy oraz o tym że silnik zatrzyma się przy wyższym wypełnieniu a nie dopiero przy wypełnieniu równym zero.
Poniżej krótki film jak to się sprawuje w rzeczywistości.
Moduł ten równie dobrze możemy wykorzystać do sterowania silnikiem krokowym unipolarnym. Wystarczy zaciski wspólne cewek połączyć razem i podłączyć je do masy zaś cztery końce uzwojeń cewek podłączyć odpowiednio pod wyjścia OUT1-OUT4. Zworki ENA i ENB należy tutaj zostawić założone gdyż tutaj regulację prędkości uzyskuje się poprzez opóźnienie pomiędzy wysterowaniem cewek a nie poprzez regulację PWM.
Poniżej program napisany w BASCOM gdzie mamy do dyspozycji dwa przyciski – jeden umożliwia ruch silnika w prawo, drugi w lewo. Każde naciśniecie guzika to wykonanie jednej sekwencji – 4 kroków. Trzymanie guzika spowoduje powtarzanie sekwencji czyli jak długo trzymamy tak długo kręci się silnik. Zmiana czasu „Waitms 15” spowoduje zmian prędkości silnika.
Poniżej film z działania.
Moduł ten możemy również wykorzystać do sterownia silnikiem krokowym bipolarnym. W przypadku sterowania silników krokowych układ L298 działa jako „wzmacniacz” sygnału wejściowego.
Moduł ten jest dość popularny i tani. Można zakpić go z Allegro w cenie z przesyłką od 15,49zł lub na Aliexpress w cenie od $1,28 wraz z wysyłką.
Wymiary modułu: 44x44x30mm.
Na koniec kilka oscylogramów.
Wyjście z podłączonym silnikiem DC.
Wyjście bez podłączonego silnika DC.
Wyjście (żółty) i wejście (zielony) z podłączonym silnikiem unipolarnym.
Wyjście (żółty) i wejście (zielony) bez podłączonego silnika unipolarnego.

Mostek H jest układem elektrycznym umożliwiającym zmianę kierunku silnika prądu stałego poprzez odwracanie polaryzacji napięcia na jego wyjściu. Mostek taki można wykonać np. z przekaźników, tranzystorów lub można zastosować gotowy układ scalony.
Nazwa pochodzi od graficznego odwzorowania układu. Mostek taki zbudowany jest z 4 styków które załączane są parami.
Poniżej graficzne przedstawienie mostku H.
Styk S1 i S4 tworzą jedną parę, zaś styk S2 i S3 drugą parę. Załączenie jednej pary S1-S4 powoduje że na lewym biegunie silnika mamy potencjał dodatni zaś na prawym ujemny. Załączenie drugiej pary S2-S3 powoduję odwrócenie tej polaryzacji co zmienia kierunek przepływu prądu a w rezultacie kierunek obrotu silnika.
Zbudowanie mostka H na przekaźnikach jest dość proste i nie wymaga skomplikowanego sterowania. Jednak takie rozwiązanie ma pewne minusy – rezystancja styku, trwałość styku i jego liczba łączeń. Dokładając do tego układu tranzystor zyskujemy dodatkową funkcję dzięki której możemy regulować prędkość silnik zasilanego z takiego mostka.
Do budowy mostków można użyć też tranzystorów bipolarnych lub MOSfetów.
Przy wyżej wspomnianych mostkach należy zwrócić uwagę że podczas ich sterowania pojawia się pewien stan który to można powiedzieć że jest zabroniony, tzn. nie możemy wysterować jednocześnie wszystkich naszych styków, możemy sterować tylko parami S1-S4 lub S2-S3 w przeciwnym razie w układzie powstanie zwarcie.
Mostki H wykorzystywane są dość często np. przy budowie robotów sumo, micromouse czy linefolower , można je też spotkać w układach wspomagania kierowniczego w autach.
Trochę teorii za nami więc wiemy już co to i do czego służy. Teraz możemy zając się naszym układem z tematu. L298 to podwójny mostek H w obudowie Mulitwatt 15 . Wyraz „podwójny” oznacza tutaj że w jednej obudowie mamy dwa osobne mostki co pozwoli nam obsłużyć dwa silniki prądu stałego.
Omawiany tutaj moduł jest gotowym układem do użycia gdzie po podłączeniu zasilania oraz podłączeniu silnika możemy zacząć zabawę z silnikiem.
Poniżej zdjęcie i opis złącz i wyprowadzeń tego modułu.
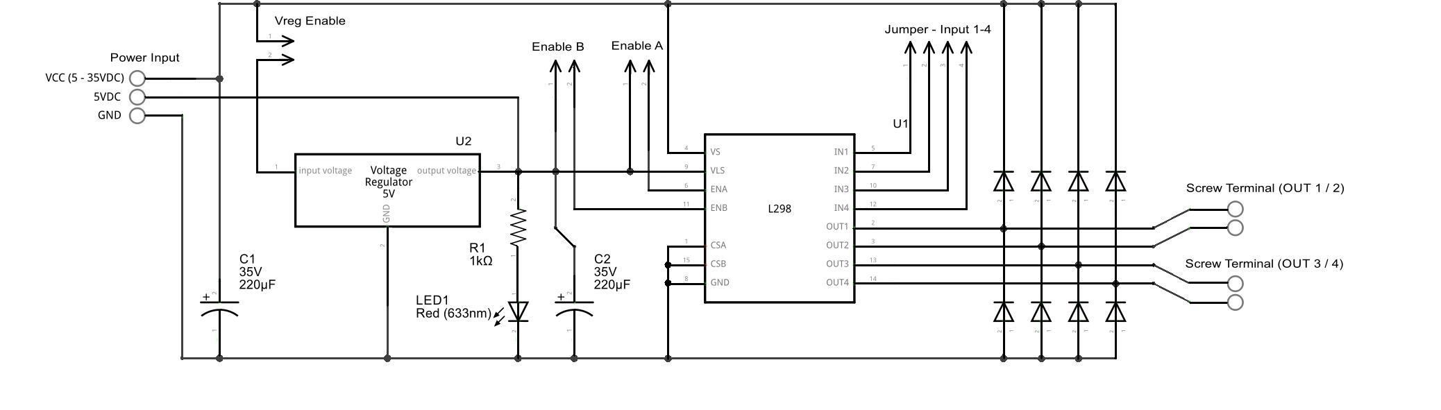
Poniżej schemat modułu.
Jak widać z zdjęć i ze schematu mamy tutaj dwa zasilania – jedno do zasilania silnika, drugie do zasilania logiki mostka. Producent płytki podał że zasilanie logiki to 5VDC zaś silników to 12VDC. Zaglądając do dokumentacji możemy znaleźć że zasilanie logiki może być na poziomie 4,5-7VDC zaś zasilanie dla silników do 46VDC. Patrząc jednak na płytkę możemy zauważyć że zastosowane tutaj kondensatory są na napięcie do 35V więc nie powinniśmy przekraczać ich napięcia.
Na płytce znajdziemy też stabilizator 78M05 w obudowie TO-252 którego napięcie zasilania mieści się w przedziale 7-35V co oznaczało by że jeżeli chcemy zasilać silniki napięciem niższym niż 7V lub wyższym niż 35V (ale tutaj ograniczają nas kondensatory) to należało by do złącza ARK doprowadzić 5V i wyjąć zworkę zasilania która to podaje zasilanie ze stabilizatora na L298. Jeżeli będziemy używać zasilania silników w przedziale 7-35V to do złącza ARK możemy doprowadzić tylko zasilanie silników i zostawić zworę założoną. Ponadto na płytce znajdziemy diodę LED informującą o podaniu napięcia na logikę układu oraz diody zabezpieczające przed powstawaniem przepięć w momencie rozłączania uzwojenia silnika. Na PCB mamy do dyspozycji jeszcze dwa złącza ARK służące do podłączenia dwóch silników oraz listwę goldpin z opisami: ENA, IN1, IN2, IN3, IN4, ENB. Są to wejścia do sterowania naszym mostkiem. ENA odblokowuje działanie wyjścia OUT1, OUT2, zaś ENB odblokowuje wyjścia OUT3, OUT4. Wejścia EN możemy użyć na dwa sposoby – pierwsze to zostawienie zworek na swoich miejscach gdzie do sterowania wystarczy teraz podawać stany wysokie na wejścia IN lub zdjąć zworki i na dolny rząd goldpinów w miejsce EN podać sygnał PWM dzięki któremu będziemy mogli regulować prędkością silnika lub też uzyskać miękkim start i zatrzymanie silnika.
Wcześniej pisałem o sterowaniu parami styków. W układzie L298 nasze pary S1-S2 odpowiadają wejściu IN1, S3-S4 wejściu IN2 dla pierwszego mostka (wyjście OUT1, OUT2), wejście IN3 i IN4 to pary S1-S2 i S3-S4 drugiego mostka(wyjście OUT3, OUT4).Jak zapamiętaliście z tego co napisałem wcześniej przy wysterowaniu dwóch par jednocześnie pojawia się stan zabroniony – tutaj, w układzie L298 taki stan nie wystąpi co widać na poniższym schemacie blokowym tego mostka.
W przypadku pojawienia się identycznych stanów logicznych na IN1-IN2 lub IN3-IN4 nie dojdzie do zwarcia. Przy pojawieniu się stanu niskiego na obu wejściach jednocześnie na wyjściach będziemy mieli minusy zaś przy stanach wysokich na wejściach na wyjściach będą plusy więc zwarcia nie będzie ani też nasz silnik nie ruszy. Chcąc wysterować nasz silnik w prawo podajemy „1” na IN1 lub IN3 lub gdy chcemy wysterować go w lewo to podajemy „1” na IN2 lub IN4.
Nasz mostek pozwala nam na zasilanie silnika pobierającego prąd 2A, mostek jest w stanie dać nam w „szczycie” 3A.
Układ L298 posiada dwa wejścia których to producent płytki PCB nie wykorzystał. Mowa tutaj o nóżkach 1 i 15 zwanych „Current sensing A” i „Current sensing B”, które to po podłączeniu w szeregu z odpowiednio dobranymi rezystorami do masy służą do kontrolowania prądu obciążenia.
Poniżej krótki program napisany w BASCOM gdzie za pomocą czterech przycisków możemy regulować prędkość oraz kierunek wirowania silnika. Regulacja prędkości działa tylko na postoju silnika. Program startuje z wypełnieniem PWM ok. 49%. Pamiętajcie że przy zbyt dużej częstotliwości PWM silnik straci na mocy oraz o tym że silnik zatrzyma się przy wyższym wypełnieniu a nie dopiero przy wypełnieniu równym zero.
Kod: VB.net
Poniżej krótki film jak to się sprawuje w rzeczywistości.
Moduł ten równie dobrze możemy wykorzystać do sterowania silnikiem krokowym unipolarnym. Wystarczy zaciski wspólne cewek połączyć razem i podłączyć je do masy zaś cztery końce uzwojeń cewek podłączyć odpowiednio pod wyjścia OUT1-OUT4. Zworki ENA i ENB należy tutaj zostawić założone gdyż tutaj regulację prędkości uzyskuje się poprzez opóźnienie pomiędzy wysterowaniem cewek a nie poprzez regulację PWM.
Poniżej program napisany w BASCOM gdzie mamy do dyspozycji dwa przyciski – jeden umożliwia ruch silnika w prawo, drugi w lewo. Każde naciśniecie guzika to wykonanie jednej sekwencji – 4 kroków. Trzymanie guzika spowoduje powtarzanie sekwencji czyli jak długo trzymamy tak długo kręci się silnik. Zmiana czasu „Waitms 15” spowoduje zmian prędkości silnika.
Kod: VB.net
Poniżej film z działania.
Moduł ten możemy również wykorzystać do sterownia silnikiem krokowym bipolarnym. W przypadku sterowania silników krokowych układ L298 działa jako „wzmacniacz” sygnału wejściowego.
Moduł ten jest dość popularny i tani. Można zakpić go z Allegro w cenie z przesyłką od 15,49zł lub na Aliexpress w cenie od $1,28 wraz z wysyłką.
Wymiary modułu: 44x44x30mm.
Na koniec kilka oscylogramów.
Wyjście z podłączonym silnikiem DC.
Wyjście bez podłączonego silnika DC.
Wyjście (żółty) i wejście (zielony) z podłączonym silnikiem unipolarnym.
Wyjście (żółty) i wejście (zielony) bez podłączonego silnika unipolarnego.
Fajne? Ranking DIY
