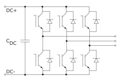
W energoelektronice bardzo popularnym układem jest trójfazowy mostek tranzystorowy, na poniższym rysunku dodatkowo zaopatrzony w kondensator:
Układ ten jest podstawowym składnikiem współczesnych przemienników częstotliwości niskiego napięcia, budowanych na bazie tranzystorów IGBT. Razem z odpowiednim układem sterowania pełni funkcję inwertera (przekształtnika DC/AC), który po połączeniu (szyn DC+/DC-) z prostownikiem stanowi właśnie najczęściej spotykaną strukturę przemiennika częstotliwości:
Na powyższych rysunkach widać również układ złożony z szeregowo połączonych: tranzystora oraz rezystora (wraz z bocznikującą go diodą). Układ ten jest włączony w obwód pośredniczący przemiennika i służy do rozpraszania energii kondensatora CDC – ma on znaczenie w przypadku zwrotu energii z silnika do obwodu pośredniczącego przemiennika, które to zjawisko występuje w przypadku hamowania silnika. Jest to tzw. czoper.
Układ z Rys.1 może również pełnić funkcję prostownika, czyli przekształtnika AC/DC, sterowanego metodą PWM, który ma zastosowanie w tzw. przemiennikach częstotliwości AFE, gdzie zamiast standardowego prostownika diodowego mamy mostek tranzystorowy taki jak na Rys. 1:
Aby układ taki działał poprawnie należy go uzupełnić między innymi o filtr dolnoprzepustowy po stronie zasilania sieciowego. W praktyce jest stosowany filtr o strukturze LCL.
Schematycznie przemiennik częstotliwości AFE (wraz z zewnętrznym układem ładowania wstępnego, oraz z filtrem wejściowym LCL) można przedstawić jak na poniższym rysunku:
Na tych zastosowaniach standardowego mostka tranzystorowego jeszcze nie koniec. Można taki układ wykorzystać również w roli czopera:
Nadmiar energii w obwodzie pośredniczącym przemiennika częstotliwości pojawia się na skutek hamowania silnika zasilonego z przemiennika i jest rozpraszany na zewnętrznych rezystorach R1 i R2. Jeśli dysponujemy modułem AFE, wtedy nadmiar energii obwodu pośredniczącego jest zwracany do trójfazowej sieci zasilającej i czoper nie jest potrzebny.
Jak wyżej widać, dość prosty układ z Rys.1 może pełnić trzy funkcje: inwertera, prostownika oraz czopera. Na tym zastosowania układu z Rys. 1 się nie kończą. Czwartym zastosowaniem omawianego układu jest zastosowanie go w układzie przekształtnika DC/DC.
Przekształtnik DC/DC.
Jedną z wielu cech współczesnych zakładów przemysłowych jest to, że w pewnych bardzo krótkich okresach czasu pobór mocy/energii elektrycznej jest bardzo duży, tzn. dużo większy niż wartość średnia zapotrzebowania tego zakładu. W związku z tym pojawia się potrzeba zapewnienia zakładowi przemysłowemu pewnego rodzaju magazynu energii, która byłaby wykorzystywana w chwilach zwiększonego zapotrzebowania. Takim magazynem energii może być bateria akumulatorów. Rozwiązanie to wymaga jednak stosowania dodatkowych urządzeń energoelektronicznych, umożliwiających sprzęgnięcie baterii akumulatorów z systemem energetycznym, oraz jednocześnie umożliwiających ładowanie tych akumulatorów.
Duże zakłady przemysłowe bardzo często posiadają układy napędowe o dużej mocy. W skład współczesnych układów napędowych wchodzą głównie dwa elementy: silniki AC (najczęściej trójfazowe silniki indukcyjne) i przemienniki częstotliwości - zwane po prostu napędami elektrycznymi, lub niezbyt poprawnie: falownikami. Naturalnie chodzi o tzw. pośrednie przemienniki częstotliwości, ale przymiotnik „pośrednie” jest zazwyczaj pomijany.
Jak to już zostało przypomniane, przemiennik częstotliwości składa się z:
1) prostownika;
2) obwodu pośredniczącego (najczęściej w postaci baterii kondensatorów);
3) inwertera (najczęściej zbudowanego na bazie tranzystorów IGBT);
4) dławika AC - umieszczonego przed prostownikiem, albo dławika DC - umieszczonego w obwodzie pośredniczącym przemiennika;
5) układu ładowania wstępnego obwodu pośredniczącego (w fazie załączenia na sieć zasilającą przemiennika z obwodem pośredniczącym w postaci baterii kondensatorów, wymagają one ładowania poprzez rezystory, które eliminują udar prądu, jaki mógłby się pojawić w przypadku bezpośredniego ładowania tych kondensatorów poprzez prostownik).
Niektórzy producenci przemienników częstotliwości zapewniają możliwość podłączenia do obwodu pośredniczącego przemiennika innego urządzenia, np. obwód pośredniczący jakiegoś innego przemiennika (np. po to by przemienniki te mogły dzielić się energią odzyskiwaną z silnika elektrycznego w procesie jego hamowania), albo zewnętrzny czoper (umożliwiający rozpraszanie nadmiaru energii obwodu pośredniczącego na zewnętrznych rezystorach). Do obwodu pośredniczącego można też podłączyć źródło energii w postaci przekształtnika DC/DC zasilanego z baterii akumulatorów. Naturalnie taki układ: bateria akumulatorów + przekształtnik DC/DC powinien umożliwiać również magazynowanie nadmiaru energii z obwodu pośredniczącego przemiennika w baterii akumulatorów.
Są producenci przemienników, którzy oferują całą gamę produktów, z których można budować cały złożony system napędowy. Te urządzenia to już wspomniane:
1) moduły prostownikowe (przekształtniki AC/DC o jednokierunkowym przepływie energii);
2) moduły inwerterów (przekształtniki DC/AC);
3) moduły czoperów (układów do rozpraszania energii obwodu DC na zewnętrznych rezystorach);
4) moduły AFE (sterowane metodą PWM przekształtniki AC/DC o dwukierunkowym przepływie energii).
Urządzenia te łączone są ze sobą poprzez szyny DC, i wspólnym ich elementem jest właśnie układ z Rys.1. Idea takich systemów jest przedstawiona na dwóch poniższych rysunkach. Pierwszy rysunek przedstawia układ, w którym zastosowane są standardowe prostowniki diodowe NFE (Non-regenerative Front End), ale wtedy czasami zachodzi potrzeba stosowania modułów czopera BCU (Brake Chopper Unit). Drugi rysunek przedstawia układ, w którym zastosowane są moduły AFE (Active Front End), wtedy nie ma konieczności stosowania modułów czopera w układzie, a dodatkową korzyścią jest niska wartość THD prądów zasilających system.
Innym pożytecznym urządzeniem zbudowanym na bazie wspomnianego mostka tranzystorowego jest już wspomniany przekształtnik DC/DC, który przedstawia poniższy rysunek:
Można w tym układzie wyodrębnić trzy takie same fragmenty (podobnie jak w przypadku inwertera będziemy mówić o fazach przekształtnika) złożone z dwóch tranzystorów. Mogą być one sterowane w taki sam sposób, z tym że impulsy wyzwalające tranzystory powinny być opóźnione względem siebie o 1/3 okresu. Dzięki temu amplituda składowej zmiennej prądu baterii akumulatorów będzie miała mniej więcej 3-krotnie mniejszą wartość niż amplituda składowej zmiennej prądu dławika L1 i trzykrotnie większą częstotliwość (o ile indukcyjności w każdej z faz będą takie same).
Zatem w pierwszej kolejności zajmiemy się analizą układu „pojedynczego”, tzn. pojedynczej fazy.
Zakładamy, że napięcie kondensatora zmienia się nieznacznie. Z punktu widzenia uproszczonej analizy przy takim założeniu kondensator można zastąpić idealnym źródłem napięcia stałego E2. Podobnie baterię akumulatorów można zastąpić idealnym źródłem napięcia stałego E1. Założenia te są konieczne do wyprowadzenia prostych analitycznych zależności, które w pierwszej kolejności pozwolą na wyznaczenie indukcyjności L1 oraz wartości międzyszczytowej składowej zmiennej prądu cewki L1/źródła E1.
Prądem i sterujemy stosując następującą metodę:
a) gdy chcemy zwiększyć prąd i, to T2=ON, T1=OFF
b) gdy chcemy zmniejszyć prąd i, to T2=OFF, T1=ON
c) przy T1=T2=OFF prąd i dąży do zera.
Poszczególne możliwe stany układu z Rys. 7 przedstawiają poniższe rysunki:
Kilka uwag odnośnie działania układu:
1) nie można dopuścić do stanu: T1=T2=ON (bo nie można dopuścić do zwarcia źródła E2);
2) zawsze musi być spełnione: E1<E2 (w przeciwnym wypadku prąd rósł by nam nieograniczenie).
Na podstawie wyżej pokazanych rysunków można przedstawić prosty model przekształtnika:
Przeanalizujmy działanie takiego układu w stanie ustalonym, w którym przebieg prądu i jest przebiegiem trójkątnym, tak jak na poniższym rysunku:
$$\text{dla} \ 0\leqslant t\leqslant t_{1}: \ \frac{di}{dt}=\frac{E_{1}}{L_{1}} \implies i=\frac{E_{1}}{L_{1}}t+a \quad \leftarrow (1)$$
$$\text{dla} \ t_{1}\leqslant t\leqslant T: \ \frac{di}{dt}=\frac{E_{1}-E_{2}}{L_{1}} \implies i=\frac{E_{1}-E_{2}}{L_{1}}t+b \quad \leftarrow (2)$$
Dodatkowo z warunku ciągłości prądu i otrzymujemy ostateczne zależności:
$$\begin{cases} (1)\\ i(t_{1})=I_{\text{max}}\end{cases} \implies I_{pp}:=I_{\text{max}}-I_{\text{min}}=\frac{E_{1}}{L_{1}}t_{1} \quad \leftarrow (3)$$
$$\begin{cases} (2)\\ i(t_{1})=I_{\text{max}} \\ i(T)=I_{\text{min}} \end{cases} \implies I_{pp}=\frac{E_{2}-E_{1}}{L_{1}}\left ( T-t_{1} \right ) \quad \leftarrow (4)$$
$$\begin{cases} (4)\\ (3) \end{cases} \implies d:=\frac{E_{1}}{E_{2}}=1-\frac{t_{1}}{T} \quad \leftarrow (5)$$
$$\begin{cases} (3)\\ (5) \\ (6) \end{cases} \implies I_{pp}=\frac{E_{2}}{f L_{1}}d\left ( 1-d \right ), \ \text{gdzie:} \ f=\frac{1}{T} \quad \leftarrow (6)$$
Należy zwrócić uwagę, że w tym momencie nie potrafimy określić wartości Imin, Imax, a jedynie różnicę między tymi wartościami. Wartości Imin, Imax można powiązać z wartością mocy średniej przekazywanej ze źródła E1 do źródła E2.
Warto zauważyć, że dla przebiegu trójkątnego słuszne są następujące zależności:
$$\begin{cases} \frac{1}{2}\left ( I_{\text{max}}+I_{\text{min}} \right )=I_{av} \\ I_{pp}=I_{\text{max}}-I_{\text{min}} \end{cases} \Rightarrow \begin{cases} I_{\text{max}}=I_{av}+\frac{1}{2} I_{\text{pp}} \\ I_{\text{min}}=I_{av}-\frac{1}{2} I_{\text{pp}} \end{cases} \quad \leftarrow (7)$$
gdzie: Iav - to wartość średnia prądu.
Zatem jesteśmy w stanie jednoznacznie określić przebieg trójkątny prądu poprzez podanie albo wartości maksymalnej Imax i minimalnej Imin, albo poprzez podanie wartości średniej Iav i wartości międzyszczytowej Ipp
Natomiast moc źródła E1 jest równa:
$$P_{E1}=\frac{1}{T}\int\limits_{0}^{T}E_{1}i dt=E_{1}\cdot \frac{1}{T}\int\limits_{0}^{T}i dt =E_{1} \cdot I_{av}\quad \leftarrow (8)$$
Powtórzmy jeszcze raz najważniejsze wyniki przeprowadzonej analizy:
$$d=\frac{E_{1}}{E_{2}}=1-\frac{t_{1}}{T}, \quad I_{pp}=\frac{E_{2}}{f L_{1}}d\left ( 1-d \right ) \quad \leftarrow (9)$$
Najważniejszy wniosek z przeprowadzonej analizy dotyczy maksymalnej wartości międzyszczytowej prądu, która wystąpi dla d=1/2:
$$I_{\text{pp,max}}=\frac{E_{2}}{4fL_{1}}\quad \leftarrow (10)$$
Na podstawie powyższej zależności można oszacować wartość indukcyjności koniecznej do uzyskania założonego poziomu tętnień prądu baterii akumulatorów.
Po analizie jednej fazy przekształtnika (z Rys. 7), można przejść do analizy układu pełnego z Rys. 6. Model układu pełnego (analogiczny do modelu z rys. 12) wygląda następująco:
Załóżmy teraz, że klucze będą przełączane tak, jak to jest przedstawione na Rys. 15. Przebiegi prostokątne symbolicznie przedstawiają sytuację kiedy klucze w modelu z Rys. 14 znajdują się w pozycji „1”, tzn. kiedy źródło E1 jest zwarte przez indukcyjność L1. Jest tam przedstawiona sytuacja kiedy 0 ≤ t1 ≤ T/3, a z tego wynika, że: 2/3 ≤ d ≤ 1.
Jak widać na załączonych wykresach, przebieg prądu źródła E1 ma trzykrotnie większą częstotliwość, niż przebieg prądu elementu L1. Na podstawie przedstawionego wykresu obliczamy wartość międzyszczytową prądu. Wiemy, że:
$$i=i_{1}+i_{2}+i_{3} \implies \frac{di}{dt}=\frac{di_{1}}{dt}+\frac{di_{2}}{dt}+\frac{di_{3}}{dt} \qquad \leftarrow (11)$$
Wartość stromości narastania prądu i:
$$\frac{di}{dt}=\frac{E_{1}}{L_{1}}+\frac{E_{1}-E_{2}}{L_{1}}+\frac{E_{1}-E_{2}}{L_{1}}=\frac{3E_{1}-2E_{2}}{L_{1}} \qquad \leftarrow (12)$$
Stąd otrzymujemy:
$$\begin{cases} (12) \\ I_{\text{pp}}=\frac{di}{dt} \cdot t_{1} \\t_{1}=\left ( 1-d \right )T \\d=\frac{E_{1}}{E_{2}} \\ 0 \leqslant t_{1}\leqslant \frac{1}{3}T \\f=\frac{1}{T} \end{cases} \implies \begin{cases} I_{\text{pp}}=\frac{E_{2}}{fL_{1}}\left [ \left ( d-\frac{2}{3} \right)-3\left ( d-\frac{2}{3} \right )^{2} \right ] \\ \frac{2}{3} \leqslant d \leqslant 1 \end{cases} \quad \leftarrow (13)$$
Oczywiście stromość opadania prądu i wynosi w tym przypadku: 3 (E1-E2)/L1 = 3E2(d-1)/L1.
Załóżmy teraz, że klucze będą przełączane tak, jak to jest przedstawione na Rys. 16. Jest tam przedstawiona sytuacja kiedy T/3 ≤ t1 ≤ 2T/3, a z tego wynika, że: 1/3 ≤ d ≤ 2/3.
Stromość narastania prądu i:
$$\frac{di}{dt}=\frac{E_{1}}{L_{1}}+\frac{E_{1}}{L_{1}}+\frac{E_{1}-E_{2}}{L_{1}}=\frac{3E_{1}-E_{2}}{L_{1}} \qquad \leftarrow (14)$$
$$\begin{cases} (14) \\ I_{\text{pp}}=\frac{di}{dt} \cdot \left (t_{1}-\frac{T}{3} \right ) \\t_{1}=\left ( 1-d \right )T \\d=\frac{E_{1}}{E_{2}} \\ \frac{1}{3}T \leqslant t_{1}\leqslant \frac{2}{3}T \\f=\frac{1}{T} \end{cases} \Rightarrow \begin{cases} I_{\text{pp}}=\frac{E_{2}}{fL_{1}}\left [ \left ( d-\frac{1}{3} \right)-3\left ( d-\frac{1}{3} \right )^{2} \right ] \\ \frac{1}{3} \leqslant d \leqslant \frac{2}{3} \end{cases} \quad \leftarrow (15)$$
Stromość opadania prądu w tym przypadku wynosi: (3E1-2E2)/L1 = E2(3d-2)/L1.
Podobnie załóżmy teraz, że klucze będą przełączane tak, jak to jest przedstawione na Rys. 17. Jest tam przedstawiona sytuacja kiedy 2T/3 ≤ t1 ≤ T, a z tego wynika, że: 0 ≤ d ≤ 1/3.
$$\frac{di}{dt}=\frac{E_{1}}{L_{1}}+\frac{E_{1}}{L_{1}}+\frac{E_{1}}{L_{1}}=\frac{3E_{1}}{L_{1}} \qquad \leftarrow (16)$$
$$\begin{cases} (16) \\ I_{\text{pp}}=\frac{di}{dt} \cdot \left (t_{1}-\frac{2}{3}T \right ) \\t_{1}=\left ( 1-d \right )T \\d=\frac{E_{1}}{E_{2}} \\ \frac{2}{3}T \leqslant t_{1}\leqslant T \\f=\frac{1}{T} \end{cases} \Rightarrow \begin{cases} I_{\text{pp}}=\frac{E_{2}}{fL_{1}}\left [ d-3d^{2} \right ] \\ 0 \leqslant d \leqslant \frac{1}{3} \end{cases} \quad \leftarrow (17)$$
Stromość opadania prądu i w tym przypadku wynosi: (3E1-E2)/L1 = E2(3d-1)/L1.
Podsumowując:
$$I_{\text{pp}} =\frac{E_{2}}{fL_{1}}\begin{cases} d-3d^{2}, &\text{dla } 0 \leqslant d \leqslant \frac{1}{3} \\ \\ \left [\left ( d-\frac{1}{3} \right )-3\left ( d-\frac{1}{3} \right )^{2} \right ], &\text{dla } \frac{1}{3} \leqslant d \leqslant \frac{2}{3} \\ \\ \left [\left ( d-\frac{2}{3} \right )-3\left ( d-\frac{2}{3} \right )^{2} \right ], &\text{dla } \frac{2}{3} \leqslant d \leqslant 1 \end{cases} \qquad \leftarrow (18)$$
Na podstawie powyższego wnioskujemy, że maksymalna wartość międzyszczytowa prądu źródła E1 (reprezentującego baterię akumulatorów):
$$I_{\text{pp,max}}=\frac{E_{2}}{12fL_{1}}, \quad \text{dla:} \quad d=\frac{1}{6}, \frac{1}{2}, \frac{5}{6}\quad \leftarrow (19)$$
Na podstawie powyższej formuły można dobrać optymalną wartość indukcyjności L1. Otóż ze względu na odpowiednio niski poziom strat energii w dławiku, w opracowaniu producenta omawianego rozwiązania zaleca się, żeby wartość międzyszczytowa prądu dławika L1 nie przekraczała jednej czwartej wartości prądu znamionowego tego dławika. Zatem na podstawie powyższej uwagi i zależności (10) można napisać, że:
$$\begin{cases} I_{L1\text{pp,max}}=\frac{E_{2}}{4fL_{1}} \\ I_{L1\text{pp,max}}= \frac{1}{4}I_{L1,\text{nom}} \end{cases} \Rightarrow L_{1}=\frac{E_{2}}{f \cdot I_{\text{L1, nom}}}=\frac{E_{2}}{4f \cdot I_{\text{L1,pp,max}}} \quad \leftarrow (20)$$
Widzimy, że im większa częstotliwość kluczowania f tranzystorów, tym wymagana jest mniejsza indukcyjność L1. Porównując zależności (10) i (19) otrzymujemy:
$$I_{\text{pp,max}}=\frac{I_{\text{L1,pp,max}}}{3} \quad \leftarrow (21)$$
Zależność ta pokazuje najważniejszą korzyść z zastosowania trzech takich samych układów z Rys. 7. Warto też zauważyć, że prąd i w ogóle przestaje pulsować (w stanie ustalonym) dla d = 1/3, 2/3.
W praktyce układ z Rys. 6 jest uzupełniany o dodatkowe elementy reaktancyjne, tak jak na poniższym rysunku:
Patrząc na Rys. 14 można zauważyć, że mostek tranzystorowy razem z kondensatorem można zastąpić trzema sterowanymi źródłami napięcia zmiennego:
Model powyższy można opisać następującymi równaniami:
$$L_{1}\frac{di_{a}}{dt}=u_{1}-u_{DC}\cdot s_{a} \\ L_{1}\frac{di_{b}}{dt}=u_{1}-u_{DC}\cdot s_{b} \\ L_{1}\frac{di_{c}}{dt}=u_{1}-u_{DC}\cdot s_{c} \\ C_{DC}\frac{du_{DC}}{dt}=s_{a}i_{a}+s_{b}i_{b}+s_{c}i_{c}-i_{DC}$$
$$s_{a}=\begin{cases} 0 &\text{dla:} \ p_{a} < \delta_{a} \\ 1 &\text{dla:} \ p_{a} \geqslant \delta_{a} \end{cases} \\ s_{b}=\begin{cases} 0 &\text{dla:} \ p_{b} < \delta_{b} \\ 1 &\text{dla:} \ p_{b} \geqslant \delta_{b} \end{cases} \\ s_{c}=\begin{cases} 0 &\text{dla:} \ p_{c} < \delta_{c} \\ 1 &\text{dla:} \ p_{c} \geqslant \delta_{c} \end{cases}$$
$$p_{a}=\frac{1}{T} \mod \left(t,T \right )\\ p_{b}=\frac{1}{T} \mod \left(t-\frac{T}{3},T \right )\\ p_{c}=\frac{1}{T} \mod \left(t+\frac{T}{3},T \right )$$
pa(t), pb(t), pc(t) - przebiegi piłokształtne o takim samym okresie i o jednostkowej amplitudzie.
Zmienne δa(t), δb(t), δc(t) przyjmujące wartości z zakresu 0 ÷ 1 określają przez jaką część okresu T przełączniki w modelu z Rys. 14 znajdują się w pozycji „1”.
Warto podkreślić, że same zmienne δa(t), δb(t), δc(t) nie determinują wartości średnich (czy skutecznych) prądów ia, ib, ic . Od tych zmiennych zależy jedynie stopień pulsowania tych prądów. Dlatego należy sterować tymi zmiennymi niezależnie, np. tak by gałęzie mostka tranzystorowego obciążały się równomiernie.
Przedstawiona wyżej uproszczona analiza układu przekształtnika DC/DC zakłada równe indukcyjności w każdej fazie przekształtnika. W rzeczywistości te indukcyjności nie będą równe i będą na dodatek nieliniowe – co łatwo można uwzględnić w wyżej przedstawionym modelu na Rys. 19.
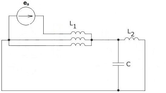
Należy w tym miejscu wspomnieć o zjawisku rezonansu w badanym układzie. Będzie miało ono decydujące znaczenie jeśli chodzi o dobór parametrów L2, C. Parametr L1 dobieramy tak, by ograniczyć pulsowanie prądu i. Natomiast pozostałe elementy filtru dobieramy tak, by zapewniały odpowiednio niskie pulsowanie napięcia u1 – w związku z czym te parametry nie mogą być zbyt małe. Nie mogą one być zbyt małe nie tylko z tego powodu. Drugim powodem jest występowanie zjawiska rezonansu. Częstotliwość kluczowania tranzystorów musi być odpowiednio wyższa od największej częstotliwości rezonansowej układu (częstotliwość dowolnej harmonicznej wymuszenia występującego w układzie nie może być niższa od największej częstotliwości rezonansowej układu, innymi słowy: dla żadnej składowej harmonicznej wymuszenia nie może zajść rezonans). Wyznaczymy częstotliwości rezonansowe na podstawie Rys. 19. Przy czym należy zaznaczyć, że elementy L1, L2, C traktujemy jako elementy liniowe, co oczywiście jest tylko pewnym przybliżeniem. Wtedy można stosować zasadę superpozycji do badanego układu, właśnie w celu wyznaczenia częstotliwości rezonansowych.
Postępując zgodnie z zasadą superpozycji możemy wyzerować źródła: eb, ec, uB (Rys. 20a) i wyznaczamy impedancję widzianą od strony zacisków źródła ea:
$$\underline{Z}=j\left [ \omega L_{1}+\frac{\omega^{2}L_{1}L_{2}}{2\omega L_{2}+\omega L_{1}\left ( 1-\omega^{2}L_{2}C \right )} \right ] \quad \leftarrow (23)$$
Po przyrównaniu części urojonej tego wyrażenia do zera, otrzymujemy równanie, z którego wyznaczamy częstotliwość rezonansową:
$$f_{\text{r}1}=\frac{1}{2\pi}\sqrt{\frac{\frac{L_{1}}{3}+L_{2}}{\frac{L_{1}}{3}L_{2}C}} \quad \leftarrow (24)$$
Tak więc jeśli częstotliwość pewnej składowej napięcia ea jest równa częstotliwości fr1, to elementy L1, C, L2 stanowią zwarcie dla tej składowej. Jest to bardzo groźna sytuacja, której za wszelką cenę należy unikać. Omawiany przypadek rezonansu jest rezonansem napięć, przy wystąpieniu którego mamy niebezpiecznie niską wartość impedancji „widzianą” przez źródło ea (w naszym przypadku ta impedancja jest zerowa!), ale trzeba przede wszystkim pamiętać, że przy rezonansie napięć mogą wystąpić niebezpieczne wartości napięć elementów, pomiędzy którymi oscyluje energia.
Rezonans (tym razem rezonans prądów) może zachodzić między elementami L2 i C. Wtedy admitancja tego dwójnika równoległego L2,C jest równa zeru:
$$j\omega_{\text{r}2} C -j\frac{1}{\omega_{\text{r}2} L_{2}}=0$$
Zatem:
$$f_{\text{r}2}=\frac{1}{2\pi\sqrt{L_{2}C}} \quad \leftarrow (25)$$
Rezonans prądów może się przyczynić do występowania bardzo dużych wartości prądów – w tym przypadku prądów elementów L2, C. Naturalnie prąd elementu L2 będzie jednocześnie składową prądu baterii akumulatorów.
Podobnie:
- rezonans prądów może zachodzić także między jedną indukcyjnością L1 oraz elementem C dla częstotliwości:
$$f_{\text{r}3}=\frac{1}{2\pi \sqrt{L_{1}C}} \quad \leftarrow (26)$$
- rezonans prądów może zachodzić także między dwiema indukcyjnościami L1 oraz elementem C dla częstotliwości:
$$f_{\text{r}4}=\frac{1}{2\pi \sqrt{\frac{L_{1}}{2}C}} \quad \leftarrow (27)$$
- rezonans prądów może zachodzić również między elementami C, L2 oraz jednym elementem L1 dla częstotliwości:
$$f_{\text{r}5}=\frac{1}{2\pi}\sqrt{\frac{L_{1}+L_{2}}{L_{1}L_{2}C}} \quad \leftarrow (28)$$
- rezonans prądów może zachodzić również między elementami C, L2 oraz dwoma elementami L1 dla częstotliwości:
$$f_{\text{r}6}=\frac{1}{2\pi}\sqrt{\frac{\frac{L_{1}}{2}+L_{2}}{\frac{L_{1}}{2}L_{2}C}} \quad \leftarrow (29)$$
- rezonans prądów może zachodzić między elementem C oraz trzema elementami L1 dla częstotliwości:
$$f_{\text{r}7}=\frac{1}{2\pi\sqrt{\frac{L_{1}}{3}C}} \quad \leftarrow (30)$$
Natomiast patrząc na Rys. 20b obliczamy impedancję widzianą od strony zacisków baterii. Wynosi ona:
$$\underline{Z}=j\left ( \omega L_{2}-\frac{\omega L_{1}}{\omega^{2}L_{1}C-3} \right ) \quad \leftarrow (31)$$
Impedancja ta jest równa zero dla częstotliwości równej częstotliwości fr1. Oczywiście można zadać pytanie, skąd w napięciu baterii akumulatorów może się pojawić składowa zmienna napięcia? Otóż nawet jeśli założyć najprostszy model akumulatora w postaci idealnego źródła napięcia stałego i stałej rezystancji wewnętrznej, to wiemy przecież, że prąd baterii akumulatorów w analizowanym układzie będzie pulsować, a to przyczyni się do zmian napięcia na rezystancji wewnętrznej akumulatora, a tym samym do zmian napięcia na zaciskach akumulatora.
Widać zatem, że układ posiada siedem częstotliwości rezonansowych. Można łatwo zauważyć, że największą częstotliwością rezonansową rozważanego układu jest wartość fr1 - wzór (30). Na tej podstawie wyznaczamy dolne ograniczenie wartości L1, L2, C.
Jeśli założyć, że częstotliwość kluczowania f tranzystorów jest dwa razy większa niż największa częstotliwość rezonansowa układu:
$$f=2f_{\text{r,max}}=2\cdot \frac{1}{2\pi}\sqrt{\frac{\frac{L_{1}}{3}+L_{2}}{\frac{L_{1}}{3}L_{2}C}} \quad \leftarrow (32)$$
oraz że:
$$L_{2}=\frac{L_{1}}{6} \quad \leftarrow (33)$$
to pojemność będzie wynosiła:
$$C=\frac{9}{L_{1}\pi^{2}f^{2}} \quad \leftarrow (34)$$
Podsumowując, wszystkie zależności pozwalające oszacować parametry L1, L2, C wyglądają następująco:
$$L_{1}=\frac{E_{2}}{12fI_{\text{pp,max}}}, \quad L_{2}=\frac{L_{1}}{6}, \quad C=\frac{9}{\pi^{2}L_{1}f^{2}} \quad \leftarrow (35)$$
Naturalnie tak dobrane parametry filtru powinny być zweryfikowane doświadczalnie podczas testów urządzenia. W przypadku niepowodzenia, należy zwiększyć uzyskaną pojemność C.
W przypadku gdy pominiemy indukcyjność L2 w układzie, wtedy pozostanie tylko pojemność C. W takim wypadku największa częstotliwość rezonansowa będzie dana wzorem (30). Zakładając, że częstotliwość kluczowania tranzystorów przekształtnika będzie pięciokrotnie większa niż maksymalna częstotliwość rezonansowa, to wtedy pojemność zastosowanego kondensatora winna mieć wartość przynajmniej:
$$f=5 \cdot \frac{1}{2\pi\sqrt{\frac{L_{1}}{3}C}} \Rightarrow C=\frac{75}{4\pi^{2}L_{1}f^{2}}\quad \leftarrow (36)$$
VACON Hybridization Design Guide
VACON DC DC Converter Programming Guide
Vacon DC DC Converter Operating Guide
VACON NXP DC/DC Converter Application Software
Rys. 1. Trójfazowy mostek tranzystorowy.
Układ ten jest podstawowym składnikiem współczesnych przemienników częstotliwości niskiego napięcia, budowanych na bazie tranzystorów IGBT. Razem z odpowiednim układem sterowania pełni funkcję inwertera (przekształtnika DC/AC), który po połączeniu (szyn DC+/DC-) z prostownikiem stanowi właśnie najczęściej spotykaną strukturę przemiennika częstotliwości:
Rys. 2. Najbardziej popularna topologia obwodu silnoprądowego przemiennika częstotliwości niskiego napięcia z dławikiem AC oraz z dławikiem DC.
Na powyższych rysunkach widać również układ złożony z szeregowo połączonych: tranzystora oraz rezystora (wraz z bocznikującą go diodą). Układ ten jest włączony w obwód pośredniczący przemiennika i służy do rozpraszania energii kondensatora CDC – ma on znaczenie w przypadku zwrotu energii z silnika do obwodu pośredniczącego przemiennika, które to zjawisko występuje w przypadku hamowania silnika. Jest to tzw. czoper.
Układ z Rys.1 może również pełnić funkcję prostownika, czyli przekształtnika AC/DC, sterowanego metodą PWM, który ma zastosowanie w tzw. przemiennikach częstotliwości AFE, gdzie zamiast standardowego prostownika diodowego mamy mostek tranzystorowy taki jak na Rys. 1:
Rys. 3. Przekształtnik AC/AC z dwukierunkowym przepływem energii.
Aby układ taki działał poprawnie należy go uzupełnić między innymi o filtr dolnoprzepustowy po stronie zasilania sieciowego. W praktyce jest stosowany filtr o strukturze LCL.
Schematycznie przemiennik częstotliwości AFE (wraz z zewnętrznym układem ładowania wstępnego, oraz z filtrem wejściowym LCL) można przedstawić jak na poniższym rysunku:
Rys. 4. Zastosowanie mostka tranzystorowego jako przekształtnika sieciowego AFE oraz jako standardowego inwertera, w sumie dających przemiennik częstotliwości AFE z możliwością zwrotu energii do sieci przy niskich wartościach THD prądów zasilających.
Na tych zastosowaniach standardowego mostka tranzystorowego jeszcze nie koniec. Można taki układ wykorzystać również w roli czopera:
Rys. 5. Wykorzystanie mostka tranzystorowego z Rys. 1 w układzie czopera.
Nadmiar energii w obwodzie pośredniczącym przemiennika częstotliwości pojawia się na skutek hamowania silnika zasilonego z przemiennika i jest rozpraszany na zewnętrznych rezystorach R1 i R2. Jeśli dysponujemy modułem AFE, wtedy nadmiar energii obwodu pośredniczącego jest zwracany do trójfazowej sieci zasilającej i czoper nie jest potrzebny.
Jak wyżej widać, dość prosty układ z Rys.1 może pełnić trzy funkcje: inwertera, prostownika oraz czopera. Na tym zastosowania układu z Rys. 1 się nie kończą. Czwartym zastosowaniem omawianego układu jest zastosowanie go w układzie przekształtnika DC/DC.
Przekształtnik DC/DC.
Jedną z wielu cech współczesnych zakładów przemysłowych jest to, że w pewnych bardzo krótkich okresach czasu pobór mocy/energii elektrycznej jest bardzo duży, tzn. dużo większy niż wartość średnia zapotrzebowania tego zakładu. W związku z tym pojawia się potrzeba zapewnienia zakładowi przemysłowemu pewnego rodzaju magazynu energii, która byłaby wykorzystywana w chwilach zwiększonego zapotrzebowania. Takim magazynem energii może być bateria akumulatorów. Rozwiązanie to wymaga jednak stosowania dodatkowych urządzeń energoelektronicznych, umożliwiających sprzęgnięcie baterii akumulatorów z systemem energetycznym, oraz jednocześnie umożliwiających ładowanie tych akumulatorów.
Duże zakłady przemysłowe bardzo często posiadają układy napędowe o dużej mocy. W skład współczesnych układów napędowych wchodzą głównie dwa elementy: silniki AC (najczęściej trójfazowe silniki indukcyjne) i przemienniki częstotliwości - zwane po prostu napędami elektrycznymi, lub niezbyt poprawnie: falownikami. Naturalnie chodzi o tzw. pośrednie przemienniki częstotliwości, ale przymiotnik „pośrednie” jest zazwyczaj pomijany.
Jak to już zostało przypomniane, przemiennik częstotliwości składa się z:
1) prostownika;
2) obwodu pośredniczącego (najczęściej w postaci baterii kondensatorów);
3) inwertera (najczęściej zbudowanego na bazie tranzystorów IGBT);
4) dławika AC - umieszczonego przed prostownikiem, albo dławika DC - umieszczonego w obwodzie pośredniczącym przemiennika;
5) układu ładowania wstępnego obwodu pośredniczącego (w fazie załączenia na sieć zasilającą przemiennika z obwodem pośredniczącym w postaci baterii kondensatorów, wymagają one ładowania poprzez rezystory, które eliminują udar prądu, jaki mógłby się pojawić w przypadku bezpośredniego ładowania tych kondensatorów poprzez prostownik).
Niektórzy producenci przemienników częstotliwości zapewniają możliwość podłączenia do obwodu pośredniczącego przemiennika innego urządzenia, np. obwód pośredniczący jakiegoś innego przemiennika (np. po to by przemienniki te mogły dzielić się energią odzyskiwaną z silnika elektrycznego w procesie jego hamowania), albo zewnętrzny czoper (umożliwiający rozpraszanie nadmiaru energii obwodu pośredniczącego na zewnętrznych rezystorach). Do obwodu pośredniczącego można też podłączyć źródło energii w postaci przekształtnika DC/DC zasilanego z baterii akumulatorów. Naturalnie taki układ: bateria akumulatorów + przekształtnik DC/DC powinien umożliwiać również magazynowanie nadmiaru energii z obwodu pośredniczącego przemiennika w baterii akumulatorów.
Są producenci przemienników, którzy oferują całą gamę produktów, z których można budować cały złożony system napędowy. Te urządzenia to już wspomniane:
1) moduły prostownikowe (przekształtniki AC/DC o jednokierunkowym przepływie energii);
2) moduły inwerterów (przekształtniki DC/AC);
3) moduły czoperów (układów do rozpraszania energii obwodu DC na zewnętrznych rezystorach);
4) moduły AFE (sterowane metodą PWM przekształtniki AC/DC o dwukierunkowym przepływie energii).
Urządzenia te łączone są ze sobą poprzez szyny DC, i wspólnym ich elementem jest właśnie układ z Rys.1. Idea takich systemów jest przedstawiona na dwóch poniższych rysunkach. Pierwszy rysunek przedstawia układ, w którym zastosowane są standardowe prostowniki diodowe NFE (Non-regenerative Front End), ale wtedy czasami zachodzi potrzeba stosowania modułów czopera BCU (Brake Chopper Unit). Drugi rysunek przedstawia układ, w którym zastosowane są moduły AFE (Active Front End), wtedy nie ma konieczności stosowania modułów czopera w układzie, a dodatkową korzyścią jest niska wartość THD prądów zasilających system.
Innym pożytecznym urządzeniem zbudowanym na bazie wspomnianego mostka tranzystorowego jest już wspomniany przekształtnik DC/DC, który przedstawia poniższy rysunek:
Rys. 6. Mostek tranzystorowy w układzie przekształtnika DC/DC.
Można w tym układzie wyodrębnić trzy takie same fragmenty (podobnie jak w przypadku inwertera będziemy mówić o fazach przekształtnika) złożone z dwóch tranzystorów. Mogą być one sterowane w taki sam sposób, z tym że impulsy wyzwalające tranzystory powinny być opóźnione względem siebie o 1/3 okresu. Dzięki temu amplituda składowej zmiennej prądu baterii akumulatorów będzie miała mniej więcej 3-krotnie mniejszą wartość niż amplituda składowej zmiennej prądu dławika L1 i trzykrotnie większą częstotliwość (o ile indukcyjności w każdej z faz będą takie same).
Zatem w pierwszej kolejności zajmiemy się analizą układu „pojedynczego”, tzn. pojedynczej fazy.
Rys. 7. „1/3” układu z Rys. 6.
Zakładamy, że napięcie kondensatora zmienia się nieznacznie. Z punktu widzenia uproszczonej analizy przy takim założeniu kondensator można zastąpić idealnym źródłem napięcia stałego E2. Podobnie baterię akumulatorów można zastąpić idealnym źródłem napięcia stałego E1. Założenia te są konieczne do wyprowadzenia prostych analitycznych zależności, które w pierwszej kolejności pozwolą na wyznaczenie indukcyjności L1 oraz wartości międzyszczytowej składowej zmiennej prądu cewki L1/źródła E1.
Prądem i sterujemy stosując następującą metodę:
a) gdy chcemy zwiększyć prąd i, to T2=ON, T1=OFF
b) gdy chcemy zmniejszyć prąd i, to T2=OFF, T1=ON
c) przy T1=T2=OFF prąd i dąży do zera.
Poszczególne możliwe stany układu z Rys. 7 przedstawiają poniższe rysunki:
Kilka uwag odnośnie działania układu:
1) nie można dopuścić do stanu: T1=T2=ON (bo nie można dopuścić do zwarcia źródła E2);
2) zawsze musi być spełnione: E1<E2 (w przeciwnym wypadku prąd rósł by nam nieograniczenie).
Na podstawie wyżej pokazanych rysunków można przedstawić prosty model przekształtnika:
Rys. 12. Model układu z Rys. 7.
Przeanalizujmy działanie takiego układu w stanie ustalonym, w którym przebieg prądu i jest przebiegiem trójkątnym, tak jak na poniższym rysunku:
Rys. 13. Przebieg prądu i w układzie z Rys. 12 w stanie ustalonym.
$$\text{dla} \ 0\leqslant t\leqslant t_{1}: \ \frac{di}{dt}=\frac{E_{1}}{L_{1}} \implies i=\frac{E_{1}}{L_{1}}t+a \quad \leftarrow (1)$$
$$\text{dla} \ t_{1}\leqslant t\leqslant T: \ \frac{di}{dt}=\frac{E_{1}-E_{2}}{L_{1}} \implies i=\frac{E_{1}-E_{2}}{L_{1}}t+b \quad \leftarrow (2)$$
Dodatkowo z warunku ciągłości prądu i otrzymujemy ostateczne zależności:
$$\begin{cases} (1)\\ i(t_{1})=I_{\text{max}}\end{cases} \implies I_{pp}:=I_{\text{max}}-I_{\text{min}}=\frac{E_{1}}{L_{1}}t_{1} \quad \leftarrow (3)$$
$$\begin{cases} (2)\\ i(t_{1})=I_{\text{max}} \\ i(T)=I_{\text{min}} \end{cases} \implies I_{pp}=\frac{E_{2}-E_{1}}{L_{1}}\left ( T-t_{1} \right ) \quad \leftarrow (4)$$
$$\begin{cases} (4)\\ (3) \end{cases} \implies d:=\frac{E_{1}}{E_{2}}=1-\frac{t_{1}}{T} \quad \leftarrow (5)$$
$$\begin{cases} (3)\\ (5) \\ (6) \end{cases} \implies I_{pp}=\frac{E_{2}}{f L_{1}}d\left ( 1-d \right ), \ \text{gdzie:} \ f=\frac{1}{T} \quad \leftarrow (6)$$
Należy zwrócić uwagę, że w tym momencie nie potrafimy określić wartości Imin, Imax, a jedynie różnicę między tymi wartościami. Wartości Imin, Imax można powiązać z wartością mocy średniej przekazywanej ze źródła E1 do źródła E2.
Warto zauważyć, że dla przebiegu trójkątnego słuszne są następujące zależności:
$$\begin{cases} \frac{1}{2}\left ( I_{\text{max}}+I_{\text{min}} \right )=I_{av} \\ I_{pp}=I_{\text{max}}-I_{\text{min}} \end{cases} \Rightarrow \begin{cases} I_{\text{max}}=I_{av}+\frac{1}{2} I_{\text{pp}} \\ I_{\text{min}}=I_{av}-\frac{1}{2} I_{\text{pp}} \end{cases} \quad \leftarrow (7)$$
gdzie: Iav - to wartość średnia prądu.
Zatem jesteśmy w stanie jednoznacznie określić przebieg trójkątny prądu poprzez podanie albo wartości maksymalnej Imax i minimalnej Imin, albo poprzez podanie wartości średniej Iav i wartości międzyszczytowej Ipp
Natomiast moc źródła E1 jest równa:
$$P_{E1}=\frac{1}{T}\int\limits_{0}^{T}E_{1}i dt=E_{1}\cdot \frac{1}{T}\int\limits_{0}^{T}i dt =E_{1} \cdot I_{av}\quad \leftarrow (8)$$
Powtórzmy jeszcze raz najważniejsze wyniki przeprowadzonej analizy:
$$d=\frac{E_{1}}{E_{2}}=1-\frac{t_{1}}{T}, \quad I_{pp}=\frac{E_{2}}{f L_{1}}d\left ( 1-d \right ) \quad \leftarrow (9)$$
Najważniejszy wniosek z przeprowadzonej analizy dotyczy maksymalnej wartości międzyszczytowej prądu, która wystąpi dla d=1/2:
$$I_{\text{pp,max}}=\frac{E_{2}}{4fL_{1}}\quad \leftarrow (10)$$
Na podstawie powyższej zależności można oszacować wartość indukcyjności koniecznej do uzyskania założonego poziomu tętnień prądu baterii akumulatorów.
Po analizie jednej fazy przekształtnika (z Rys. 7), można przejść do analizy układu pełnego z Rys. 6. Model układu pełnego (analogiczny do modelu z rys. 12) wygląda następująco:
Rys. 14. Model przekształtnika z Rys. 6.
Załóżmy teraz, że klucze będą przełączane tak, jak to jest przedstawione na Rys. 15. Przebiegi prostokątne symbolicznie przedstawiają sytuację kiedy klucze w modelu z Rys. 14 znajdują się w pozycji „1”, tzn. kiedy źródło E1 jest zwarte przez indukcyjność L1. Jest tam przedstawiona sytuacja kiedy 0 ≤ t1 ≤ T/3, a z tego wynika, że: 2/3 ≤ d ≤ 1.
Rys. 15. Ilustracja działania układu z Rys. 14 przy 0 ≤ t1≤T/3.
Jak widać na załączonych wykresach, przebieg prądu źródła E1 ma trzykrotnie większą częstotliwość, niż przebieg prądu elementu L1. Na podstawie przedstawionego wykresu obliczamy wartość międzyszczytową prądu. Wiemy, że:
$$i=i_{1}+i_{2}+i_{3} \implies \frac{di}{dt}=\frac{di_{1}}{dt}+\frac{di_{2}}{dt}+\frac{di_{3}}{dt} \qquad \leftarrow (11)$$
Wartość stromości narastania prądu i:
$$\frac{di}{dt}=\frac{E_{1}}{L_{1}}+\frac{E_{1}-E_{2}}{L_{1}}+\frac{E_{1}-E_{2}}{L_{1}}=\frac{3E_{1}-2E_{2}}{L_{1}} \qquad \leftarrow (12)$$
Stąd otrzymujemy:
$$\begin{cases} (12) \\ I_{\text{pp}}=\frac{di}{dt} \cdot t_{1} \\t_{1}=\left ( 1-d \right )T \\d=\frac{E_{1}}{E_{2}} \\ 0 \leqslant t_{1}\leqslant \frac{1}{3}T \\f=\frac{1}{T} \end{cases} \implies \begin{cases} I_{\text{pp}}=\frac{E_{2}}{fL_{1}}\left [ \left ( d-\frac{2}{3} \right)-3\left ( d-\frac{2}{3} \right )^{2} \right ] \\ \frac{2}{3} \leqslant d \leqslant 1 \end{cases} \quad \leftarrow (13)$$
Oczywiście stromość opadania prądu i wynosi w tym przypadku: 3 (E1-E2)/L1 = 3E2(d-1)/L1.
Załóżmy teraz, że klucze będą przełączane tak, jak to jest przedstawione na Rys. 16. Jest tam przedstawiona sytuacja kiedy T/3 ≤ t1 ≤ 2T/3, a z tego wynika, że: 1/3 ≤ d ≤ 2/3.
Rys. 16. Ilustracja działania układu z Rys. 14 przy T/3 ≤ t1 ≤ 2T/3.
Stromość narastania prądu i:
$$\frac{di}{dt}=\frac{E_{1}}{L_{1}}+\frac{E_{1}}{L_{1}}+\frac{E_{1}-E_{2}}{L_{1}}=\frac{3E_{1}-E_{2}}{L_{1}} \qquad \leftarrow (14)$$
$$\begin{cases} (14) \\ I_{\text{pp}}=\frac{di}{dt} \cdot \left (t_{1}-\frac{T}{3} \right ) \\t_{1}=\left ( 1-d \right )T \\d=\frac{E_{1}}{E_{2}} \\ \frac{1}{3}T \leqslant t_{1}\leqslant \frac{2}{3}T \\f=\frac{1}{T} \end{cases} \Rightarrow \begin{cases} I_{\text{pp}}=\frac{E_{2}}{fL_{1}}\left [ \left ( d-\frac{1}{3} \right)-3\left ( d-\frac{1}{3} \right )^{2} \right ] \\ \frac{1}{3} \leqslant d \leqslant \frac{2}{3} \end{cases} \quad \leftarrow (15)$$
Stromość opadania prądu w tym przypadku wynosi: (3E1-2E2)/L1 = E2(3d-2)/L1.
Podobnie załóżmy teraz, że klucze będą przełączane tak, jak to jest przedstawione na Rys. 17. Jest tam przedstawiona sytuacja kiedy 2T/3 ≤ t1 ≤ T, a z tego wynika, że: 0 ≤ d ≤ 1/3.
Rys. 17. Ilustracja działania układu z Rys. 14 przy 2T/3 ≤ t1 ≤ T.
$$\frac{di}{dt}=\frac{E_{1}}{L_{1}}+\frac{E_{1}}{L_{1}}+\frac{E_{1}}{L_{1}}=\frac{3E_{1}}{L_{1}} \qquad \leftarrow (16)$$
$$\begin{cases} (16) \\ I_{\text{pp}}=\frac{di}{dt} \cdot \left (t_{1}-\frac{2}{3}T \right ) \\t_{1}=\left ( 1-d \right )T \\d=\frac{E_{1}}{E_{2}} \\ \frac{2}{3}T \leqslant t_{1}\leqslant T \\f=\frac{1}{T} \end{cases} \Rightarrow \begin{cases} I_{\text{pp}}=\frac{E_{2}}{fL_{1}}\left [ d-3d^{2} \right ] \\ 0 \leqslant d \leqslant \frac{1}{3} \end{cases} \quad \leftarrow (17)$$
Stromość opadania prądu i w tym przypadku wynosi: (3E1-E2)/L1 = E2(3d-1)/L1.
Podsumowując:
$$I_{\text{pp}} =\frac{E_{2}}{fL_{1}}\begin{cases} d-3d^{2}, &\text{dla } 0 \leqslant d \leqslant \frac{1}{3} \\ \\ \left [\left ( d-\frac{1}{3} \right )-3\left ( d-\frac{1}{3} \right )^{2} \right ], &\text{dla } \frac{1}{3} \leqslant d \leqslant \frac{2}{3} \\ \\ \left [\left ( d-\frac{2}{3} \right )-3\left ( d-\frac{2}{3} \right )^{2} \right ], &\text{dla } \frac{2}{3} \leqslant d \leqslant 1 \end{cases} \qquad \leftarrow (18)$$
Na podstawie powyższego wnioskujemy, że maksymalna wartość międzyszczytowa prądu źródła E1 (reprezentującego baterię akumulatorów):
$$I_{\text{pp,max}}=\frac{E_{2}}{12fL_{1}}, \quad \text{dla:} \quad d=\frac{1}{6}, \frac{1}{2}, \frac{5}{6}\quad \leftarrow (19)$$
Na podstawie powyższej formuły można dobrać optymalną wartość indukcyjności L1. Otóż ze względu na odpowiednio niski poziom strat energii w dławiku, w opracowaniu producenta omawianego rozwiązania zaleca się, żeby wartość międzyszczytowa prądu dławika L1 nie przekraczała jednej czwartej wartości prądu znamionowego tego dławika. Zatem na podstawie powyższej uwagi i zależności (10) można napisać, że:
$$\begin{cases} I_{L1\text{pp,max}}=\frac{E_{2}}{4fL_{1}} \\ I_{L1\text{pp,max}}= \frac{1}{4}I_{L1,\text{nom}} \end{cases} \Rightarrow L_{1}=\frac{E_{2}}{f \cdot I_{\text{L1, nom}}}=\frac{E_{2}}{4f \cdot I_{\text{L1,pp,max}}} \quad \leftarrow (20)$$
Widzimy, że im większa częstotliwość kluczowania f tranzystorów, tym wymagana jest mniejsza indukcyjność L1. Porównując zależności (10) i (19) otrzymujemy:
$$I_{\text{pp,max}}=\frac{I_{\text{L1,pp,max}}}{3} \quad \leftarrow (21)$$
Zależność ta pokazuje najważniejszą korzyść z zastosowania trzech takich samych układów z Rys. 7. Warto też zauważyć, że prąd i w ogóle przestaje pulsować (w stanie ustalonym) dla d = 1/3, 2/3.
W praktyce układ z Rys. 6 jest uzupełniany o dodatkowe elementy reaktancyjne, tak jak na poniższym rysunku:
Rys. 18. Układ przekształtnika DC/DC z filtrem o strukturze LCL.
Patrząc na Rys. 14 można zauważyć, że mostek tranzystorowy razem z kondensatorem można zastąpić trzema sterowanymi źródłami napięcia zmiennego:
Rys. 19. Model układu z Rys. 18.
Model powyższy można opisać następującymi równaniami:
$$L_{1}\frac{di_{a}}{dt}=u_{1}-u_{DC}\cdot s_{a} \\ L_{1}\frac{di_{b}}{dt}=u_{1}-u_{DC}\cdot s_{b} \\ L_{1}\frac{di_{c}}{dt}=u_{1}-u_{DC}\cdot s_{c} \\ C_{DC}\frac{du_{DC}}{dt}=s_{a}i_{a}+s_{b}i_{b}+s_{c}i_{c}-i_{DC}$$
$$s_{a}=\begin{cases} 0 &\text{dla:} \ p_{a} < \delta_{a} \\ 1 &\text{dla:} \ p_{a} \geqslant \delta_{a} \end{cases} \\ s_{b}=\begin{cases} 0 &\text{dla:} \ p_{b} < \delta_{b} \\ 1 &\text{dla:} \ p_{b} \geqslant \delta_{b} \end{cases} \\ s_{c}=\begin{cases} 0 &\text{dla:} \ p_{c} < \delta_{c} \\ 1 &\text{dla:} \ p_{c} \geqslant \delta_{c} \end{cases}$$
$$p_{a}=\frac{1}{T} \mod \left(t,T \right )\\ p_{b}=\frac{1}{T} \mod \left(t-\frac{T}{3},T \right )\\ p_{c}=\frac{1}{T} \mod \left(t+\frac{T}{3},T \right )$$
pa(t), pb(t), pc(t) - przebiegi piłokształtne o takim samym okresie i o jednostkowej amplitudzie.
Zmienne δa(t), δb(t), δc(t) przyjmujące wartości z zakresu 0 ÷ 1 określają przez jaką część okresu T przełączniki w modelu z Rys. 14 znajdują się w pozycji „1”.
Warto podkreślić, że same zmienne δa(t), δb(t), δc(t) nie determinują wartości średnich (czy skutecznych) prądów ia, ib, ic . Od tych zmiennych zależy jedynie stopień pulsowania tych prądów. Dlatego należy sterować tymi zmiennymi niezależnie, np. tak by gałęzie mostka tranzystorowego obciążały się równomiernie.
Przedstawiona wyżej uproszczona analiza układu przekształtnika DC/DC zakłada równe indukcyjności w każdej fazie przekształtnika. W rzeczywistości te indukcyjności nie będą równe i będą na dodatek nieliniowe – co łatwo można uwzględnić w wyżej przedstawionym modelu na Rys. 19.
Należy w tym miejscu wspomnieć o zjawisku rezonansu w badanym układzie. Będzie miało ono decydujące znaczenie jeśli chodzi o dobór parametrów L2, C. Parametr L1 dobieramy tak, by ograniczyć pulsowanie prądu i. Natomiast pozostałe elementy filtru dobieramy tak, by zapewniały odpowiednio niskie pulsowanie napięcia u1 – w związku z czym te parametry nie mogą być zbyt małe. Nie mogą one być zbyt małe nie tylko z tego powodu. Drugim powodem jest występowanie zjawiska rezonansu. Częstotliwość kluczowania tranzystorów musi być odpowiednio wyższa od największej częstotliwości rezonansowej układu (częstotliwość dowolnej harmonicznej wymuszenia występującego w układzie nie może być niższa od największej częstotliwości rezonansowej układu, innymi słowy: dla żadnej składowej harmonicznej wymuszenia nie może zajść rezonans). Wyznaczymy częstotliwości rezonansowe na podstawie Rys. 19. Przy czym należy zaznaczyć, że elementy L1, L2, C traktujemy jako elementy liniowe, co oczywiście jest tylko pewnym przybliżeniem. Wtedy można stosować zasadę superpozycji do badanego układu, właśnie w celu wyznaczenia częstotliwości rezonansowych.
Rys. 20a. Wyznaczanie częstotliwości rezonansowych układu z rys. 18.
Rys. 20b. Wyznaczanie częstotliwości rezonansowych układu z rys. 18.
Postępując zgodnie z zasadą superpozycji możemy wyzerować źródła: eb, ec, uB (Rys. 20a) i wyznaczamy impedancję widzianą od strony zacisków źródła ea:
$$\underline{Z}=j\left [ \omega L_{1}+\frac{\omega^{2}L_{1}L_{2}}{2\omega L_{2}+\omega L_{1}\left ( 1-\omega^{2}L_{2}C \right )} \right ] \quad \leftarrow (23)$$
Po przyrównaniu części urojonej tego wyrażenia do zera, otrzymujemy równanie, z którego wyznaczamy częstotliwość rezonansową:
$$f_{\text{r}1}=\frac{1}{2\pi}\sqrt{\frac{\frac{L_{1}}{3}+L_{2}}{\frac{L_{1}}{3}L_{2}C}} \quad \leftarrow (24)$$
Tak więc jeśli częstotliwość pewnej składowej napięcia ea jest równa częstotliwości fr1, to elementy L1, C, L2 stanowią zwarcie dla tej składowej. Jest to bardzo groźna sytuacja, której za wszelką cenę należy unikać. Omawiany przypadek rezonansu jest rezonansem napięć, przy wystąpieniu którego mamy niebezpiecznie niską wartość impedancji „widzianą” przez źródło ea (w naszym przypadku ta impedancja jest zerowa!), ale trzeba przede wszystkim pamiętać, że przy rezonansie napięć mogą wystąpić niebezpieczne wartości napięć elementów, pomiędzy którymi oscyluje energia.
Rezonans (tym razem rezonans prądów) może zachodzić między elementami L2 i C. Wtedy admitancja tego dwójnika równoległego L2,C jest równa zeru:
$$j\omega_{\text{r}2} C -j\frac{1}{\omega_{\text{r}2} L_{2}}=0$$
Zatem:
$$f_{\text{r}2}=\frac{1}{2\pi\sqrt{L_{2}C}} \quad \leftarrow (25)$$
Rezonans prądów może się przyczynić do występowania bardzo dużych wartości prądów – w tym przypadku prądów elementów L2, C. Naturalnie prąd elementu L2 będzie jednocześnie składową prądu baterii akumulatorów.
Podobnie:
- rezonans prądów może zachodzić także między jedną indukcyjnością L1 oraz elementem C dla częstotliwości:
$$f_{\text{r}3}=\frac{1}{2\pi \sqrt{L_{1}C}} \quad \leftarrow (26)$$
- rezonans prądów może zachodzić także między dwiema indukcyjnościami L1 oraz elementem C dla częstotliwości:
$$f_{\text{r}4}=\frac{1}{2\pi \sqrt{\frac{L_{1}}{2}C}} \quad \leftarrow (27)$$
- rezonans prądów może zachodzić również między elementami C, L2 oraz jednym elementem L1 dla częstotliwości:
$$f_{\text{r}5}=\frac{1}{2\pi}\sqrt{\frac{L_{1}+L_{2}}{L_{1}L_{2}C}} \quad \leftarrow (28)$$
- rezonans prądów może zachodzić również między elementami C, L2 oraz dwoma elementami L1 dla częstotliwości:
$$f_{\text{r}6}=\frac{1}{2\pi}\sqrt{\frac{\frac{L_{1}}{2}+L_{2}}{\frac{L_{1}}{2}L_{2}C}} \quad \leftarrow (29)$$
- rezonans prądów może zachodzić między elementem C oraz trzema elementami L1 dla częstotliwości:
$$f_{\text{r}7}=\frac{1}{2\pi\sqrt{\frac{L_{1}}{3}C}} \quad \leftarrow (30)$$
Natomiast patrząc na Rys. 20b obliczamy impedancję widzianą od strony zacisków baterii. Wynosi ona:
$$\underline{Z}=j\left ( \omega L_{2}-\frac{\omega L_{1}}{\omega^{2}L_{1}C-3} \right ) \quad \leftarrow (31)$$
Impedancja ta jest równa zero dla częstotliwości równej częstotliwości fr1. Oczywiście można zadać pytanie, skąd w napięciu baterii akumulatorów może się pojawić składowa zmienna napięcia? Otóż nawet jeśli założyć najprostszy model akumulatora w postaci idealnego źródła napięcia stałego i stałej rezystancji wewnętrznej, to wiemy przecież, że prąd baterii akumulatorów w analizowanym układzie będzie pulsować, a to przyczyni się do zmian napięcia na rezystancji wewnętrznej akumulatora, a tym samym do zmian napięcia na zaciskach akumulatora.
Widać zatem, że układ posiada siedem częstotliwości rezonansowych. Można łatwo zauważyć, że największą częstotliwością rezonansową rozważanego układu jest wartość fr1 - wzór (30). Na tej podstawie wyznaczamy dolne ograniczenie wartości L1, L2, C.
Jeśli założyć, że częstotliwość kluczowania f tranzystorów jest dwa razy większa niż największa częstotliwość rezonansowa układu:
$$f=2f_{\text{r,max}}=2\cdot \frac{1}{2\pi}\sqrt{\frac{\frac{L_{1}}{3}+L_{2}}{\frac{L_{1}}{3}L_{2}C}} \quad \leftarrow (32)$$
oraz że:
$$L_{2}=\frac{L_{1}}{6} \quad \leftarrow (33)$$
to pojemność będzie wynosiła:
$$C=\frac{9}{L_{1}\pi^{2}f^{2}} \quad \leftarrow (34)$$
Podsumowując, wszystkie zależności pozwalające oszacować parametry L1, L2, C wyglądają następująco:
$$L_{1}=\frac{E_{2}}{12fI_{\text{pp,max}}}, \quad L_{2}=\frac{L_{1}}{6}, \quad C=\frac{9}{\pi^{2}L_{1}f^{2}} \quad \leftarrow (35)$$
Naturalnie tak dobrane parametry filtru powinny być zweryfikowane doświadczalnie podczas testów urządzenia. W przypadku niepowodzenia, należy zwiększyć uzyskaną pojemność C.
W przypadku gdy pominiemy indukcyjność L2 w układzie, wtedy pozostanie tylko pojemność C. W takim wypadku największa częstotliwość rezonansowa będzie dana wzorem (30). Zakładając, że częstotliwość kluczowania tranzystorów przekształtnika będzie pięciokrotnie większa niż maksymalna częstotliwość rezonansowa, to wtedy pojemność zastosowanego kondensatora winna mieć wartość przynajmniej:
$$f=5 \cdot \frac{1}{2\pi\sqrt{\frac{L_{1}}{3}C}} \Rightarrow C=\frac{75}{4\pi^{2}L_{1}f^{2}}\quad \leftarrow (36)$$
VACON Hybridization Design Guide
VACON DC DC Converter Programming Guide
Vacon DC DC Converter Operating Guide
VACON NXP DC/DC Converter Application Software
Fajne? Ranking DIY