logo elektroda
logo elektroda
X
logo elektroda
REKLAMA
REKLAMA
Adblock/uBlockOrigin/AdGuard mogą powodować znikanie niektórych postów z powodu nowej reguły.

Citroen C5 - szukam pinout dla sterownika Bosch ME 7.4.7

Marek Sp 22 Cze 2018 18:23 2088 11
REKLAMA
  • REKLAMA
  • REKLAMA
  • Pomocny post
    #4 17292434
    tytan58
    Poziom 20  
    Tu masz;

    Citroen C5 - szukam pinout dla sterownika Bosch ME 7.4.7

    Citroen C5 - szukam pinout dla sterownika Bosch ME 7.4.7
  • REKLAMA
  • Pomocny post
    #6 17293389
    ociz
    VIP Zasłużony dla elektroda
    Masz 3 wtyczki przy ECU, na schemacie to te duże litery A, B, C. Rzędy pinów masz opisane od wewnętrznej strony wtyczek małymi literami, w każdym rzędzie po 4 piny.
  • Pomocny post
    #7 17293399
    tytan58
    Poziom 20  
    Każdy pin ma dodatkowe oznaczenie ,duże A,B ,C

    A- to 32 pinowe złącze szare
    B- to 48 pinowe złącze brązowe
    C- to 48 pinowe złącze czarne

    Na przykład pin A f1 znajduje się w 32 pinowym złączu szarym na pozycji f1
    Numery pinów są opisane na złączu i na sterowniku,pionowe- 1,2,3,4 poziome- a,b,c,d,e,f,g,,j......
  • REKLAMA
  • #9 17293623
    tytan58
    Poziom 20  
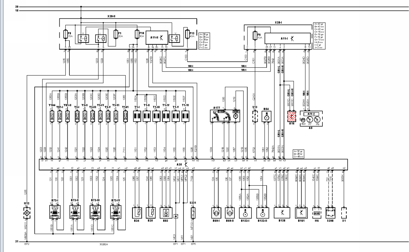
    Przecież masz na schemacie że sterownik silnika łączy sie z BSI po CAN.
    Korzystałem z tego schematu w peugeocie 407 3,0 i wszystko pasowało.

    B-161- to presostat

    Opis elementów wysłałem ci na PW.
  • #11 17293749
    tytan58
    Poziom 20  
    Dokładnie nie pamiętam chyba 2006 albo7
REKLAMA