Witam wszystkich.
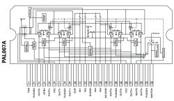
Dostałem do rąk odtwarzacz Pioneer DEH-1500U ktoś w nim wymienił końcówkę po spaleniu PAL012A na PAL007A Radio włącza się gra i po chili wywala błąd AMP POWER. Sprawdzałem głośniki żaden nie ma zwarcia do masy wszystkie mają po 4 Ohm. Bez głośników błąd nie wyskakuje.
Czy jest mi ktoś powiedzieć jak układ mierzy tę impedancję i wysyła ją do radia? Czy da się to po protu odpiąć?


Dostałem do rąk odtwarzacz Pioneer DEH-1500U ktoś w nim wymienił końcówkę po spaleniu PAL012A na PAL007A Radio włącza się gra i po chili wywala błąd AMP POWER. Sprawdzałem głośniki żaden nie ma zwarcia do masy wszystkie mają po 4 Ohm. Bez głośników błąd nie wyskakuje.
Czy jest mi ktoś powiedzieć jak układ mierzy tę impedancję i wysyła ją do radia? Czy da się to po protu odpiąć?