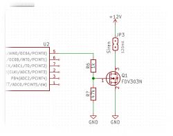
Mam prosty układ, w którym jedno z wyjść Atmegi ma sterować (5V) syreną alarmową piezo 12V ~120mA. Czy wystarczy wyjście mikrokontrolera podłączyć bezpośrednio na bramkę takiego tranzystora? Tutaj nota katalogowa:
http://www.onsemi.com/pub/Collateral/FDV303N-D.PDF
Czy lepiej użyć np. Vishay Si2366?
https://www.vishay.com/docs/67509/si2366ds.pdf
http://www.onsemi.com/pub/Collateral/FDV303N-D.PDF
Czy lepiej użyć np. Vishay Si2366?
https://www.vishay.com/docs/67509/si2366ds.pdf