logo elektroda
logo elektroda
X
logo elektroda
REKLAMA
REKLAMA
Adblock/uBlockOrigin/AdGuard mogą powodować znikanie niektórych postów z powodu nowej reguły.

Kawasaki JetSki 650 SXi - Brak ładowania, czy kolejność przewodów ma znaczenie?

Sidorek 08 Lip 2018 19:35 897 3
REKLAMA
  • #1 17318659
    Sidorek
    Poziom 19  
    Witam
    Problem dotyczy skutera wodnego Kawasaki JetSki 650 SXi.
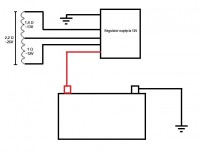
    W zalaczniku schemat ukladu ladowania w w/w skuterze.
    Nie ma oczywiscie ladowania akumulatora.
    Nie wiem czy problem z cewka pod magnetem (byla przewijana) czy z samym regulatorem napiecia.
    Po odpaleniu silnika - napiecie na akumulatorze takie samo jak przed rozruchem.
    Pytanie - czy kolejnosc przewodow miedzy cewka a regulatorem w tym przypadku ma znaczenie ?
    Jak mozne przede wszystkim sprawdzi regulator ??
    Regulator taki sam jak w linku ponizej:
    https://www.afratstore.top/voltage-regulators...-650sx-9293-210663708-sh527a12-4c-p-14542.htm

    Pozdrawiam
  • REKLAMA
  • #2 17322316
    BANANvanDYK
    Poziom 42  
    Nie pasuje mi jedna rzecz. Powinna tam być cewka bezmasowa i z pomiarów nie powinno wynikać że jest wyprowadzony środek uzwojenia. Czarny przewód to tylko połączenie masy statora (dla zapłonu CDI).
    Przemierz regulator napięcia miernikiem na teście diod.
  • REKLAMA
  • #3 17322427
    Sidorek
    Poziom 19  
    bo to jest cewka bezmasowa.
    Wszystko wskazuje na to, ze jest to cewka 2 fazowa.
    CDI ma osobna cewke i tam wszystko ok - silnik pali.
    W zalaczniku schemat (w kolku cewka).
    Nie wiem tylko jakie napiecia sa potrzebne z w/w cewki na regulator aby podal na wyjsciu 12-14V.
    Podejrzewam, ze to co mam czyli 12V i 13V to troche za malo. Miedzyfazowo (czyli na koncach cewki) mam 25V.
  • #4 17432538
    Sidorek
    Poziom 19  
    Problem rozwiazany - w zasadzie wcale go nie bylo.
    Ktos "siedzacy w temacie" podpowiedzial, ze w tym skuterze ladowanie dziala ale dopiero na wyzszych obrotach. Poplywalem z podlaczonym woltomierzem i faktycznie przy wyzszych obrotach na akumulatorze mam ok 13,6V.

    Pozdrawiam
REKLAMA