logo elektroda
logo elektroda
X
logo elektroda
REKLAMA
REKLAMA
Adblock/uBlockOrigin/AdGuard mogą powodować znikanie niektórych postów z powodu nowej reguły.

[Rozwiązano] Radio BLAUPUNKT 7641376316 - Nie reaguje na przekręcenie kluczyka

11111olo 11 Sie 2018 20:20 1662 24
REKLAMA
  • #1 17379246
    11111olo
    Poziom 42  
    Witam

    Jeśli wątek pasuje do innego działu proszę aby moderator go przeniósł.

    Radio jak w temacie nabyłem jako niesprawdzane z napisem CANCHECK. I faktycznie po podłączeniu był taki napis. Podpięcie pod BCM linii CAN i jeden problem mniej. Potem radio prosiło o kod. Tu sobie poradziłem i radio zadziałało.
    Na początku sądziłem że ma problem z włączeniem ale jak się okazało mocno jest zużyty przycisk ON/OFF. Problem był także z CD ale wyczyszczenie lasera pomogło.

    Nie wiem jak te radio powinno się zachowywać gdyż znalezione w internecie informacje są sprzeczne.

    Wg oficjalnej rozpiski wtyczki ISO A są takie przewody:
    1 SPEED SIGNAL
    2 PHONE MUTE
    3 NC
    4 +12V BATTERY
    5 ANTENA MOTOR
    6 ILLUMINATION
    7 +12V SWITCHED
    8 GND

    Tak wygląda wtyczka.
    Radio BLAUPUNKT 7641376316 - Nie reaguje na przekręcenie kluczyka

    Jak widać są przewody na pinach 4, 6, 7, 8.
    W radiu nie są dostępne piny 4 i 6.
    Radio BLAUPUNKT 7641376316 - Nie reaguje na przekręcenie kluczyka

    Trochę to dziwne że główne zasilanie nie ma pinu. Jak widać w oryginalnej instalacji na 7 pinie jest 12V po stacyjce.

    W starym radiu po wyłączniu stacyjki radio gaśnie a po włączeniu gra. Oryginalne radio Blaupunkt trzeba za każdym razem włączać przyciskiem ON/OFF a do tego jest ryzyku usmażenia przewodu.

    Jak to sensownie zmienić?

    Podpięcie stałego 12V na pin 7 spowoduje że radio będzie grało w nieskończoność!

    Radio kupiłem z odciętą wiązką i tu we wtyczce A piny 4 i 7 są razem połączone (nie wiem czy fabrycznie czy przez kogoś) i są z grubych przewodów.
  • REKLAMA
  • #2 17379298
    Pedros050
    Poziom 43  
    W kostce ISO napięcia idą tak.


    Radio BLAUPUNKT 7641376316 - Nie reaguje na przekręcenie kluczyka Jeśli brak 4 pinu do pamięci rozebrać radio i po ścieżkach można dojść który jest do potrzymania pamięci.



    Moderowany przez T5:

    3.1.11. Nie wysyłaj wiadomości, które nic nie wnoszą do dyskusji. Wprowadzają w błąd, są niebezpieczne czy nie rozwiązują problemu użytkownika.

  • #3 17379910
    11111olo
    Poziom 42  
    W tym radiu piny są inaczej porozkładane.
    Radio BLAUPUNKT 7641376316 - Nie reaguje na przekręcenie kluczyka
    Napięcie po stacyjce trzeba podać na pin nr 3 i wtedy jest ok.
    Po przekręceniu stacyjki radio gra, po wyłączeniu jest wyłączone.

    Niestety jest inny problem.
    Jak zgaszę samochód i przyciskiem ON/OFF włączę radio jest napis CANCHECK.
    Da się coś z tym zrobić?
    Uprzedzam pytania czy linie CAN są podłączone do BCM - są podłączone.


  • #4 17379978
    Pedros050
    Poziom 43  
    Radio jest z Fiata PUNTO II 2 99-03?
  • REKLAMA
  • #5 17380015
    11111olo
    Poziom 42  
    Radio nie wiem z jakiego jest rocznikowo samochodu.
    11111olo napisał:
    Radio jak w temacie nabyłem jako niesprawdzane z napisem CANCHECK.

    Mam BCM który był w Punto II FL ale wg nr to było w wersji 99-03 oraz drugi który jest w wersji FL '03.
  • REKLAMA
  • Pomocny post
    #6 17380040
    Pedros050
    Poziom 43  
    Napis CANCHECK po włączeniu znika po 20 min czy świeci dalej?
  • REKLAMA
  • #7 17380064
    11111olo
    Poziom 42  
    Nie wiem czy znika. Raczej nie zniknie póki BCM nie dostanie napięcia po stacyjce i nie skomunikuje się z radiem.
    Ale jak coś to ma zmienić włączę i o 11:40 będzie wiadomo.
  • Pomocny post
    #8 17380082
    Pedros050
    Poziom 43  
    To tak sprawdzić a później napisze co zrobić w tej sytuacji.
  • #9 17380121
    11111olo
    Poziom 42  
    Radio się wyłącza, nie wiem dokładnie po ilu minutach. Ponowne włączenie przyciskiem ON/OFF powoduje pojawienie się komunikatu CANCHECK.
  • #10 17380157
    Pedros050
    Poziom 43  
    Po dezaktywacji CAN,nic się nie wyłącza, radio gra normalnie?
  • #11 17380162
    11111olo
    Poziom 42  
    Nie rozumiem co masz na myśli pisząc po dezaktywacji CAN?
  • #12 17380172
    Pedros050
    Poziom 43  
    W radyjku jest eeprom 95320, należy odczytać zawartość i umieścić to na forum lub zmienić zawartość na od 0x10 do 0x9f wpisać 00 w komórki 0x50, 0x70, 0x90 wpisać 06 w komórke
    0x13 wpisać 18 0x19 wpisać 08 i powinno działać taka jest procedura do większości Blaupunktów Fiat z CANCHECK są jeszcze małe wyjątki.
  • #13 17380193
    11111olo
    Poziom 42  
    Tak można ale takie dłubanie to ostateczność.
    Producent radia i samochodu jakoś to wymyślili że powinno działać i skoro mam podpięty CAN, wpisany CODE i radio po przekręceniu stacyjki gra jak trzeba a nie gra tylko po próbie włączenia przyciskiem ON/OFF przy wyłączonej stacyjce to problem jest gdzieś indziej.

    Sprawdziłem jeszcze raz i radio z CANCHECK wyłącza się po 20 minutach.

    Teraz sprawdzam jak radio się zachowa przy ręcznym włączeniu (zgaszonej stacyjce) i podaniu na moment danych po CAN aby radio "ruszyło". Ciekaw jestem czy się wyłączy.
  • #14 17380210
    Pedros050
    Poziom 43  
    Ok czekam na informacje.
  • #15 17380216
    11111olo
    Poziom 42  
    Po ręcznym włączeniu i wyłączonej stacyjce radio się wyłącza po 20 minutach.

    Wszystko jest prawie ok gdyby nie ten nieszczęsny CANCHECK który nie jest czytany przy wyłączonej stacyjce.
    To musi się dać jakoś ogarnać.
  • #16 17380282
    Pedros050
    Poziom 43  
    Z tego co Kolega pisał nabył Radio z drugie ręki z tym właśnie CANCHECK ja uważam żeby to ogarnąć to jednak bym proponował odczytać zawartość Eepromu i wstawić plik BIN. Działa jak tylko ma napięcie na ignition i nic się nie dzieje nie wyłącza się gra z przycisku też ON/OFF?
  • #17 17380509
    11111olo
    Poziom 42  
    Nie.
    Jeśli radio jest prawidłowo podpięte czyli pin 7 12V, pin 3 napięcie po stacyjce oraz dwa przewody CAN na wtyczce C, to po przekręceniu stacyjki radio gra normalnie w nieskończoność, po wyłączeniu stacyjki radio się wyłącza, ale przy wyłączonej stacyjce i włączeniu przyciskiem ON/OFF radio wyświetla CANCHECK.

    Przy włączonej stacyjce można ręcznie wyłączyć i włączyć radio.

    Tu problem jest tylko jeden. Jak BCM nie jest zasilany napięciem po stacyjce nie przesyła informacji po CAN.

    Obecnie CAN jest brany z gniazda OBD ale do tego są przewidziane dwie osobne linie do radia, tylko muszę sprawdzić gdzie to dokładnie wpiąć. Jeśli to nie pomoże to zacznę inaczej kombinować.
  • #18 17380588
    Pedros050
    Poziom 43  
    Co do zasilania to się zgodzę muszą być 2. W tym modelu nie masz czasem CAN L i CAN H?
  • #19 17380603
    11111olo
    Poziom 42  
    O CAN pisałem kilka razy więc nie rozumiem czemu o to pytasz.
    Niestety CAN jest razem połączony i piny przeznaczone dla radia są te same co dla złącza OBD (i pewnie wszystkich innych urządzeń CAN).

    Radio BLAUPUNKT 7641376316 - Nie reaguje na przekręcenie kluczyka
  • #20 17380625
    Pedros050
    Poziom 43  
    W tej sytuacji jest prawdopodobne że radio ma wadę i według mnie zajął bym się odczytem zawartości Eeprom.
  • #21 17380630
    11111olo
    Poziom 42  
    I co da modyfikacja eeprom?
  • #22 17380644
    Pedros050
    Poziom 43  
    Radio zapyta o kod, po poprawnym wprowadzeniu wyświetli napis CANCHECK, który zniknie po powtórnym włączeniu.
  • #23 17380648
    11111olo
    Poziom 42  
    I będzie się wyłączać po 20 minutach. Nie dzięki, takiej "naprawy" nie chcę.

    Teraz jest odwrotnie. Jest CANCHECK a potem pyta o kod.
  • #24 17380660
    Pedros050
    Poziom 43  
    Po tym zabiegu to nawet kodu nie trzeba wpisywać nie będzie się wyłączał. Jeśli jest radio sprawne. A z tego co Kolega opisuje to załącza się po przekręceniu stacyjki i gra w nieskończoność.
  • #25 17380845
    11111olo
    Poziom 42  
    Trochę niepotrzebnie namieszałem.
    Cały problem wynikał z dwóch rzeczy.
    1. Zamienione przewody we wtyczce ISO A
    2. Niepodpięcie stałego plusa do BCM

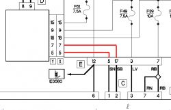
    Tu jest schemat i pomarańczowa linia informująca o stałym plusie.
    Czerwone to CAN.

    Po tym radio wyłącza/włącza się wraz z przekręcaniem stacyjki, przy wyłączonej stacyjce da się włączyć przyciskiem ON/OFF na 20 minut oraz zwiększa głośność wraz ze wzrostem prędkości.

    Radio BLAUPUNKT 7641376316 - Nie reaguje na przekręcenie kluczyka
REKLAMA