Witam,
w Hondzie CRV II z 2004r. mam fabryczne światła dzienne, czyli po przekręceniu stacyjki nawet jak mam światłe w trybie Off to świecą wszystkie zewnętrzne światła z przodu krótkie i normalnie wszystko z tyłu. Wewnątrz deska rozdzielcza i inne są nie podświetlone.
Czy ktoś sie z czymś takim spotkał?
To co sprawdziłem/zrobiłem:
1. Bezpieczniki - wszystkie OK
2. Przekaźniki świateł pod maską - OK (muszą być ok bo w trybie dziennym inaczej by nie działało)
3. Przełącznik przy kierownicy - OK (sprawdziłem wg instrukcji serwisowej hondy, przewodzi wg opisu)
4. Sprawdziłem czy po włączeniu świateł w trybie nocnym przekaźniki główne pod maską się załączają - tak, jest napięcie (+akumulatora) na Pinach F12,F10.
6. Nie mam żadnych dodatkowych modułów do świateł tylko to co jest w puszce bezpieczników pod kierownicą.
7. Wszystkie możliwe złącza od świateł krótkich posprawdzałem wyglądają ok i przewodzą.
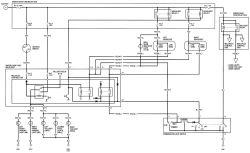
Poniżej schemat.
Ze schematu wynika, że światłami dziennymi steruje komputer (MULTIPLEX) i wynika też jakoby włączenie świateł na ON załączało żarówki tym przełącznikiem a nie przekaźnikiem. A tak raczej nie jest, po włączeniu świateł zegary się zapalają, czyli przełącznik działa a mimo to krótkich brak.
Obstawiam, że ten Multiplex do wymiany, ale może coś prostszego.

w Hondzie CRV II z 2004r. mam fabryczne światła dzienne, czyli po przekręceniu stacyjki nawet jak mam światłe w trybie Off to świecą wszystkie zewnętrzne światła z przodu krótkie i normalnie wszystko z tyłu. Wewnątrz deska rozdzielcza i inne są nie podświetlone.
Czy ktoś sie z czymś takim spotkał?
To co sprawdziłem/zrobiłem:
1. Bezpieczniki - wszystkie OK
2. Przekaźniki świateł pod maską - OK (muszą być ok bo w trybie dziennym inaczej by nie działało)
3. Przełącznik przy kierownicy - OK (sprawdziłem wg instrukcji serwisowej hondy, przewodzi wg opisu)
4. Sprawdziłem czy po włączeniu świateł w trybie nocnym przekaźniki główne pod maską się załączają - tak, jest napięcie (+akumulatora) na Pinach F12,F10.
6. Nie mam żadnych dodatkowych modułów do świateł tylko to co jest w puszce bezpieczników pod kierownicą.
7. Wszystkie możliwe złącza od świateł krótkich posprawdzałem wyglądają ok i przewodzą.
Poniżej schemat.
Ze schematu wynika, że światłami dziennymi steruje komputer (MULTIPLEX) i wynika też jakoby włączenie świateł na ON załączało żarówki tym przełącznikiem a nie przekaźnikiem. A tak raczej nie jest, po włączeniu świateł zegary się zapalają, czyli przełącznik działa a mimo to krótkich brak.
Obstawiam, że ten Multiplex do wymiany, ale może coś prostszego.