logo elektroda
logo elektroda
X
logo elektroda
REKLAMA
REKLAMA
Adblock/uBlockOrigin/AdGuard mogą powodować znikanie niektórych postów z powodu nowej reguły.

VW 1,9TDPassat Kombi alarm+ceztralny zamek

cezar40 28 Sie 2005 21:17 2161 15
REKLAMA
  • #1 1772256
    cezar40
    Poziom 12  
    Witanko a morze wjecie jak połączyć alarm z centralnym zamkiem w VW pasacie kombi 1,9 TD ceztralny zamek jest zasilany pompą do kturej dochodzi dziesięć przewodów cos ktos mówił mi o jakiims interfejsie ale nie bardzo wjem jak to zrobic a potem jak połączyć prosze pomóżcie

    Dodano po 37 [minuty]:

    Zapomniałem dodac że jest to rocznik 92
  • REKLAMA
  • #2 1772444
    gracus7
    Poziom 26  
    nie podłączasz sie przy pompce tylko przy drzwiach kierowcy na słupku w wiązce wychodzacej z drzwi! dwa przewody sterowanie plusem zamyka (popielaty) otwiera zielony przewód
    rozcinasz je i podłaczasz przekaźniki tak aby po impulsie alarmu do zamknięcia 12V było podane w strone sterownika nie do drzwi! i tak samo z otwarciem

    powodzenia
  • REKLAMA
  • #3 1772471
    cezar40
    Poziom 12  
    czyli ten interfeis to owe przekaźniki tak ? a powjedz mi jeszcze ile tam w tej wjazce idzie przewodów i jakie kolory jeśli pamjętasz
  • #4 1772497
    gracus7
    Poziom 26  
    nie wiem jaki masz alarm ale interfejsem możesz nazwac taki modół dwóch przekaźników w komplecie alarmu!
    a kolory przewodów ci podałem a reszta z wiązki jest nieważna i nikt tego nie pamieta ! uzywasz tylko tych dwóch przewodów które ci podałem!

    to jest wiązka wychodząca ze słupka przy zawiasach drzwi przy nogach kierowcy ta wiązka idzie z drzwi do słupka i wychodzi z niego w srodku auta do instalacji zobaczysz to złapiesz o co chodzi
  • #5 1772523
    cezar40
    Poziom 12  
    ok dzięki jak bym mjał jeszcze jakis problem zastukam ok . Dzięki za pomoc
  • #7 1772611
    cezar40
    Poziom 12  
    powjedz mi jeszcze które przewody do których styków przekaźników podłaczyć.

    Dodano po 3 [minuty]:

    wyprzedziłeś moje pytanko dzięki .
  • REKLAMA
  • #8 1772653
    gracus7
    Poziom 26  
    masz tam na schemacie moduł alarm system control module i wychodzace z niego dwa przewoby właśnie szary i zielony!
    a przekaźniki podłacz tak aby po włączeniu podały 12V na ten właśnie moduł czyli przykładowo przewód zielony rozcinasz i podłaczasz przez przekaźnik tak aby nadal miał przejscie a po podaniu impulsu z alarmu przekaźnik sie właczy i chwilowo rozłaczy ten przewód przełaczajac go na na +12V po czym spowrotem połaczy na stale zielony!
    i tak samo z szarym przewodem!
  • #9 1772740
    cezar40
    Poziom 12  
    ok zaczynam kumać morze to i proste ale dla mnie laika troszke zagmatwane dzięki wam za pomoc.

    Dodano po 1 [godziny] 3 [minuty]:

    a powjedzcie mi jeszcze jak podłączyć alarm do tylnej klapy czy morze założyć dodatkowa krańcówke czy jakoś podłączyć do tego co jest tylko jak ?
  • #10 1773228
    gracus7
    Poziom 26  
    i tak i tak musisz ciągnąć jeden przewód do tyłu wiec zrobisz jak zechcesz albo załozysz nową krańcówke ale szkoda robić dziury lepiej jak podłączysz sie pod przewód brązowo czerwony od lampki
  • #11 1775879
    cezar40
    Poziom 12  
    no i jest problem z drzwi wychodż trzy wjazki ale to jeszcze nie to od siłownika odchodzą cztery przewody o kolorach : żółty , czerwony ,żółto czarny i brazowy a od zamka idą jeszcze trzy przewody o kolorach : Czerwony ,czerwono żółty i czarno bjały i w tym momencie zbaraniałem a przewodów szarych czy zielonych niet nie znalazłem nie ma ?w żadnej wjazce ???????????? co robić ???????
    dlaczego tak jest a nie tak jak mówiliście ????????????
  • REKLAMA
  • #12 1775929
    gracus7
    Poziom 26  
    bo masz w takim razie centralny pneumatyczny sterowany elektronicznie!!!!!! spotkałem to samo ostatnio w golfie III ! a wiec widze ze zdjąleś tapicerke z drzwi! wiec wtyczke od siłownika zostaw w spokoju a przyjzyj sie dokładnie tej przy zamku , sa tam trzy przewody jeden środkowy to zasilanie 12V a dwa zewnetrzne to zamykanie i otwieranieczyli prawo lub lewo jak przekrecisz kluczyk!
    wypnij ta wtyczke i zamknij zamek mechaniczny przy otwartych drzwiach i włóz przewód do środkowego otworu we wtyczce i drugi koniec do jednego ze skrajnych na zmianę! zamek powinien sie zamykac i otwierać! ta wtyczka jest podłączona do przełacznika zespolonego z zamkiem
    jak juz wyłapiesz który przewód zamyka a który otwiera to znajdź te kolory w wiązce wychodzącej ze słupka w aucie i tam podłacz przekaźnik jak napisałem wyżej!!!
    pozdrawiam
  • Pomocny post
    #13 1776112
    jackol68
    Poziom 14  
    Alarm podaje dwie masy na sterowanie centralnym zamkiem, podłącz do nich bazy dwuch tranzystorów pnp BD 140T przez rezystory 200 om, emitery do plusa a colektory - to bedzie sterowanie plusem do dwuch skrajnych przewodó przy pompce lub do wyjścia z drzwi. Uda Ci się napewno-powodzenia.
  • Pomocny post
    #14 1776334
    gracus7
    Poziom 26  
    nie przesadzaj z tymi tranzystorami! do alarmów stosuje sie specjalne dualne przekaźniki i nie ma z tym zadnego problemu a jeszcze nie wiemy jaki alarm ma kolega a spotyka sie czesto alarmy które przekaźniki maja w srodku i na sterowanie podają napięcie takie jak im podamy na przewód wejściowy czyli albo + albo - i takie nam wysteruje...
  • Pomocny post
    #15 1776952
    JAFO
    Poziom 25  
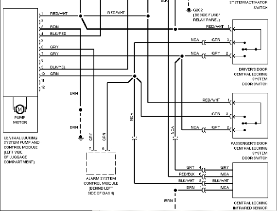
    No ja już tu czegoś nie rozumiem.
    Specjalnie podałem schemacik połączeń pompy z zamkami.
    Nawet, gdyby kolory były inne to i tak wszystko widać dokładnie.
    Jaki jest problem w powieleniu styków zamka przekaźnikami?
    Dla pewności omomierz w dłonie zbadać przypadek zamka, zrównoleglić styki zamka przekaźnikami do przewodów i wtedy nie ma różnicy, czy sterowanie jest masą czy plusem.
    Oczywiście podłączenia nie robimy w drzwiach.
    Ba, mało. Z rysunku wynika, że dokonać tego można w pompie, o ile styki zamka........... . Omomierz.
  • #16 1778859
    cezar40
    Poziom 12  
    ok dzieki wam wszystkim już wszystko wjem powjem wjęcej złożyłem spraewdziłem i działa wszystko ok . jeszcze taz dzięki wam wszystkim
REKLAMA