Witam. Mam w swoim projekcie problem z procesorem atmega 32u4, już 2 sztuka procesora uszkodziła się w podobny sposób, procesor pracuję w układzie sterownika do zegara nixie. Pierwszy procesor pracował z tym układem jakieś 1-2 tygodnie ( w tym czasie wgrywałem na niego sporo razy program) i po czasie zaczęły się pojawiać błędy z zapisem (dokładnie to w konsoli wyrzucało błąd związany z weryfikacją
avrdude.exe: verifying ...
avrdude.exe: verification error, first mismatch at byte 0x0000
0x10 != 0x00
avrdude.exe: verification error; content mismatch)
ale wystarczyło wgrać drugi raz i wszystko działo. Aż do czasu kiedy pojawił się problem z odczytem sygnatury i po chwili totalny brak komunikacji( rc=-1), pomyślałem że to przez uszkodzenie pamięci ( kilka razy wyświetliło błąd "current erase-rewrite cycle count is -58785793 (if being tracked)"). Zmieniłem więc procesor na nową sztukę kupioną w AVT. Procesor na początku został wykryty poprawnie ale nie można było zmienić fuse-bitów , wgrałem program przez eclipse i jakimś cudem dałem rade potem zmienić fuse-bity, więc wydawało się że wszystko ok.Ale po paru (max 5) wgraniach programu przez eclipse znowu zaczęły pojawiać się błędy weryfikacji no i potem już tak samo jak poprzednio błąd sygnatury i błąd związany z pamięcią, a teraz totalny brak komunikacji z procesorem (rc=-1) no chyba że założę zworkę SlowSCK na programatorze ( wtedy dostaje błąd związany z pamięcią). Co może być przyczyną takiego dziwnego zachowania ? Mam w układzie przetwornice kupioną na ebay (do zasilania lamp-170V), może ona w jakiś sposób powoduje uszkodzenie procesora ? ( Ale nie tłumaczyło by to problemów z wgraniem programu na nowy procesor bo wtedy przetwornica była wyjęta) , programator sprawdzony na inny, procesorze działa ,sprawdziłem też dla porównania na avrispmkII ale też ta sama sytuacja. Dodam że do lutowania płytki używałem topnika który nie jest do końca wyczyszczony (ale nie wiem czy to ma jakiekolwiek znaczenie)
Teraz informacje o sprzęcie:
Procesor atmega 32u4 z avt (pierwsza sztuka była z tme)
Programator podróbka usbasp(LC technology) i avrispmkII(oryginał)
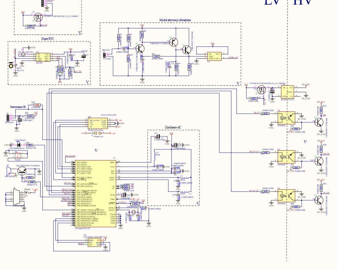
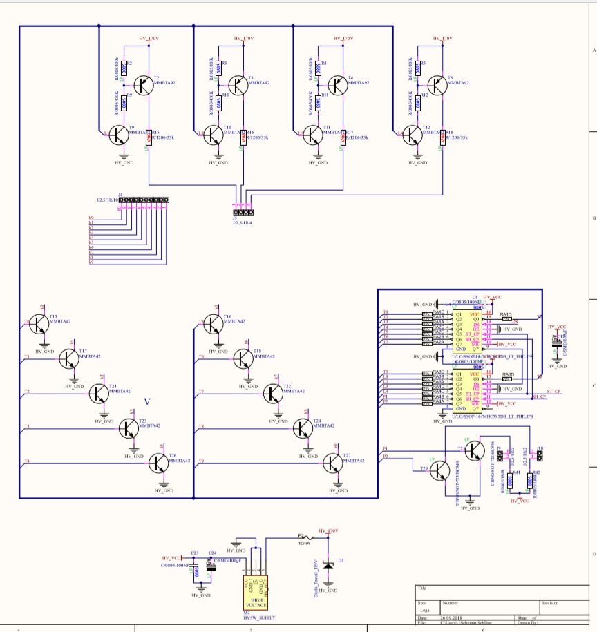
Schemat układu:
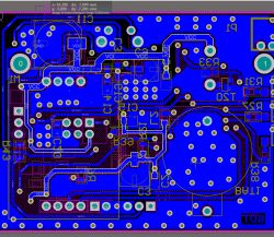
Zdjęcia:
W załączniku pdf ze schematem.
avrdude.exe: verifying ...
avrdude.exe: verification error, first mismatch at byte 0x0000
0x10 != 0x00
avrdude.exe: verification error; content mismatch)
ale wystarczyło wgrać drugi raz i wszystko działo. Aż do czasu kiedy pojawił się problem z odczytem sygnatury i po chwili totalny brak komunikacji( rc=-1), pomyślałem że to przez uszkodzenie pamięci ( kilka razy wyświetliło błąd "current erase-rewrite cycle count is -58785793 (if being tracked)"). Zmieniłem więc procesor na nową sztukę kupioną w AVT. Procesor na początku został wykryty poprawnie ale nie można było zmienić fuse-bitów , wgrałem program przez eclipse i jakimś cudem dałem rade potem zmienić fuse-bity, więc wydawało się że wszystko ok.Ale po paru (max 5) wgraniach programu przez eclipse znowu zaczęły pojawiać się błędy weryfikacji no i potem już tak samo jak poprzednio błąd sygnatury i błąd związany z pamięcią, a teraz totalny brak komunikacji z procesorem (rc=-1) no chyba że założę zworkę SlowSCK na programatorze ( wtedy dostaje błąd związany z pamięcią). Co może być przyczyną takiego dziwnego zachowania ? Mam w układzie przetwornice kupioną na ebay (do zasilania lamp-170V), może ona w jakiś sposób powoduje uszkodzenie procesora ? ( Ale nie tłumaczyło by to problemów z wgraniem programu na nowy procesor bo wtedy przetwornica była wyjęta) , programator sprawdzony na inny, procesorze działa ,sprawdziłem też dla porównania na avrispmkII ale też ta sama sytuacja. Dodam że do lutowania płytki używałem topnika który nie jest do końca wyczyszczony (ale nie wiem czy to ma jakiekolwiek znaczenie)
Teraz informacje o sprzęcie:
Procesor atmega 32u4 z avt (pierwsza sztuka była z tme)
Programator podróbka usbasp(LC technology) i avrispmkII(oryginał)
Schemat układu:
Zdjęcia:
W załączniku pdf ze schematem.
