Zakładam nowy temat, gdyż podobne tematy zostały zamknięte.
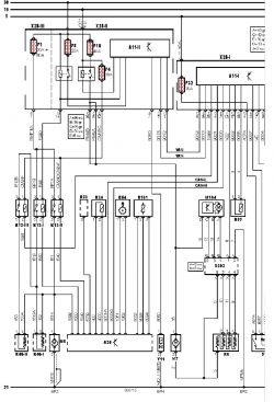
Problem tyczy się 2003 Berlingo 2.0HDi z elektroniką Siemens. Panowie nie uruchamia się wentylator na niskich obrotach. Sprawdzałem działanie przekaźników i zaobserwowałem że po włączeniu klimatyzacji nie pojawia się masa na żyle 1593 sterującej przekaźnik III z poniższego schematu. Czy moglibyście podpowiedzieć gdzie biegnie ta żyła 1593, co to jest A11-I? Co mnie zdziwiło to po podaniu bezpośrednio z aku minusa do tego przekaźnika wentylator się uruchomił na wolnych obrotach po kilku sekundach po włączeniu klimatyzacji i wyłączył zaraz po wyłączeniu klimatyzacji. Co w tym przypadku sterowało tym wentylatorem? Czy ta żyła 1593 jest non stop masowana?


Problem tyczy się 2003 Berlingo 2.0HDi z elektroniką Siemens. Panowie nie uruchamia się wentylator na niskich obrotach. Sprawdzałem działanie przekaźników i zaobserwowałem że po włączeniu klimatyzacji nie pojawia się masa na żyle 1593 sterującej przekaźnik III z poniższego schematu. Czy moglibyście podpowiedzieć gdzie biegnie ta żyła 1593, co to jest A11-I? Co mnie zdziwiło to po podaniu bezpośrednio z aku minusa do tego przekaźnika wentylator się uruchomił na wolnych obrotach po kilku sekundach po włączeniu klimatyzacji i wyłączył zaraz po wyłączeniu klimatyzacji. Co w tym przypadku sterowało tym wentylatorem? Czy ta żyła 1593 jest non stop masowana?