logo elektroda
logo elektroda
X
logo elektroda
REKLAMA
REKLAMA
Adblock/uBlockOrigin/AdGuard mogą powodować znikanie niektórych postów z powodu nowej reguły.

Citroen C4 - Podłączenie uniwersalnego centralnego zamka

kubas10 20 Gru 2018 15:43 3102 10
REKLAMA
  • #1 17640022
    kubas10
    Poziom 25  
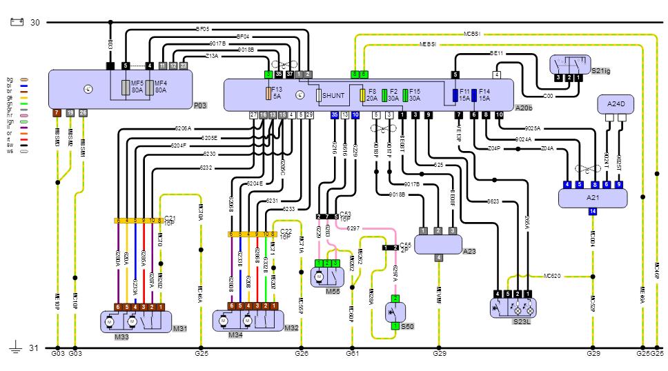
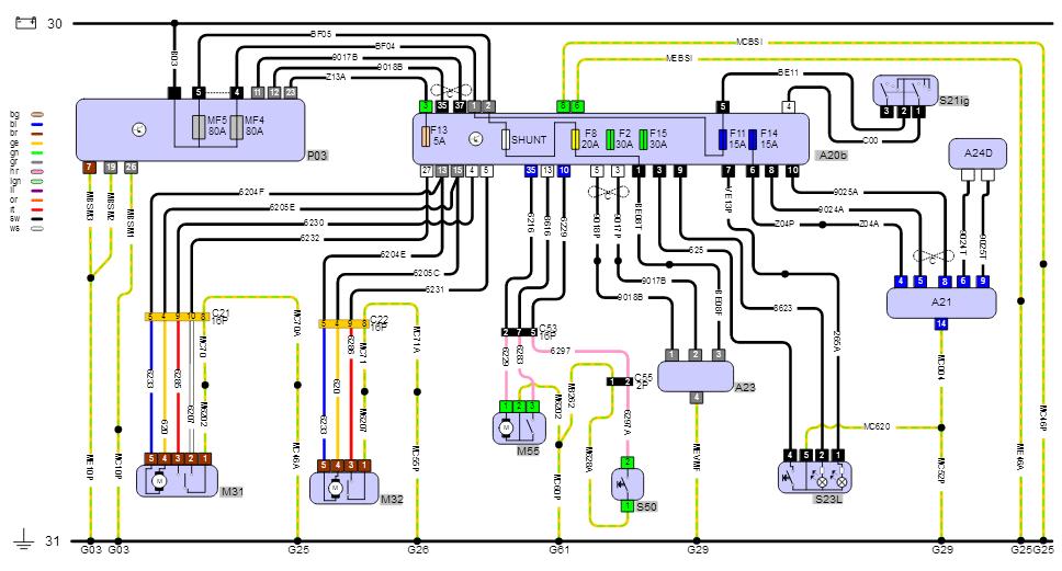
    Patrząc na schemat zamka centralnego, gdzie należy się wpiąc z sygnałem zamknij/otwórz i czym jest sterowane (masą czy plusem ?)
  • REKLAMA
  • #3 17640081
    kubas10
    Poziom 25  
    Mam się wpiąć w wyjścia sterujące czy wyjścia prądowe na silnik ?
  • REKLAMA
  • #4 17640106
    Ireneo
    Poziom 42  
    Ten pin 13 i 15 to bezpośrednio silnik a nie sterowanie.
  • #5 17640168
    kubas10
    Poziom 25  
    Przecież wynika to ze schematu, lepiej powiedz gdzie się wpiąć ze sterowaniem
  • REKLAMA
  • #7 17640276
    kubas10
    Poziom 25  
    PIN 4 ? rozumiem że należałoby dołożyć opornik na zamknij bądź otwórz ok 300 omów ?
  • REKLAMA
  • #9 17643235
    Ireneo
    Poziom 42  
    Wepnij się w silnik drzwi kierowcy,on wysteruje resztę.
  • #11 17691149
    kubas10
    Poziom 25  
    Czy przewody od silnika drzwi kierowcy mam rozciąć żeby sygnał nie szedł do BSI ? czy mam się wpiąć bez ich rozcinania ?
REKLAMA