logo elektroda
logo elektroda
X
logo elektroda
Adblock/uBlockOrigin/AdGuard mogą powodować znikanie niektórych postów z powodu nowej reguły.

Jak prawidłowo wykonać mostkowanie wzmacniacza stereo?

KOXsu 28 Gru 2018 15:20 1887 21
  • #1 17657755
    KOXsu
    Poziom 18  
    Witam
    Chyba ostatnie miejsce gdzie są sami fachowcy w swoim fachu'
    Czy takim połączeniem stworzę warunki do pracy wzmacniacza stereo w mostku?
    Jak prawidłowo wykonać mostkowanie wzmacniacza stereo?
  • #2 17657795
    kokapetyl
    Poziom 43  
    KOXsu napisał:
    Czy takim połączeniem stworzę warunki do pracy wzmacniacza stereo w mostku?

    Co masz na myśli "pracy w mostku" ?
    Układ przedstawia typowe połączenie/ wysterowanie lewego i prawego kanału.
  • #3 17658058
    KOXsu
    Poziom 18  
    To ja tu zadaje pytania.
    Moderowany przez Pablo1964:

    3.1.9. Nie ironizuj i nie bądź złośliwy w stosunku do drugiej strony dyskusji. Uszanuj odmienne zdanie oraz inne opinie na forum.
    Ostrzeżenie za brak kultury wypowiedzi.

  • #4 17659059
    mariann
    Poziom 38  
    Witam
    To co pokazałeś na schemacie, to jakaś redukcja z XRL na RCA lub odwrotnie. By wzmacniacz stereo pracował jako mono w mostku, musisz do jego kanałów dostarczyć sygnał odwrócony w fazie. Ale z takim podejściem
    KOXsu napisał:
    To ja tu zadaje pytania.
    to wygląda, że już wszystko wiesz.
    Pozdrawiam
  • #5 17659796
    Artur k.
    VIP Zasłużony dla elektroda
    kokapetyl napisał:
    Układ przedstawia typowe połączenie/ wysterowanie lewego i prawego kanału.

    mariann napisał:
    To co pokazałeś na schemacie, to jakaś redukcja z XRL na RCA lub odwrotnie. By wzmacniacz stereo pracował jako mono w mostku, musisz do jego kanałów dostarczyć sygnał odwrócony w fazie.

    Koledzy jak widzę nie mają pojęcia o sygnale z jakim mamy do czynienia w XLR. Cała idea XLR to symetryczny przesył sygnału, sygnały na wyprowadzeniach 2 i 3 XLR są (a przynajmniej powinny być) w przeciwnych fazach!
    Przejście z XLR na RCA robi się zupełnie inaczej, to na rysunku na pewno nim nie jest. Stereo też to nie jest, ponieważ w typowym XLR mamy sygnał mono.

    Pomysł jaki zaprezentował autor tematu nie jest wcale taki bezsensowny, co więcej - będzie to działało ale pod warunkiem że będziemy mieli prawdziwy sygnał symetryczny w złączu XLR. Wiele urządzeń niestety nie daje w pełni symetrycznego sygnału na wyjściu, dlatego takie rozwiązanie jak na rysunku nie jest powszechnie stosowane w praktyce.
  • #6 17659979
    KOXsu
    Poziom 18  
    Może dlatego że końcówki estradowe mają wbudowany filtr, a w zastosowaniach domowych kabli XLR się nie używa.
    Mam crossover Behringer CX2310 który ma na wyjściach przełącznik invert polarity tylko czy działa to jak powinno akurat w sprzęcie za 300zl. Jeśli ktoś obeznany ma schemat lub wie czy na 3 pinie będzie sygnał symetryczny wzgledem pinu 2 to proszę o informację. Mogę sprawdzić po podłączeniu (takim jak na ilustracji) wpinając dwie żarówki 12v w oba kanały czy będą na "basie" mrugać na zmianę? ...oscyloskopu nie mam, z elektryki to tylko multimetr i druty:-)
  • #7 17660048
    Strumien swiadomosci swia
    Poziom 43  
    KOXsu napisał:
    czy na 3 pinie będzie sygnał symetryczny wzgledem pinu 2

    Symetryczny nie znaczy odwócony.

    Jeśli chcesz zmostkować wzmacniacz to musi on mieć wbudowany odwracacz fazy.
    Nie ma innej opcji.
    Końcówki samochodowe czy estradowe jeśli mają odwracacz to należy go przełącznikiem załączyć, wtedy jedna końcówka zasiana jest odwróconym sygnałem w fazie.
  • #8 17660303
    Artur k.
    VIP Zasłużony dla elektroda
    KOXsu napisał:
    Mam crossover Behringer CX2310 który ma na wyjściach przełącznik invert polarity tylko czy działa to jak powinno akurat w sprzęcie za 300zl.

    Ten przełącznik do czego innego służy, on zamienia miejscami sygnały doprowadzane do pin 2 i 3 gniazda XLR. Właśnie tak zmienia się polaryzację sygnału symetrycznego.


    KOXsu napisał:
    Jeśli ktoś obeznany ma schemat lub wie czy na 3 pinie będzie sygnał symetryczny wzgledem pinu 2 to proszę o informację.

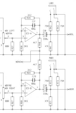
    Proszę bardzo, stosowny fragment schematu:
    Jak prawidłowo wykonać mostkowanie wzmacniacza stereo?

    KOXsu napisał:
    Mogę sprawdzić po podłączeniu (takim jak na ilustracji) wpinając dwie żarówki 12v w oba kanały czy będą na "basie" mrugać na zmianę?

    Żarówkami się nie uda, bo tam sygnału są na poziomie 1V, a nie 12V to po pierwsze, a po drugie nie będą mrugały naprzemiennie, po trzecie nie byłbyś w stanie zauważyć naprzemiennego mrugania.

    Strumien swiadomosci swia napisał:
    Symetryczny nie znaczy odwócony.

    Tak? A jaki?
  • #9 17660421
    KOXsu
    Poziom 18  
    Dzięki kolego, uświadomiłeś mnie w moim płytkim rozumowaniu podstaw audio. Sygnał odwrócony jest na wyjściu cały czas odwrocony. Tylko po co czasem zaleca się łączenie pinu 1 z 3? Sygnał z masa?

    Sygnał do mostkowania musi być nie odwrócony a symetryczny. Odwrócić to można kable w głośniku.
  • Pomocny post
    #10 17660441
    Artur k.
    VIP Zasłużony dla elektroda
    KOXsu napisał:
    Sygnał odwrócony jest na wyjściu cały czas odwrocony.

    W tym konkretnym przypadku tak będzie, bo wyjście urządzenia zrobione jest tak jak być powinno. Są natomiast urządzenia w których ktoś poszedł na skróty i wówczas to tak działało nie będzie.
    Dla przykładu stopień wyjściowy miksera Soundcraft Spirit Folio SX:

    Jak prawidłowo wykonać mostkowanie wzmacniacza stereo?

    Co prawda wyjście jest na TRS, a nie na XLR, nie mniej jednak producent deklaruje iż jest symetryczne:

    Jak prawidłowo wykonać mostkowanie wzmacniacza stereo?

    I właściwie ma rację. Wyjście jest symetryczne "impedancyjnie", a nie "sygnałowo". Sygnał się zsymetryzuje ale tylko wtedy, gdy po drugiej stronie będzie urządzenie posiadające w pełni symetryczne wejście.
    Nie mniej, jest to rozwiązanie "na skróty" i w takim przypadku rozwiązanie z rysunku w pierwszym poście nie zadziała.
    Dlatego właśnie takich patentów w praktyce należy unikać - jak widać nie zawsze będą działać.

    KOXsu napisał:
    Tylko po co czasem zaleca się łączenie pinu 1 z 3? Sygnał z masa?

    To może być trudne do zrozumienia dla kogoś kto w tym nie siedzi, ale ogólnie rzecz biorąc masa nie ma nic wspólnego z sygnałami na pinach 2 i 3 XLR. Masa to jest nic innego jak punkt odniesienia, a nie minus. Dlatego sygnał może być dodatni albo ujemny względem masy. Tak naprawdę przy pełnej symetrii masa w ogóle nie jest potrzebna, bo wszystko co potrzeba jest na pinach 2 i 3.
    Natomiast zwierając 1 z 3 uzyskujemy asymetyzację sygnału. Wówczas punktem odniesienia dla sygnału staje się pin 3 (umowny "-") bo jest na masie. W ten sposób robi się przejściówki np. z XLR na RCA.
    Można też zamiast 1 z 3 zewrzeć 1 i 2. Wówczas na masie będzie "+", a więc sygnał będzie przeciwny do tego który występuje w przypadku zwarcia 1 z 3 - inaczej mówiąc, będzie odwrócony w fazie.
  • #11 17661027
    mariann
    Poziom 38  
    Witam
    Artur k. napisał:
    Koledzy jak widzę nie mają pojęcia o sygnale z jakim mamy do czynienia w XLR

    Całkiem możliwe, że tak jest u mnie.
    Na schemacie wyraźnie napisane jest kanał prawy i kanał lewy, dlatego myślałem, że autor zrobił właśnie taką "przejściówkę", bo akurat ma jakiś tam wzmacniacz (przedwzmacniacz) który daje taki sygnał.
    Jednak zakładający temat, nie podał informacji jaki ma wzmacniacz i z jakim źródłem sygnału mamy do czynienia.
    Pozdrawiam
  • #12 17661049
    KOXsu
    Poziom 18  
    Faktycznie schemat złącza XLR jest zły
    1 masa
    2 sygnał gorący
    3 sygnał zimny
    druga część była podana, nadanie sygnału dla wzmacniacza stereo by pracował w mostku. Wzmacniacz stereo chyba nie może mieć jednego tranzystora mocy?
    Czy dla audiofila lepszym rozwiązaniem (jakość dźwięku) będzie kabel 2xRCA za 1500zł czy XLR z sygnałem symetrycznym za 50zł?
  • Pomocny post
    #13 17661052
    Artur k.
    VIP Zasłużony dla elektroda
    mariann napisał:
    Na schemacie wyraźnie napisane jest kanał prawy i kanał lewy, dlatego myślałem, że autor zrobił właśnie taką "przejściówkę", bo akurat ma jakiś tam wzmacniacz (przedwzmacniacz) który daje taki sygnał.


    Dla mnie to dość proste - jeśli ktoś pyta o XLR 3pin, to w technice audio (i nie tylko) standardem jest przesyłanie sygnałów symetrycznych przy jego pomocy.
    Owszem, zdarza się że ktoś wykorzystuje to złącze do innych celów (bo w sumie to złącze jak każde inne), nie mniej jednak są to przypadki właściwie marginalne.

    Pierwsze skojarzenia - XLR -> sygnał symetryczny = przeciwne fazy -> mostkowanie wzmacniacza? Teoretycznie się da. Po prostu złożyło się to w całość.

    KOXsu napisał:
    Czy dla audiofila lepszym rozwiązaniem (jakość dźwięku) będzie kabel 2xRCA za 1500zł czy XLR z sygnałem symetrycznym za 50zł?


    Dla audiofila najlepszy jest kabel XLR za 3000zł ;)

    Dodano po 5 [minuty]:

    Tak całkowicie na serio, to nie ma czegoś takiego jak lepszy RCA czy XLR. Po prostu przy pomocy RCA przesyła się sygnał niesymetryczny, a przy pomocy XLR (lub TRS) sygnał symetryczny.
    Z jakością dźwięku nie bardzo ma to cokolwiek wspólnego. Sygnał symetryczny jest bardziej odporny na zakłócenia pochodzące z zewnątrz i to tyle.
  • #15 17661353
    Artur k.
    VIP Zasłużony dla elektroda
    KOXsu napisał:
    Czyli XRL będzie lepszy bo sygnał będzie odporniejszy na zakłócenia

    Zasadniczo tak, tyle że to ma znaczenie przy długich odcinkach. Na długościach przewodów jakie typowo stosuje się w domowym sprzęcie to praktycznie nie ma żadnego znaczenia. Dlatego też w przetłaczającej większości domowego sprzętu są RCA, a nie XLR.
    Z XLR-ami spotkałem się w zasadzie tylko w niektórych sprzętach HiEnd za grube dziesiątki tysięcy (choć i tak nie najdroższych) i tak naprawdę nie bardzo wiadomo po co to tak zrobili. Chyba tylko w myśl jakieś dorobionej ideologii.

    KOXsu napisał:

    Ciekawostka https://sklep.rms.pl/chord-indigo-tuned-aray-kabel-polaczeniowy-2xxlr-2xxlr-1m
    5m takiego kabla kosztuje tyle co średnia roczna pensja.

    Eeeee, są kable zasilające które kosztują ponad 2x tyle i są prawie 2x krótsze.
    Przykład:
    https://sklep.rms.pl/wireworld-platinum-elect...ewod-zasilajacy-sieciowy-z-uziemieniem-pep-3m
    A i to nie jest najdroższy jaki można kupić. Widziałem jeszcze prawie 2x droższe.
    Ten jest ze srebra (stąd cena). Srebro jest jednak gorszym przewodnikiem prądu niż standardowa miedź, dlatego nie wiem po co robić kable ze srebra. Chyba po to samo co XLR w sprzęcie domowym.
  • #16 17661608
    Strumien swiadomosci swia
    Poziom 43  
    Artur k. napisał:
    Chyba po to samo co XLR w sprzęcie domowym.

    Pętle masy nie śpią. Jak sprzęt ma in-out symetryczne to jest to plus.
  • #18 17661649
    Strumien swiadomosci swia
    Poziom 43  
    Artur k. napisał:


    Połączenie symetryczne nie rozwiązuje problemu pętli mas.

    Nie jestem pewien bo nie używam poł sym , ale taki przewód należy ekranować i ekran tylko z jednej strony jest podłączony do wtyku a nie z obydwu jak w RCA, gdzie żyła ekranu jest żyłą aktywną i przewodzi sygnał.
    A sygnał sym jest 2 żyłowy i obydwie idą na wejście opampa we przedwzmacniaczu
  • #19 17661661
    Artur k.
    VIP Zasłużony dla elektroda
    Strumien swiadomosci swia napisał:
    ekran tylko z jednej strony jest podłączony do wtyku a nie z obydwu jak w RCA

    Nieprawda, masa (ekran) jest na p.1 XLR i połączona jest zawsze.
    Nie wiem czy firma Rane będzie wystarczającym autorytetem:
    https://www.rane.com/note110.html
  • #21 17677378
    Artur k.
    VIP Zasłużony dla elektroda
    Nie fizyka alternatywna, tylko peselioza, pomyliłem ze złotem. ;)
    Srebro jest lepsze (jednak niewiele) od miedzi, za to znacznie droższe.
  • #22 17678877
    KOXsu
    Poziom 18  
    Działa, a-66x tak zamiata 18" że obok stary subwoofer na GDN 30/120 który nie jest podłączony "wali dzbanem o obuch":)
REKLAMA