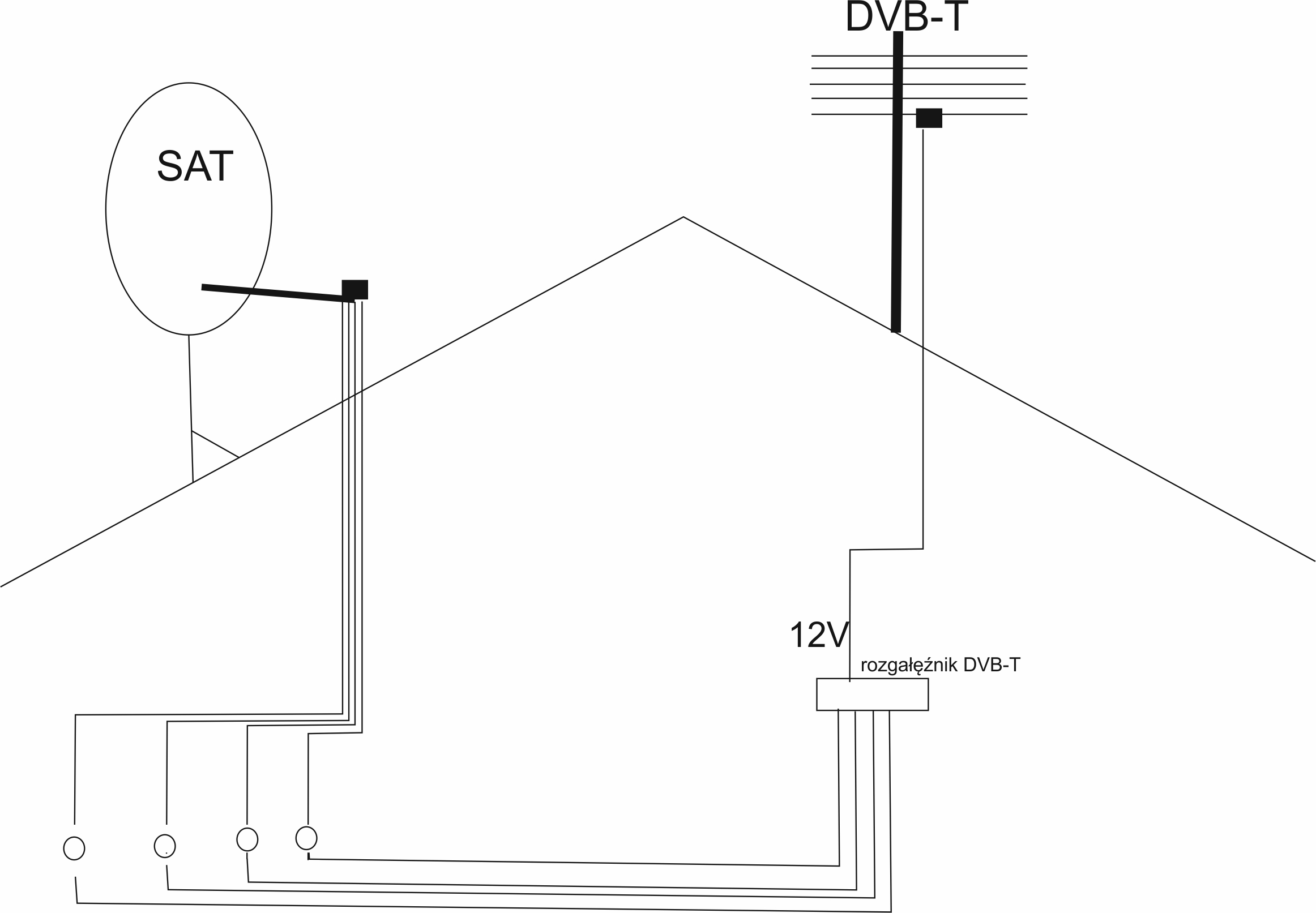
Jakich gniazd użyć, przy tak wykonanej instalacji. Antena sat konwerter 4 wyj. poprowadzone kable bezpośrednio do pokoi bez multiswitcha . Antena DVB-T , od anteny do rozdzielacza zasilanego 12V i od rozdzielacza po kabelku do pokoi. Jakich gniazd na końcach użyć aby to chodziło.
