Witam.
Zwykła płyta ceramiczna Bosch, sterowanie dotykowe...
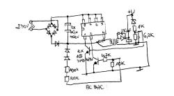
W niej moduł zasilania Diehl 724787-05 YL181.
Poniżej zdjęcie jak to wygląda.
Potrzebuję oznaczenia układu w przetwornicy IC1. Układ wystrzelił i mam tylko kawałek logo (Power Integrations - ale oni robią różne układy ). Może ktoś ma taką płytę i podpowie co to za układ? W Google pusto.
Zdjęcie zapożyczone, z niego nie można nic odczytać.
Zwykła płyta ceramiczna Bosch, sterowanie dotykowe...
W niej moduł zasilania Diehl 724787-05 YL181.
Poniżej zdjęcie jak to wygląda.
Potrzebuję oznaczenia układu w przetwornicy IC1. Układ wystrzelił i mam tylko kawałek logo (Power Integrations - ale oni robią różne układy ). Może ktoś ma taką płytę i podpowie co to za układ? W Google pusto.
Zdjęcie zapożyczone, z niego nie można nic odczytać.
