#1 17744395 31 Sty 2019 11:39 PatrycjaMarcin PatrycjaMarcin Poziom 2 #1 17744395 31 Sty 2019 11:39 Witam bardzo potrzebuję opis pinów sterownika silnika (silnik vr6) z takimi wtyczkami jak na zdjęciu. Auto po remoncie silnika i nie chce odpalić Mercedes v klasa 2.8 benzyna z gazem.
#2 17744950 31 Sty 2019 15:34 DriverMSG DriverMSG Admin grupy komputery Pomocny post? (0) #2 17744950 31 Sty 2019 15:34 PatrycjaMarcin napisał: opis pinów sterownika silnika Podaj dokładny symbol, model sterownika. Promuję tematy: 19.10.2020 Honda K20A4 - Autogas Italia PowerJet+ - utrata mocy i check engine 03.01.2020 Tuleje Poliuretanowe - Jak eksploatować, jak serwisować, czym smarować
#3 17749105 31 Sty 2019 20:27 PatrycjaMarcin PatrycjaMarcin Poziom 2 Autor tematu Pomocny post? (0) #3 17749105 31 Sty 2019 20:27 Dodano po 3 [godziny] 18 [minuty]:1999 r
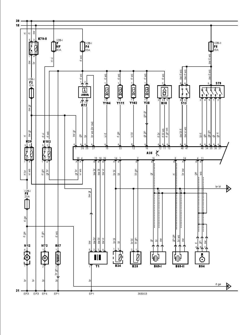
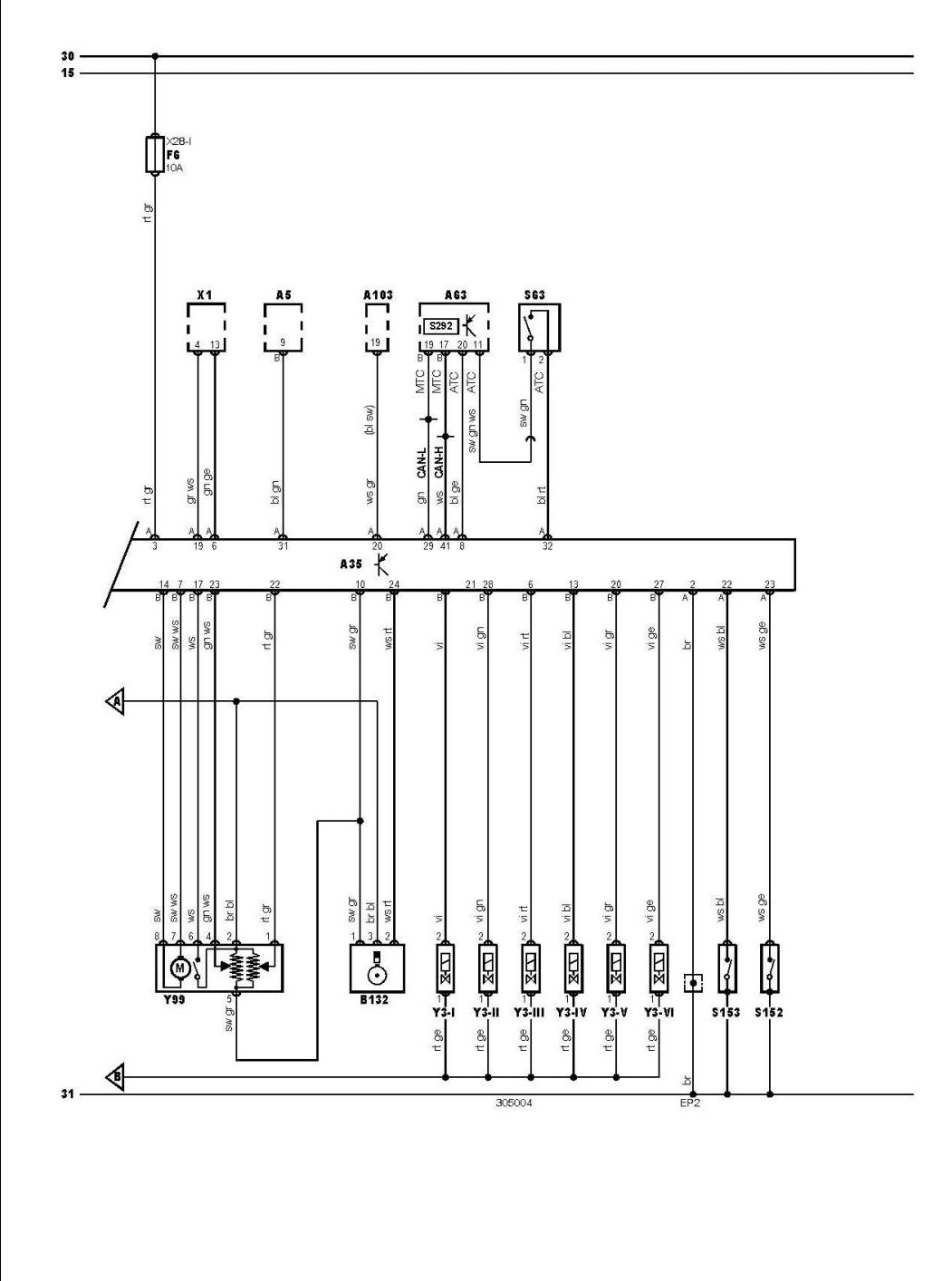
#4 17749337 02 Lut 2019 14:31 DriverMSG DriverMSG Admin grupy komputery Pomocny post? (+1) #4 17749337 02 Lut 2019 14:31 Tylko tyle mam. Tu jeszcze schemat z VW z tym silnikiem; Promuję tematy: 19.10.2020 Honda K20A4 - Autogas Italia PowerJet+ - utrata mocy i check engine 03.01.2020 Tuleje Poliuretanowe - Jak eksploatować, jak serwisować, czym smarować