logo elektroda
logo elektroda
X
logo elektroda
REKLAMA
REKLAMA
Adblock/uBlockOrigin/AdGuard mogą powodować znikanie niektórych postów z powodu nowej reguły.

Peugeot 206 2004 1,4 16v - Podłączenie sterownika zamka centralnego

Konrado97 07 Lut 2019 12:27 3492 4
REKLAMA
  • #1 17760742
    Konrado97
    Poziom 6  
    Poproszę o jakieś wyjaśnienie jak mam podłączyć sterownik zamka centralnego firmy motokey do samochodu peugeot 206 2004, bardziej mnie interesuje do których kabli mam sie podłączyć w samochodzie ;)
    Zamieszczam sterownik wraz z kablami,jak i instrukcje,

    Instrukcja dla mnie nie jest jasna, który zamek mam wybrać? (interfejs centralnego)

    Wiem , że mam podłączyć gniazdo do sterownika, podane kable do centralnego, dany do migaczy, + jak i -, no i podnoszenia szyb, tylko które to kable od centralnego, migaczy,(+),(-),...

    Bardzo proszę o jakieś bardziej łopatologiczne wyjaśnienie.
  • REKLAMA
  • REKLAMA
  • #3 18531332
    diablo23248
    Poziom 28  
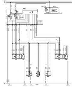
    Peugeot 206 2004 1,4 16v - Podłączenie sterownika zamka centralnego

    Zasilanie - gruby czerwony przewód w dwupinowej kostce w BSI
    Masa - oczko do śruby za klapką z lewej strony deski rozdzielczej
    Kierunkowskazy - czarna 16 pinowa kostka piny 13 i 14
    Otwieranie - Przecinasz biały kabel pin 15 szarej 16 pinowej wtyczki. Kabel NC (otwieranie) na 15 pin, kabel COM (otwieranie) do instalacji.
    Zamykanie - Przecinasz szary kabel 13 pin tej samej szarej wtyczki BSI. Kabel NC (zamykanie) na 13 pin, kabel COM (zamykanie) do instalacji. Kable NO podłączasz do zasilania 12V.
    Nie pomyl NC z COM bo spalisz BSI.

    Prościej nie umiem.
  • REKLAMA
  • #4 18903287
    Adamwoz
    Poziom 10  
    O którą dokładnie kostkę chodzi bo ja mam w 206+ brązową i białą i nie ma np. czerwonego z zasilaniem.
    Bo mam 3 kostki bsi, szarą biała i czarną i jak odłączę tą białą po środku to wtedy zamki się zamykają.
    Tylko w tej kostce są małe kostki, zielona i brązowa.
  • #5 18909222
    diablo23248
    Poziom 28  
    Miernik w łapki i szukać. Prawdopodobnie 206+ ma inne bsi. Wrzuć jakieś zdjęcie może...
REKLAMA